Қазақстан
Республикасы Білім және Ғылым Министрлігі
Алматы Энергетика және Байланыс Институты
Жүсіпбек Құсайнбекұлы
Әміров
Мәлік Мамежанұлы Аршидинов
Электротехниканың теориялық негіздері – 1, 2
/Оқулық
құрал/
Алматы 2006
УДК 621.3 (075)
Электротехниканың теориялық негіздері:
Оқу
құрал / Ж.Қ.Амиров, М.М.Аршидинов
АЭжБИ, Алматы,
2006.
- 170 бет.
Электротехниканың
теориялық негіздері оқу құралда тұрақты
және айнымалы токтардың сызықты және сызықты емес
тізбектердің негізгі мәселелері қаралған.
Электр
тізбектердің Ом және Кирхгоф заңдары арқылы,
олардың нәтижесінде әр түрлі күрделі тізбектерді
есептеу және талдау әдістері қаралған.
Электр
тізбектер қалыптасқан және өтпелі процестер кезінде
қаралған.
Оқу
құрал электроэнергетика мамандығы бойынша оқып
жүрген студенттерге арналған.
Кесте.0, Сурет. 145, библиогр. 12 атау.
Пікір жазушы: кафедра электротехники
КазНТУ, д-р.техн.наук.проф Кожаспаев Н.К.
Алматы
энергетика және байланыс институтының 2006 жылғы басылым
жоспары бойынша басылады.
ISBN 9965-708-44-4
©Алматы
энергетика және байланыс институты, 2006 ж.
Кіріспе
Электротехниканың, радиотехниканың,
электрониканың салаларында мамандарды дайындауда «Электортехниканың
теориялық негіздері» пәні негізгі болып табылады, себебі бұл
мамандықтардың арнайы пәндерінің теориялық
негіздерін құрады.
Электротехника – электр және магнит
құбылыстарын зерттеп, оларды практикалық
мақсаттарға пайдалану жөніндегі ғылым мен техника
саласы.
Қазақстанда электрэнергетиканың
және жаңа технологияның дамуында, бұл салаларға
жоғары білімді мамандар өте қажетті болып тұр.
Бұл мәселені шешу үшін, қазіргі уақытта
институттарда қазақ мамандары көптен дайындалуда және
болашақ мамандарды керекті біліммен қаруландыру үшін, оларды
сапалы оқулықтармен және оқу құралдармен
қамтамасыз ету керек.
Қазіргі уақытта, орыс және шетел
тілдерінде жазылған ЭТН пәнінен оқулықтар өте
көп, ал қазақ тілінде оқулықтар
жоқтың қасында деуге болады.
Оқу құрал кіріспеден және он
үш тараудан құралған.
Оқу құралдың
құндылығы-физика және математика ғылымдарымен
байланысы, электр тізбектердің Ом және Кирхгоф заңдары
арқылы, олардың нәтижесінде әртүрлі күрделі
тізбектерді есептеу және талдау әдістері қаралған.
Тізбектердегі күрделі процесстердің
өтуін ұғуын жеңілдету үшін әртүрлі
сүлбелер, диаграммалар, графиктер және кестелер келтірілген.
Оқу құрал күндізгі
бөлімдердегі студенттермен бірге сырттан оқитын студенттердің
де пайдаланатындықтары ескеріліп, теориялық мәселелер
мүмкіндігінше қарапайым тілмен түсіндірілген.
Бірінші бөлім
Сызықты электр тізбектер
Бірінші тарау
1 Тұрақты ток электр тізбектердің
негізгі заңдары және есептеу әдістері
1.1 Электр тізбектердің
және электр сүлбелердің элементтері
Электр тізбек деп беруге, таратуға және
өзара электр энергияны түрлендіруге тағайындалған
құрылғылардың жиынтығын атайды.
Электр тізбектердің негізгі элементтері
бір-бірімен сымдар арқылы косылған электр энергияның
көздері және қабылдағыштары.
Электр энергия көздерінде (аккумуляторлар,
электрогенераторлар және т.б) химиялық, механиқалық,
жылулық және т.б энергиялар электр энергияға
түрлендіреледі, ал электр энергияның қабылдағыштарында
электр энергия жылулық, жарықтық, механикалық
және т.б энергияға түрлендіреледі.
Токтары және кернеулері уақыт бойынша
өзгермейтін тізбектерді тұрақты токтың тізбектері
деп атайды.
Токтар және кернеулер тұрақты электр
қондырғыларда магнит және электр өрістер уақыт
бойынша өзгермейді, сол себептен тұрақты ток тізбектерде
өздік индукцияның ЭҚК пайдалы болмайды, ал диэлектриктерде
жылжу ток жоқ болады.
Электр сүлбе – электр тізбектің графикалық
көрінісі. Ол электр тізбектің элементтерінің қосылуы
қалай орындалғанды көрсетеді де,тізбекті есептеуде
қолданады.
Сүлбенің екі негізгі элементтері бар: ЭҚК Е
және ішкі кедергісі
көз (1.1, а - сурет) және
қабылдағыштармен сымдардың кедергісі
(1.1, б - сурет).
Электр қозғаушы күш Е
потенциалдардың айырымына немесе көзде ток жоқ кезде болымды
1 және теріс 2 қысқыштардың арасындағы кернеуге
тең:
(1.1)
1.1-сурет
Электр қозғаушы күш көздің
ішінде кіші потенциялы бар қысқыштан жоғары потенциалы бар
қысқышқа болымды зарядтың бірлігін ауыстыруға
сыртқы (электр емес) күштердің жұмысы деп белгілеуге
болады.
ЭҚК-тің әрекет бағытын
сүлбеде тілмен көрсетеді.
Егер электр
энергияның көзіне қабылдағышты қосып
қойсақ (1.2 - сурет), онда тізбекте ток І пайдалы болады. Бұл
жағдайда 1 және 2 қысқыштардағы кернеу
ЭҚК-ке тең болмайды, себебі көздің ішінде
кернеу түсуі
пайда болады, яғни оның
ішкі кедергісінде: ![]()
Сыртқы сипаттама ![]()
жүктелген көздің
қысқыштарыдағы кернеудің токтан тәуелділігі (1.3
- сурет).
![]()
1.2-сурет. Электр тізбек
Энергия көзінің қуаты
(1.2)

Қабылдағыштың кедергісі r (1.1,
б–сурет) электр сүлбенің элементі ретінде энергияның
тұтынуын сипаттайды, яғни қуаты ![]()
электр энергияны
басқа түрге түрлендіреді.
1.3-сурет. Сыртқы сипаттама
Жалпы жағдайда қабылдағыштың
кедергісі токтан тәуелді.
Ом заңы бойынша кедергідегі кернеу тең:
(1.4)
Кедергіге кері
шама
- өткізгіштік деп аталады. Кедергідегі кернеудің
токтан тәуелділігі, яғни
вольт-амперлік
сипаттама деп аталады.
Егер энергия
көздерінің ЭҚК-терін, олардың ішкі кедергілерін
және
қабылдағыштардың кедергілерін токтардан
және кернеулерден тәуелсіз деп
алсақ, онда сыртқы сипаттамалар және
вольт-амперлік сипатамалар
сызықты
болады (1.4 - сурет).
Тек сызықты сипаттамалары бар элементтерден
құралған тізбектер сызықты
деп аталады.

1.4 - сурет. Сызықты сипаттамалар
1.2
Энергия
көздерінің
балама сұлбалары
Белгілі ЭҚК Е және ішкі кедергісі
бар энергия
көзін балама сұлбамен көрсетуге болады.
Жоғарыда көрсетілгендей көздің
қысқыштарындағы кернеу
(1.5)
Басқа
жағынан ,
кедергідегі кернеу
(1.6)
болғандықтан
немесе
(1.7)
(1.7) теңдеуден
табамыз
(1.8)
Бұдан көздің ішкі кедергісі
қабылдағыштың кедергісі сияқты токты шектейтіні
көрініп тұр.
1.5, а-суретте балама сұлбаның Е ЭҚК-і бар көзі кезінде U кернеу қабылдағыштың
тоғына тәуелді де тең
. Егер де
Ri<<R болса, онда Ui<<U болады да ішкі кернеу
түсуді еске алмай (Ui=RiI=0) 1.5, б-суреттегі балама сұлбаны алуға
болады. Мұндай ішкі кедергісі жоқ
энергия көзін,
тілі бар дөңгелекпен белгілейміз және қасына Е
әріпті жазамыз да, өте оңды ЭҚК-тің
көзі деп атаймыз. Оның
сыртқы сипаттамасы - абсцисс білікке параллельді тура сызық (1.3-суреттегі ав штрих тура сызық).

а)
б)
1.5 - сурет. Энергия көздерінің балама
сұлбалары:
а - көздің ішкі кедергісін есепке алғанда;
б - көздің ішкі кедергісін
есепке алмағанда.
Энергия көзін екінші балама сұлбамен
көрсетуге болады (1.6, а-сурет ).
(1.7) теңдеудің оң және сол
жағын
кедергіге
бөлсек, шығады
![]()
(1.9)
мұндағы
-энергия көзінің ішкі өткізгіштігі.
(1.10)
мұндағы
- көздің
қысқа тұйықталған кездегі ток, яғни R=0
кездегі ток;
- энергия
көзінің шықпаларындағы кернеудің оның ішкі
кедергісіне қатынасына тең ток.
- қабылдағыштық тоғы.

а)
б)
1.6 - сурет. Энергия көздерінің балама
сұлбалары:
а - көздің
ішкі өткізгіштігін есепке алғанда;
б - ішкі өткізгіштігін есепке алмағанда.
(1.10) теңдеуге тапсырылған
тоғы бар
көзден және онымен паралельді қосылған Ri элементтен
кұрылған ток көзінің балама сұлбасы
қанағат болады. (1.6, а - сурет).
Егер Ri
>> R немесе
<<
болса, онда
ток
<<
, яғни энергия көзі қысқа
тұйықталу ережеге жақын болады. Бұл жағдайда
деп алып энергия көзі тек ток көзі
бар балама сұлба
шығады (1.6, б-сурет).
Ішкі өткізгіштегі
көз екі тілі
бар дөңгелекпен белгілейміз және қасына J әріпті жазамыз да, өте
оңды токтың көзі
деп атаймыз. Өте оңды ток көзінің тоғы
қабылдағыштың R кедергісіне тәуелсіз. Оның
сыртқы сипаттамасы-ординат білікке параллельді тура сызық
(1.3-суреттегі св штрих тура сызық).
ЭҚК - тердің көзі активтік, ал
кедергілер пассивтік электр сұлбалардың элементтеріне
жатады.
1.3 ЭҚК-і
бар тізбек бөлігі үшін Ом
заңы
Тармақталмаған құранды
сүлбенің (1.7-сурет) бөлігінің тоғы үшін,
еркінше ЭҚК-тері және кедергілері болғанда, егерде
аяқтарындағы потенциалдар айырымы белгілі болса жазуға
болады:
(1.11)

1.7 - сурет. Кұрамды сүлбенің бөлігі.
Егер токтың
бағыты алдын-ала белгісіз болса, онда токтың бағытын еркінше
таңдаймыз. Мұндай еркінше таңдалған токтың
бағытын болымды деп атайды.
(1.9) теңдеуден шығады:
![]()
(1.12)
мұнда
- бөліктің қосынды кедергісі;
-
потенциалдардың айырымы немесе бөліктің қысқыштар
арасындағы кернеу;
- бөлікте
әрекет ететін ЭҚК-терден алгебралық қосындысы.
(1.12) кейіптеме - ЭҚК-тері бар тізбектің
бөлігі үшін Ом заңы.
Егер (1.12)
кейіптемемен есептегенде ток I теріс болып шықса, онда токтың
нақтылы бағыты алынған болымды бағытпен беттеспейді.
1.4
Тармақталмаған электр тізбекті бойлай потенциалдардың
таратылуы
Тармақталмаған электр тізбекті бойлай потенциалдардың таралуын
көрнекті түрде график арқылы көрсетуге болады.
1.8-суретте тармақталмаған
тізбектің сүлбесі көрсетілген.
ЭҚК
мәні ЭҚК
мәнінен үлкен деп алайық. Бұл
жағдайда нақтылы ток ![]()
тең, ал
бағыты ЭҚК
-дің бағытымен бірдей.
нүктенің потенциалы
деп алғанда
нүктенің
потенциалы тең болады:
.
Бірінші энергия көзінен өткенде потенциал
мәніне
өседіде ішкі кедергіде азаяды,
сонымен с нуктенің потенциалы тең
.
1.8 - сурет. Тармақталмаған
тізбектің
сүлбесі
d нүктенің потенциалын табу үшін
потенциалдан
кернеу түсуді
алу керек, яғни
.
Ақырында, екінші энергияның көзінен
өткен кезде потенциал ЭҚК
мәніне
және ішкі кедергі
кернеу түсуіне
азаяды, ал сонымен бірге, а нүктенің потенциалы нөлге
тең болу керек:
.
Егер де абсцисс білігінде таңдалған
кедергінің масштабында тізбекке қосылған
бөліктерінің кедергілерін, ал ординат білігінде сәйкесті
нүктелердің потенциалдарын салсақ, онда тармақталмаған
тізбектің потенциалдық таратылу графигі шығады (1.9 -
сурет).
Графикті пайдаланып тізбектің кандай да
болған нүктелерінің арасындағы кернеуін табуға
болады. Мысалы, бірінші көздің қысқыштарындағы
кернеу
.
Тізбек бойы ток І тұрақты, яғни
барлық участіктерде бірдей болғандықтан ол графикте абсцисс
білікке сәйкесті тұра сызықтың еңкеюi
бұрыштық тангенсына тең, яғни тұра
сызыктардың еңкеюi бірдей (мысалы, “а в” және “с d”).

1.9 - сурет. Тармақталмаған тізбекті бойлай
потенциалдардың тарауы.
1.5
Тармақталмаған тізбек үшін қуаттардың
тепе-теңдігі
ЭҚК -і
және ішкі
кедергісі
бар
тұрақты ток электр генераторы және ЭҚК-і
және ішкі
кедергісі
бар аккумулятордан
құралған электр тізбек үшін (1.10-сурет) энергетикалық катынасты қарап
шығайық. Генератордың ЭҚК-
аккумулятордың
ЭҚК-інен
үлкен, яғни аккумулятор зарядталып тұр. Бұл
жағдайда токтың нақтылы бағыты ЭҚК
-мен біртектес.
Генератордың шықшықтарындағы кернеу
(1.13)
Аккумулятордың шықшықтарындағы кернеу
(1.14)

1.10 - сурет. Тұрақты ток генератордан
және аккумулятордан құралған электр тізбектің
сүлбесі.
(1.12) теңдеудің екі бөлігін І
токқа көбейтіп және қосындыларды орын алмастырып
табамыз
. (1.15)
Бұл теңдеудің сол жағы
генератордың өндеген қуаты; оң жағының
бірінші қосындысы - генератордың орамасындағы жылулық
шығындарының қуаты, екінші қосынды -
аккумулятордың тұтынатын қуаты.
Егер де (1.13) теңдеудің сол және
оң жағын
токқа
көбейтсек, онда болады:
.
(1.16)
Бұл теңдеуден шығады:
аккумулятордың тұтынған қуаты U I жылулық
шығындарға (
) және
аккумуляторды зарядтауға кетеді.
Энергия сақтау заң бойынша энергия
көздерінің қуаттар қосындысы кедергілерде
шығындалатын қуаттар қосындысына тең, яғни
. (1.17)
Егер де ЭҚК Е және ток І бағыттары
біртектес болса, онда қуат болымды болып алынады, егер де ЭҚК
және тоқтың бағыттары бір-біріне қарсы, онда
қуат теріс болады. Мысалы,
.
1.6 Тармақталған тізбектерді есептеу үшін
Кирхгофтың заңдарын қолдану
Тізбектеп қосылған ЭҚК-тердің
көздерінен және кедергілерден құралған электр
тізбектің бөлігі тармақ деп аталады.
Үш
және одан көп тармақтардың қосылған орыны
(нүктесі) электр тізбектің түйіні деп аталады.
Бірнеше тармақтардан өтетін
тұйықталған жол электр тізбектің контуры деп
аталады. Сонымен бірге қаралып тұрған контурда әрбір
түйін бірақ рет кездеседі. Қандай да болған кескін
үйлесімі бар электр тізбектің ережесі Кірхгофтың бірінші
және екінші заңдарымен толық белгіленеді.
Кирхгофтың бірінші заңы:
Түйінде тоқтардың алгебралық
қосындысы нөлге тең, яғни
(1.18)
Бұл теңдеуде түйінге
бағытталған токты теріс таңбамен, ал түйіннен
бағытталған токты болымды таңбамен жазамыз

Кирхгофтың екінші заңы:
Қандай да болған
тұйықталған контурда осы контурға кіретін
кедергілердегі кернеулердің алгебралық қосындысы сол контурға кіретін ЕҚК-тердің
алгебралық қосындысына тең
(1.19)
Бұл теңдеуде токтардың және
ЭҚК-тердің болымды таңбалары қаралып тұрған
контурды еркінше таңдалған айналма жолдың бағытымен
біртектес болғанда алынады.
Егер де тізбектің элементтерінің параметрлары
және оның кескін үйлесімі белгілі болса, ал токтарды табу
керек болса, онда Кирхгоф заңдары бойынша теңдеулерді
құрған кезде мынадай тәртіп болу керек:
-
электр
тізбектің барлық тармақтарында токтың ерекше болымды
бағыттары таңдалады;
-
кирхгофтың
бірінші заңы бойынша контурлар үшін теңдеулер
құрылады;
-
кирхгофтың
екінші заңы бойынша контурлар үшін теңдеулер
құрылады.
Электр тізбектің
в тармағы және у түйіні болсын.
Кирхгофтың бірінші және екінші заңдары
бойынша сәйкесті у- 1 және в-у+1 өзара тәуелсіз теңдеулерді
құруға болады. Бұл теңдеулердің
қосындысы керекті және жеткілікті в тармақтардағы
барлық токтарды белгілеу үшін теңдеулер санын береді.
Мысалы, 1.11-суреттегі төрт түйіні бар электр
тізбек үшін Кирхгофтың бірінші заңы бойынша
теңдеулердің түрі:
1 түйін үшін
;
2
түйін үшін
;
(1.20)
3
түйін үшін
;
4
түйін үшін
;
Бұл теңдеулердің қосындысы
0=0 тепе-теңдікті береді,
яғни төрт теңдеуден тек үшеу тәуелді.
Барлық теңдеулер саны в
тармақтардың санына тең болу керек.
Бірінші заң
бойынша у-1 теңдеу саны
болғандықтан, екінші заң бойынша в-у+1 теңдеу саны болу керек. 1.11-суреттегі сұлба
үшін Кирхгофтың екінші заңы теңдеу саны в-у+1=6-4+1=3.
1-4-2-1 контур
үшін
;
1-3-4-1 контур
үшін
; (1.21)
2-4-3-2 контур
үшін
.
(1.20) және
(1.21) теңдеулерді
бірлесіп шешкен кезде 1.11-суретте көрсетілген электр тізбектің
барлық тармақтардағы токтардың шамаларын береді.
1.7
Түйінді
потенциалдар әдісі
Кирхгофтың бірінші заңын және Ом
заңын қолдануға негізделген түйіндік потенциалдар
әдісін пайдалансақ шешүге жататын теңдеулердің
санын қысқартуға болады. 3 нүктенің потенциалын
нөлге тең деп алайық. Таңдалған болымды
бағыттары бойынша 1 және 2 түйіндер үшін
Кирхгофтың бірінші заңы бойынша жазамыз:
![]()
(1.22)
Тармақтардағы токтар Ом заңы бойынша:

![]()
(1.23)

1.12 - сурет
(1.22) теңдеулерді (1.21) теңдеулерге
қойып және олардың мүшелерін топтағаннан кейін
табылады:
(1.24)
немесе
(1.25)
Бұл теңдеулерде
- сәйкесті 1
және 2 түйіндерін қосылған тармақтардың
өткізгіштердіктің қосындысы:
- бұл
түйіндерді қосатын тармақтардың
өткізгіштердің қосындысы.
(1.24) теңдеулер тармақтардағы
токтардың таңдалған болымды бағыттарына тәуелді
емес.
Егер де тізбекте екі ғана түйін, ол
параллельді қосылған тармақтардың саны m болса,
онда түйіндер арасындағы кернеуді табуға болады (1.13-сурет).
1 түйін үшін (1.24) теңдеуді құрамыз
(1.26)
(1.25)
теңдеуден шығады
(1.27)

1.13 - сурет. Екі түйін бар тізбектің
сүлбесі
Мұнда алымы - ЭҚК-тердің барлық
ЭҚК-тері бар тармақтарндың өткізгіштіктеріне
көбейтіндісінің қосындысы, ал ортақ
бөлгіш-түйіндер арасында қосылған барлық
тармақтардың өткізгіштерінің арифметикалық
қосындылары.
1.8
Контурлық токтар әдісі
Күрделі электр тізбектің ережесін есептеу
үшін Кирхгофтың екінші заңы бойынша
құрылған К=(в-у+1)
тәуелсіз теңдеулерді шешу арқылы орындауға болады.
Бұл жағдайда, әрине Кирхгофтың бірінші заңы
мүлткісіз орындалады.
Контурлық токтар деп контур ішінде тұйықталатын
токтарды айтады.
Кирхгофтың
екінші заңы бойынша теңдеуді жазар алдында тәуелсіз
контурларды таңдау керек. Тәуелсіз контур деп тек осы
контурға кіретін кемінде бір тармақ бар контурды атайды.

1.14
- сурет. Тармақталған тізбек.
1.14 - суреттегі сұлба үшін Кирхгофтың
бірінші заңы бойынша
(1.28)
1
Кирхгофтың екінші заңы
бойынша
(1.29)
(1.28) теңдеулерді пайдаланып, (1.29)
теңдеулерден шектес тармақтардағы
және
токтарды
шығарып тастап табамыз:
(1.30)
токтар
әрбір контурға кіретін барлық тармақтардан өтеді,
ал сол себептен оларды
және
деп белгілеп контурлық токтар деп атаймыз.
Контурға кіретін кедергілердің
қосындысын контурдың өздік кедергісі деп атайды, ал
бір уақытта екі немесе одан да көп контурларға жататын
кедергіні жалпы кедергі деп атайды.
(1.31)
мұнда
- контурлық
ЭҚК-тер, яғни осы контурдағы әсер ететін
ЭҚК-тердің алгебралық қосындысы.
Теңдеулерге өздік кедергілер "+"
таңбамен кіреді, ал жалпы кедергілер егер де кедергіден өтетін
контурлық токтар бір-біріне қарсы бағытталса "-" таңбамен алынады.
Контурлық токтарды (1.30)
теңдеулеурді шешкеннен кейін табамыз, ал содан кейін нақтылы
токтарды анықтаймыз.
![]()
1.9 Активтік екі
ұштықтан пассивтік екі ұштыққа максималды
қуатты беру
Күрделі электр тізбектерді зерттеген кезде тек бір
тармақтағы токпен, кернеумен және қуатпен
қызығады. Және бөлек тармақты бөліп
шығару электр энергияның көздері бар тізбектің
бөлігімен қабылдағыштар бар бөлігімен байланысты табу
үшін қолданады.
Екі бөлініп шыққан
қысқыштары бар (ұштықтар деп аталады) ерекше кескін
үйлесімді электр тізбектің бөлігін екі ұштық
деп атайды. Электр энергия көздері бар екі ұштықты активтік
, ал көздері жоқ екі ұштықты-пассивтік деп
атаймыз. Әркім пассивтік екі ұштық электр
энергияның тұтынушысы
болады, сол себептен ішкі немесе кіріс кедергі Rк деп аталатын элементпен сипатталады.
Электр тізбектен
бір 2-2` тармақты бөліп шығарайық. Оның кедергісі
R және ол активтік екі ұштыққа қосылып тұр.

2-2` тармақтағы
I тоқты табу үшін активтік екіұштықты ЭҚК
көзімен және пассивтік екіұштықпен алмастыруға
болатындықты көрсетейік.
1.15-
сурет

1.16 - сурет. Активтік екіұштықты кедергісі
және
бар
тармаққа түрлендіру.
Көздің ЭҚК-терін табу үшін 1
және 2 нүктелер арасында тізбекті ажыратып жібереміз де
потенциалдар айырымын
есептеумен немесе тәжірибе жолмен табамыз 1.16 - сурет. Содан кейін
кері
бағытталған
тең көзді
1 және 2 нүктеге қосамыз (1.16, б - сурет);
2-2` тармақтағы ток нөлге тең
болып қала береді, себебі екі нүктенің арасындағы
потенциалдар айырымы өзгерген жоқ.
1.16,б -
суреттегі сүлбенің 1.15 -
суреттегі сүлбеден айырмашылығы -1 және 2
нүктелерінің арасында
ЭҚК
қосылған және 2-2`
тармақтағы ток нөлге тең. Бұл сүлбе
берілген сүлбеге баламалық болады, егер де 1 және 2
нүктелер арасына тағы бір
ЭҚК-ті
кіргізсек.
ЭҚК-тің
бағыты
кері (1.16,в-сурет). Активтік екіұштық
ЭҚК-пен қоса
2-2` тармақта токты тудырмайды (1.16, б - сурет). Сол
себептен 2-2` тармақтағы
ЭҚК-пен құрылатын ток І бұл
тармақтағы нақтылы токқа тең (1.16, г - сурет),
яғни
(1.32)
мұнда Rк-барлық ЭҚК-тер нөлге
тең деп алғаннан кейін пассивтік екіұштықтың
кіріс кедергісі.
Егер де қаралып жатқан тармақта
кедергілермен бірге ЭҚҚ Е болса, онда бұл
тармақтағы ток тең
(1.33)
мұнда ЭҚҚ
болымды (+), егер де
оның бағыты
ЭҚК-пен бірдей
болса, егер де бағыттары кері болса ЭҚҚ
теріс (-) санмен жазылады.
Пассивтік екі ұштықтың қуаты
тең
және
(1.34)
мұнда
- активтік
баламалық екіұштықтың қуаты:
кедергiдегi куат
шығыны.
Құат Р максималды болатын кездегі І токты
табу үшін (1.33) теңдеуден І бойынша Р-дан туындыны аламыз
,
ал бұдан ізделіп отырған ток
![]()
Жалпы
жағдайда (2.15,д) ток
(1.35)
(1.35) теңдеуден шығады: қуат
максималды егер де
(1.36) яғни активтік. Бұл жағдайда
екіұштықтың кіріс кедергісі және пассивтік
екіұштықтың кедергісі тең (
).
(1.36)
Активтік екі ұштықтың ПӘК
тең
(1.37)
1.10 ЭҚК-тері және ток көздері бар тармақтар
параллельді қосылғанда жүргізелетін түрлендіру
Егер де
күрделі электр сұлбада бірнеше параллельді жалғанған
ЭҚК көздері бар тармақтар болса, ол тармақтарды бір
эквивалентті тармақпен ауыстырсақ, онда осындай сұлбаны
есептеу және зерттеу жұмыстары әлдеқайда
жеңілдейді.

1.17 - сурет. Параллельді тармақтарды
түрлендіру сүлбелер
Параллельді қосылған m тармақтарды
бір тармаққа ауыстыру керек
(1.17, б - сурет). Ол үшін ток І және кернеу U эквиваленті
сүлбеде берілген сүлбедегідей қалу керек.
![]()
(1.38)
1.17, б - суреттегі сұлбада ток тең
(1.39)
мұндағы
.
Эквиваленттік шарт орындалу үшін (1.38) және
(1.39) теңдеулердің оң жақтарын
теңестіріп, табамыз:
![]()
ал будан шығады

![]()
(1.40)
Егер де кейбір параллельді тармақтарда ЭҚК
жоқ болса, онда (1.39)теңдеуде
қосынды
болмайды, бірақ
өткізгіштің ішіне бұл
тармақтардың өткізгіштері кіреді.
Егер де 1 және 2 түйіндерге
ЭҚК-тердің көздері бар m тармақтардан басқа ток
көздері бар n тармақ қосылса, онда
(1.41)
Егер
де J бағыты эквивалентті Е бағытымен бірдей болса, онда болымды болып
алынады, ал егерде болмаса -теріс болып алынады.
1.11
ЭҚК бар сүлбені эквивалентті ток көзі бар сүлбеге
түрлендіру

1.18 - сурет. ЭҚК-тің көзінен ток
көзіне ауысу сұлбалары.
1.18,а - суретте ЭҚК-тің көзі R ішкі
кедергісімен 1 және 2 қысқыштарға жалғанған,
ал қысқыштар арасындағы кернеу U.
Ток І тең
(1.42)
![]()
мұнда
- ток
көзінің тоғы;
- ішкі кедергідегі
ток;
-
ЭҚК-тің көзінің тоғы.
(1.42)
теңдеуге 1.18,б - суреттегі эквивалентті сүлбе сәйкес.
Бұл сүлбеде ток I және кернеу U 1.17,б - суреттегі сүлбедей.
Ток көзі тоғы J ЭҚК-тің бағытымен бір бағыттас.
1.12 Теңгеру (компенсация)
жайындағы
теорема
a) в) с)
1.19 - сурет. Теңгеру теоремасын түсіндіретін
сүлбелер.
1.19, а - суретте көрсетілген электр сүлбеде
кедергісі
және
тоғы
тең
тармақ бөлінген.
Осы тармаққа
және
ЭҚК-тер көздерін енгіземіз.Олардың сан
мәндері
кернеуге және олардың бағыттары бір-біріне
қарама қарсы алынған, ал сондықтан тоқтар
барлық тармақтарда өзгермейді.
Кез келген кедергіні ЭҚК-тің көзіне
ауыстыруға болады, оның бағыты ток бағытына
қарама-қарсы және сол кедергідегі кернеуге тең.
Мұны дәлелдеу үшін (1.19, б - сурет) " d " ,нүктеден " с " нүктеге өткенде
потенциал
шамасына үлкейеді, ал "с" нүктеден
"в" нүктеге өткенде сол шамаға азаяды. Осы
салдарынан " d " және "b" нүктелерінің
потенциалдары бір-біріне тең, яғни
, ал сол себептен нүктелерді өткізгішпен
тұйық қосуға болады.
1.18,б - суретте үзілмелі сызықпен көрсетілгендей,
яғни тармақтың d-b бөлігін алып тастап 1.19, в -
суретте көрсетілген сүлбеге келеміз, яғни
кедергіні
ЭҚК-пен алмастырдық.
1.13 Беттесу
әдістің принципі
Егер де (1.30)
теңдеу жүйелерді анықтағыш арқылы шешкенде
әрбір ток үшін, мысалы
ток үшін,
табамыз
(1.43)
мұнда
-(1.39)
теңдеулер жүйесінің анықтағышы, ал
анықтағыштың алгебралық
қосындылары.
табу үшін
анықтағышта
бағананы және
жолын сызып тастап
көбейту керек.
Егер де
(1.43) теңдеуде
барлық контурлық ЭҚК-терді тармақтардың
ЭҚК-тердің алгебралық қосындысымен алмастырсақ,
онда қосындыларды топтастырғаннан кейін
контурлық ток
тармақтардың әрбір ЭҚК-пен қоздырылатын тоқ
құрастырушылардың алгебралық қосындысы
түрінде болады. Токтың әрбір құрастырушысы
тармақтың ЭҚК-інің (1.43) теңдеуге кіретін
коэффициенттерінің алгебралық көбейтіндісіне тең.
Бұл өте қажеті қасиет беттесу
принципі деп аталады.

1.20 – сурет
Контурлық ток әдісімен келесі
теңдеулерді жазамыз:
(1.45)



(1.45) шығады:
(1.46)
мұнда

Сол сияқты
және
токтар табылады. Егер
де (1.45) контурлық ЭҚК-терді тармақтардағы
ЭҚК-термен алмастырсақ, онда табамыз:
(1.47)
Сонымен, тармақтардағы токтарды табу
үшін беттесу принципі арқылы сұлбада кезек-кезек бір
ЭҚК-ті калдырып, ал басқа көздердің ЭҚК-терін
нөлге тең деп аламыз, бірақ та сүлбеде олардың
ішкі кедергілерін қалдырамыз.
Екінші тарау
2 Синусоидалы тоқтың бір фазалы электр
тізбектері
2.1 Синусоидалы электр шамалар
Электр тізбекте кернеудің және
тоқтың лездік шамалары тең уақыт аралық сайын
қайталанатын процесс периодты деп аталады. Периодты шаманың
мәні қайталанатын ең аз уақыты период деп аталады. Егер
де
уақыттың
периодты функциясын
деп белгілесек, онда
әрбір болымды немесе теріс
аргумент шама
үшін мына теңдік әділетті болады:
(2.1)
мұнда Т-период.
Периодқа кері шама, яғни уақыт бірлікте
периодтардың саны жиілік деп аталады.
(2.2)
Жиілікті өлшеу бірлік – герц (Гц); егер де период 1с, онда жиілік 1 Гц
тең.
Электр тізбектерде көбінесе периодты процестің
түрі синусоидалды ереже, яғни барлық кернеулер және
тоқтар бірдей жиіліктің синусоидалды функциялары болады.
2.1 - суретте синусоидалы функция көрсетілген.
(2.3)
мұнда
- максималды мәні немесе амплитуда;
- аргументтің (бұрыштың) өзгеру
жылдамдығы немесе бұрыштық жиілік; ол
жиіліктің
-ге көбейтіндісіне тең және рад/с- мен
өлшенеді
(2.3¹)
- басты фаза
(координат басынан синусоиданың ығысуы).
(2.1) функцияның аргумент ретінде уақыт
немесе сәйкесті
бұрыш
алынады.
аргументке
период сәйкес,
ал аргумент
период сәйкес,
аргумент және басты фаза
радианмен өлшенеді.
Егер де
бұрыш градуспен
өлшенсе, онда аргумент
градусқа
ауыстырылады (1 радиан=57,3°); бұл жағдайда период
.

2.1-сурет
Синусоидалы шаманың өзгеріп
тұрған мәнін белгілейтін шама
фаза деп
аталады. Уақыт ағымы бойынша фаза өседі,
-шамаға фаза өскеннен кейін синусоидалды
шаманың өзгеру циклі қайталанады.
2.2 Синусоидалы функцияның орташа және
әрекетті мәндері
периодты
функцияның
период ішінде орташа
мәні мына кейіптемемен анықталады:
(2.4)![]()
Cинусоидалы функция кезде, болымды жартылай
толқынның ауданы теріс жартылый толқынның ауданымен
өтемеленеді, ал сол себептен период ішіндегі орташа мән нөлге
тең. Сондықтан жартылай периодтың мәнін, яғни
синусоиданың болымды жартылай толқынын алады.
Бұған сәйкес, амплитудасы
cинусоидалы
тоқтың орташа мәніне тең:
(2.5)
Кернеудің орташа мәні
(2.6)
Тоқтың
жылулық әсері және екі сымның , олар арқылы
бірдей тоқ өткенде, өзара әсерлік механикалық
күш тоқтың шаршысына пропорционалды. Сондықтан,
тоқтың мәнін период бойы әрекетті мәнімен
белгіленеді.
(2.7)
(2.8)
(2.9)
Синусоидалы тоқ кезде

(2.8.) кейіптеме бойынша
(2.10)
Әрекетті
синусоидалы кернеу
(2.11)
Электротехникалық
құрылғылардың номиналды тоғы және кернеуі
әрекетті мәндерімен белгіленеді.
Әрекетті
мәндерді өлшеу үшін жылулық, электромагниттік,
электродинамикалық және т.б. аспаптар жүйелері
қолданылады.
2.3 Кедергідегі синусоидалы тоқ
Егер де R кедергіге синусоидалы кернеу
ынта салынса, онда кедергі арқылы
мынадай синусоидалды тоқ ағады:
(2.12)
Демек, кедергінің шықпаларындағы кернеу
және одан өтіп жатқан тоқтың басты фазалары
бірдей (фаза бойынша тура келеді): олар
бір мезгілде өздерінің амплитудалық
және ![]()
мәндеріне жетеді және бір мезгілде нөлден
өтеді (2.2-сурет).

2.2-сурет. Кедергідегі синусоидалы кернеу және
тоқ.
Жиіліктері бірдей екі синусоиданың басты фазаларының
айырымы фазалық ығысу деп аталады. Бұл жағдайда фазалық
ығысу кернеумен тоқтың арасында нөлге тең:
(2.13)
Кедергі
арқылы
синусоидалды тоқ өткен кезде амплитуталар және
кернеудің, тоқтың әрекетті мәндері Ом
заңымен байланысқан, яғни
;
;
(2.14)
Кедергіге түсетін лезді қуат:
,тоқтың және кернеудің жиілігіне
қарағанда екі есе бұрыштық жиілікпен өзгереді.
Тербелiну шектері 0-ден
-ге дейін (2.3 -сурет.)

2.3 –сурет.
Кедергіге түсетін лезді қуат ![]()
PR
қисығы екі қосындылардан құралады:
тұрақты қосынды P=UI және амплитудасы UI, ал жиілігі 2
тең
косинусойдалды функциядан.
Период ішіндегі орташа қуаттың мәні активтік
қуат деп аталады да, ол тең:
(ваттпен өлшенеді).
Қаралып отырған жағдайда
.
Кедергіні активтік қуаттың тоқтың
шарашы шамасына қатынасы деп белгілеуге болады
.
Айнымалы тоқ кездегі активтік кедергі деп
аталады.
2.4 Индуктивтіктегі синусоидалды тоқ
Егер де L индуктивтік арқылы синусоидалды тоқ
өтсе, онда
өздік индукцияның электр қозғаушы күш тең:
(2.16)
Демек, индуктивтіктегі кернеу:
(2.17)
(2.17) кейіптемеден шығады: индуктивтіктегі
кернеу тоқты
(немесе 90°)
бұрышқа озып отырады; кернеудің максимумы тоқтың
максимумынан солға қарай 90°-қа ығысады (2.4-сурет).


2.4-сурет. Индуктивтіктегі синусоидалы кернеу және
тоқ
Фазалық ығысу:
(2.18)
(2.19)
- индуктивтік
кедергі, ал оған кері шама
- индуктивтік
өткізгіштік деп аталады. Сонымен,
(2.20)
Индуктивтіктегі лезді қуат тең:
(2.21)
Бұл қуат
амплитудасы
, ал бұрыштық жиілігі
тең
синусоидалды заң бойынша тербеленеді.
Индуктивтіктің
магнит өрісінің энергиясы:
(2.22)
0 ден
-ге дейін шектерде бұрыштық жиілігі
-мен периодикалы өзгеріп тұрады (2.5-сурет).


2.5-сурет. Индуктивтіктегі лезді қуат және
өрістің энергиясы.
Көзбен
және индуктивтіктің арасында энергияның тербелісі
өтеді, ал индуктивтікке түсетін активтік қуат нөлге
тең. Индуктивтік кедергіні былай табуға болады:
(2.23)
2.5
Сыйымдылықтағы синусойдалы тоқ
Егер де
сыйымдылықтағы кернеу синусойдалды болса (2.6-сурет)
, онда тоқ:
(2.24)
(2.24) көрініс
көрсетіп тұр: тоқ
ынта салынған
кернеуден
бұрышқа
озып тұр, яғни тоқтың нөлдік мәніне
кернеудің максималды мәні
сәйкес.


2.6-сурет.
Сыйымдылықтағы синусойдалы кернеу және тоқ.
Фазалық
ығысу:
(2.25)
(2.26)
-сыйымдылық кедергі, ал оған кері шама
-сыйымдылық өткізгіштік деп аталады.
Сонымен,
(2.27)
Сыйымдылықтағы
лезді қуат:
(2.28)
Бұл қуат
амплитудасы
, ал бұрыштық жиілігі
тең
синусойдалды заң бойынша тербеленеді, яғни көрініс
сияқты.
Сыйымдылықтың
электр өрісінің энергиясы:
(2.29)
0-ден
-ге дейін шектерде бұрыштық жиілігі
-мен периодикалы өзгеріп тұрады.
Көзбен
сыйымдылықтың арасында энергияның тербеленуі өтеді, ал
сыйымдылыққа түсетін активтік қуат нөлге
тең. Сыйымдылық кедергіні былай табуға болады:
(2.30)
2.6 R,L және C элементердің
тізбектеп қосылуы
Тізбектеп
қосылған R,L және C элементерден құралған
электр тізбектен
синусойдалды
тоқ өткенде (2.7-сурет)


2.7-сурет.
Тізбектеп қосылған кедергіде, индуктивтікте және
сыйымдылықта
синусойдалы тоқ кездегі кернеулер.
бұл тізбектің шықпаларында бөлек
элементтердегі синусойдалды кернеулердің қосындысына тең
синусойдалы кернеу қурылады [Кирхгофтың екінші заңы]:
(2.31)
Тізбектің шықпасындағы
кернеу тең:
(2.32)
(2.32) теңдеу
лезді кернеулер үшін Кирхгофтың екінші заңының
жазылуының тригонометриялық түрі. Бұған кіретін
шама
-тізбектің реактивтік кедергісі деп аталады. Бұл
кедергі таңбаға қарай
болса индуктивтік, ал
болса
сыйымдылық түрлі болады.
және
табу үшін
келесі тригонометриялық қатынастарды пайдаланамыз:
(2.33)
Сонымен,
(2.34)
мұнда
-тізбектің толық кедергісі.
Тізбектеп
қосылған
тізбектің шықпаларындағы кернеу
белгілі болса, онда
тізбектен ағып тұрған тоқ:
(2.35)
Тізбектің
түрі индуктивтік болса бұрыш
болымды
ал сыйымдылық
болса-теріс ![]()
Тізбектің
активтік және реактивтік кедергілердің толық кедергімен
байланысы:
(2.36)
Кернеудің
активтік және реактивтік құрастырушылары:
Тізбектің
толық кернеуі:
(2.37)
2.7 R,L және C элементтердің
параллельді қосылуы
Егер де
элементтер
параллельді қосылған тізбекке (2.8-сурет) синусойдалды кернеу
ынта салынса, онда
бұл тізбектен өткен тоқ параллельді тармақтардан
өтетеін тоқтардың алгебралық қосындысына
тең [Кирхгофтың бірінші заңы]:
(2.38)


2.8-сурет. Синусойдалы
кернеу кезде параллельді қосылған кедергіде, индуктивтікте
және сыйымдылықтағы тоқтар.
кедергідегі
тоқ
кернеумен фаза
бойынша біртектес,
индуктивтіктегі
тоқ
бұрышқа
қалады, ал
сыйымдылықтағы
тоқ
бұрышқа
кернеуден озады
(2.8-сурет).
Тізбектегі
қосындысы (жалпы) тоқ тең:
(2.39)
(2.39) теңдеу
лездік тоқтар үшін Кирхгофтың бірінші заңының
жазылуының тригонометриялық түрі. Бұған кіретін
шама
-тізбектің реактивтік өткізгіштігі деп
аталады. Бұл өткізгіштік таңбаға қарай
индуктивтік, ал
сыйымдылық
түрлі болады.
(2.40)
немесе ![]()
мұнда
-тізбектің толық өткізгіштігі.
Тоқ
кернеу
-дан бұрыш
-ға не қалады, не озады.

Егер де
тізбектің шықпаларында кернеу
берілген болса, онда
тізбектегі тоқ тең:
(2.41)
Тізбектің
түрі индуктивтік болса бұрыш
болымды
ал сыйымдылық
болса теріс ![]()
Тізбектің
активтік және реактивтік өткізгіштіктердің толық
өткізгішпен байланысы:
(2.42)
Тоқтың активтік және
реактивтік құрастырушылары:
(2.43)
Тізбектің толық
тоғы: ![]()
2.8 Синусоидалды тоқ тізбектегі
қуат
Тізбектің кернеуі
ал тоғы ![]()
Лезді қуат:
(2.44)
яғни екі
бөліктен құралады: тұрақты шама
және кернеумен
тоқтың жиіліктерінен екі есе үлкен синусойдалды шамадан.
уақыт ішінде
екінші қосындының орташа мәні нөлге тең.
Сондықтан тізбектегі активтік қуат:
(2.45)
-қуат коэффициент деп аталады.
Активтік қуат
басқа түрде көрсетуге болады:
(2.46)
Кедергі және
индуктивтігі бар тізбекті қарап шығайық. Бұл
жағдайда
және
.
және
таңбалары
бірдей кездегі уақыт аралықта лезді қуат болымды; энергия
көзден қабылдағышқа түседі де кедергіде
жұтылады және индуктивтіктің магнит өрісінде
қолданады.
және
таңбалары кері
кездегі уақыт аралықта лезді қуат теріс; энергияның бір
бөлігі (магнит өрістегі) көзге қайтады. Активтік –
сыйымдылық тізбекте көрініс ұқсас болады
.


2.9-сурет. Активтік – индуктивтік тізбекке түсетін
қуат.
1.1 Үшінші тарау
3 Комплексті сандарды
және векторлық диаграммаларды электр тізбектерді есептеуге
қолдану
3.1 Синусоидалы
функцияларды айнымалы векторлардың проекциялары түрінде
көрсету
Электр тізбек күрделенгенде
тригонометриялық түрде есептеу қиындап кетеді, ал сол
себептен тұрақты тоқ тізбектерге ұқсасты айнымалы
тоқ тізбектерді алгебралық түрде есептеуге рұқсат
ететін әдіс керек болады. Мұндай ыңғайлы әдіс
ретінде синусойдалы функцияларды құрауды айнымалы векторларды
қарауға ауыстыруға орнатылған комплексті әдіс.

Комплексті жазықтықта
әрбір нүкте бұл нүктені радиус-векторымен белгіленеді.
Вектордың басы координат басымен үйлеседі, ал аяғы берілген
комплексті санға сәйкесті нүктеде жатады (3.1-сурет).
3.1-сурет. Комплексті санды бейнейлейтін вектор.
Комплексті санды
көрсеткіш немесе полярлы түрде жазуға болады:
(3.1)
мұнда
-модуль;
-аргумент немесе фаза; ![]()
Комплексті
санның тригонометриялық түрде жазылуы:
(3.2)
және оның алгебралық түрі:
(3.3)
мұнда
![]()
Демек,
(3.4)
бұрыштық
жылдамдықпен болымды бағытпен, яғни сағат тіліне
қарсы, айналып тұрған векторды былай көрсетуге болады:
(3.5)
мұнда
уақыт мезгілде
векторды көрсететін комплексті амплитуда (3.2-сурет).
Басқаша айтқанда, бұл уақыттан тәуелсіз, модуль
және аргументы берілген синусоидалды функцияның амплитудасына
және басты фазасына тең комплексті шама.

көбейткіш –
айналдыру оператор. Комплексті амплитуда
-ны
көбейту болымды
бағытқа вектор
-ны бұрыш
бұруды
көрсетеді.
3.2-сурет. Айналмалы вектор.
(3.5) функцияны тригонометриялық
түрде жазғанда шығады:
![]()
Қорытқанда,
синусоидалды функция
көбейткішсіз
алынған комплексті (3.5) функцияның жорымал бөлігі немесе
айналмалы вектордың жорамалды білікке проекциясы.
(3.6)
-комплексті функцияның жорамал бөлігі
алынғанын көрсетеді.
Егер де синусоидалды
функциялардың жиіліктері бірдей болса, онда бұл функцияларға
сәйкесті векторлар бірдей бұрыштық жылдамдықпен
айналады, ал сол себептен олардың арасындағы бұрыштар
өзгермейтін болып сақталады.
3.3,а-суретте
бұрыштық жиіліктері
бірдей екі
синусойдалды функциялар
және
көрсетілген.
Функция
фаза бойынша функция
-деп озып тұр, фазалық ығысу басты
фазалардың айырымына тең:
![]()
3.3,b-суретте
бұл бұрышты өздері ара векторлар құрып тұр.
Басты фазалар
тең кезде, яғни фазалық ығысу нөлге тең
болғанда, векторлар бір жаққа бағытталады (фаза бойынша
біртектес).
Фазалық
ығысу 180° болғанда векторлар қарама-қарсы
жақтарға бағытталады (қайшы фазада болады).
Фаза бойынша
олардың өзара бағытта болуды сақтаумен
құрылған векторлардың жиынтықтарын бейнелейтін
диаграмма векторлық диаграмма деп аталады.


3.3-сурет


3.3-сурет
3.2 Комплекстік
түрдегі Ом және Кирхгофтың заңдары
а)
және
-нің тізбектеп қосылуы
Кирхгофтың
екінші заңы бойынша жазылған теңдеуде
(3.7)
параметрлар
және кернеу
берілген болсын, ал
ізденіп жатқан шама – тоқ.
(3.7) дифференциалды
теңдеудің шешуі синусоидалды функцияны береді,
,
мұнда
және
-тоқтың әлі белгісіз амплитудасы және
басты фазасы, берілген синусоидалы кернеуге комплексті функция
ал ізденіп
жатқан синусоидалды тоққа-комплексті функция
сәйкесті
болады.
Онда (4.7)
теңдеуді мына түрде көрсетуге болады,
(3.8)
Дифференциалдайды
және интегралдауды өткізіп, табамыз;
(3.9)
(3.9)
теңдеудің барлық бөліктерін көбейткіш
қысқартып
алгебралық комплексті теңдеуді табамыз:
(3.10)
тоқты
жақшаның сыртына шығарғанда, болады:
(3.11)
мұнда
-реактивтік кедергі; (3.12)
-комплексті толық кедергі (3.13)
(3.11)
теңдеудің екі жағы
бөлсек,
комплексті әсерлік мәндер үшін Омның заңын
шығарамыз,
(3.14)
Комплексті кедергіні
тригонометриялық және көрсеткіш түрлері,
(3.15)
мұнда
-комплексті санның модулі, ал
комплексті
санның аргументі,
(3.16)
(3.11) теңдеу
бойынша тоқтың комплексті амплитудасы
![]()
мұнда
-тоқтың
басты фазасы.
Олай болса, ізденіп
жатқан тоқ тригонометриялы түрде
(3.17)
бұл
бұрынғы табылған (2.35) теңдеумен бірдей болып
шықты яғни нәтижелерді бір-бірімен толық біртектес.
3.4-суретте (3.13)
теңдеудің комплекті жазықтықта геометриялық
талдау берілген. 3.4,а-сурет тізбектің реактивтік кедергісі индуктивтік
түріне жатады
, ал оған сәйкес тоқ кернеуден фаза бойынша
қалып қалады
3.4,б-сурет
тізбектің реактивтік кедергісі сыйымдылық түріне жатады
, ал оған сәйкес тоқ кернеуден фаза бойынша
озып кетеді ![]()


3.4-сурет.
(а) және
(b) кезде
тізбекті
қосылған
үшін
векторлық диаграммалар.
кедергідегі кернеу (
тоқпен біртектес),
индуктивтіктегі
кернеу (
тоқтан 90° бұрышқа қалып
қалады).
және
векторлардың
геометрикалық қосындысы тізбекке ынта салынған
кернеудің векторын береді:
![]()
Катеттері
және
гипотенузасы
-ға тең тұра бұрышты – кернеулер
ұшбұрышы деп аталады.
б)
және
-нің параллельді қосылуы.
Кирхгофтың
бірінші заңына сәйкесті комплексті әсерлік мәндер
үшін жазамыз:
(3.18)
мұнда
кедергідегі тоқ (
кернеумен фаза бойынша біртектес);
-индуктивтіктегі тоқ (кернеуден 90° қалады);
-сыйымдылықтағы тоқ (кернуден 90° озады).
Көрініс
(3.19)
қаралып жатқан тізбектің комплексті
өткізгіштігі;
және
-тізбектің активтік және реактивтік
өткізгіштері.
Теңдеу
(3.20)
Омның
заңын комплексті түрде көрсетеді.
Комплексті
өткізгіштіктің тригонометриялық және көрсеткіш
түрлері,
(3.21)
мұнда
комплекс санның
модулі, ал
комплекс
санының аргументі.
(3.22)
(3.20) теңдеу бойынша тоқтың комплексті
амплитудасы,
![]()
ал бұл мынадай синусоидалды тоққа
сәйкес,
(3.23)
3.5-суретте (3.17)
теңдеудің комплекстік жазықтықта геометрикалық
талдау берілген. 3.5,а-сурет тізбектің реактивтік өткізгіштігі
индуктивтік түріне жатады
ал оған
сәйкес тоқ кернеуден фаза бойынша қалып қалады
; 3.5,б-сурет тізбектің реактивтік өткізгіштігі
сыйымдылық түріне жатады
ал оған
сәйкес тоқ кернеуден фаза бойынша озып кетеді ![]()


3.5-сурет.
(а) және
(б) кезде
параллельді
қосылған тізбек үшін векторлық диаграммалар.
кедергідегі тоқ
(
кернеумен біртектес);
индуктивтіктегі тоқ (
кернеуден 90° қалып қалады);
сыйымдылықтағы тоқ (
кернеуден 90° озып кетеді).
және
векторлардың
геометриялық қосындысы тізбектегі жалпы тоқ
-дің векторын береді:
![]()
Катеттері
және
, гипотенузасы
-ға тең тұра бұрышты
ұшбұрыш – тоқтардың ұшбұрышы.
Егер де
тізбектің бөлігінің комплексті кедергісі берілсе, онда сол
бөлігінің комплексті өткізгіштігі тең:
(3.24)
Егер де
тізбектің бөлігінің комплесті өткізгіштігі берілсе,
онда сол бөлігінің комплексті кедергісі тең:
(3.25)
Өткізгіштің
әрбір қосындысына (
және
) активтік кедергі
-ға және реактивті кедергі
-ке тәуелді, ал кедергі әрбір қосындысы (
және
) активтік өткізгіштік
-ға және реактивтік өткізгіштік
-ға тәуелді.
3.3 Комплекстік
түрдегі электрлік қуат
Тізбек арқылы
синусойдалды тоқ өтіп жатыр және тоқтың
бағытымен кернеудің бағыты біртектес (3.6-сурет)

3.6-сурет. Тоқ және кернеудің болымды
бағыттары (а) және векторлық диаграммасы (b).
Комплексті тоқ
және кернеу тең:
![]()
Тоқтың
кернеуге қарай фазалық ығысу басты фазалардың айырымына
тең:
![]()
Кернеудің
комплексін
тоқ
-мен түйіндес
комплекстік
мәнге көбейтеміз,
![]()
Бұдан
комплекстік қуат шығады:
(3.26)
Сонымен,
комплекстік мәннің
нақты бөлігі активтік қуатты белгілейді, ал жорамал
бөлігі тізбекке түсетін реактивтік қуатты белгілейді.
Комплекстік
қуаттың модулі
толық
қуатқа тең.
![]()
![]()
![]()
3.4 Потенциалды
(типографиялық) диаграмма
Бұл диаграмма
берілген тізбектің потенциалы нөлге тең бір нүктеге
қарай бөлек нүктелерді комплекстік потенциалдары
салынған. Кернеу түсуі векторлардың орналасу тәртібі диаграммада
сұлбадағы тізбек элементтер орналасу тәртібіне қатал
сәйкес. Әрбір кейінгі элементің кернеу векторына аяғы
алдынғы элементтің кернеу векторының басына жалғасады.
Бұлай кернеулердің векторлық диаграммасын
құрғанда электр тізбектің әрбір нүктесіне
потенциалды диаграммада белгілі нүкте сәйкес.

3.7(а) -сурет. Тізбектің сүлбесі

3.7-сурет. Тізбектің сүлбесі (а) және
потенциалды диаграммасы (b).
Сүлбені айналып
өту
тоқтың
болымды бағытына қарсы.
Сүлбеде
элементтердің
орналасу тәртібіне сәйкес диаграммада кернеулердің векторлары
бейнелеген:
Векторлардың
басы мен аяқтары (3.7,b-сурет) сүлбеде алынған (3.7,а-сурет)
нүктелердің нөмірлеріне сәйкес номерленген.
Сүлбенің
қандайда болған екі нүктенің арасындағы кернеу,
мысалы, сүлбенің 2-4 бөлігінде потенциалдық диаграммада
диаграмманың 2 және 4 нүктелерін қосатын және
диаграммада 4 нүктеден 2 нүктеге бағытталған
векторымен
белгіленеді.
Сонымен, диаграммада
кернеу векторы жоғары (азайтылған) потенциалы бар нүктеге
бағытталады, ал сүлбеде кернеу жоғары потенциалы бар
нүктеден төмен потенциалы бар нүктеге қарай
бағытталған тілімен көрсетіледі.
1.2 Төртінші тарау
4 Электр
тізбектердегі резонанс
4.1
Тармакталмаған тізбектегі резонанс (кернеулер резонансы)
Индуктивтік
орауыштары және конденсаторлары бар тізбектерде кіріс кедергісі немесе
кіріс өткізгіштігі нөлге тең болғандағы ережені резонанас
деп атайды.
Кернеулер
резонансы индуктивтігі және сыйымдылығы бар тізбектеп
қосылған участіктерден құралған электр тізбекте
байқалады.
Кернеулер резонансы
кезде тізбектің бір бөлігінде индуктивтік кедергі онымен тізбектеп
қосылған бөлігінде сыйымдылық кедергімен
өтемделеді. Бұның нәтижесінде тізбектегі реактивтік
кедергі және реактивтік қуат нөлге тең болады.
Элементтер
тізбектеп
қосылған тізбекті (4.1-сурет) жиі тербелмелі контур деп атайды.

4.1-сурет. Тізбекті тербелмелі контур.
Мұндай
тізбектің комплекстік кедергісі жиіліктен тәуелді:
(4.1)
Кернеулер
резонансы орнатылады егер де мындай теңдік болса
(4.2)
-резонанстық бұрыштық жиілік, оның
шамасы (4.2) теңдеуден тең:
(4.3)
кезде индуктивтіктегі
және сыйымдылықтағы фаза бойынша қарсы
кернеулердің мәндері бір-біріне тең (4.2-сурет),
сондықтан кернеулер резонансы деп атайды.

4.2-сурет.
Кернеулер резонанстың векторлық диаграммасы.
Резонанс ережеге жету
үшін көздің жиілігі немесе тізбектің параметрлерін
(
немесе
) өзгерту керек.
(4.4)
-тізбектің (контурдың) сипаттамалық
кедергісі деп аталады.
Индуктивтіктегі
немесе сыйымдылықтағы кернеудің резонанас кезінде тізбекке
ынта салған кернеуге қатынасын:
(4.5)
конурдың сапалығы немесе резонанстың
коэффициенті деп атайды.
Резонанс кезде
толық кедергі
, ал тізбектің қысқыштарындағы кернеу
активтік кедергідегі кернеуіне тең. Сол себептен
тоқ берілген
кернеу кезде
өте үлкен
мәнге жетеді.
Сонымен бірге индуктивтіктегі және сыйымдылықтағы кернеулер
резонанс кезде тізбектің қысқыштарындағы кернеуден
едәуір үлкен болды.
Тізбектің
магнит және электр өрістердің қосынды энергиясы
резонанс кезде тең:
, (4.6)
яғни магнит және электр
өрістердің энергиясы уақыт бойынша өзгермейді. Электр
өрістің энергиясының азаюы магнит өрістің
энергиясының үлкеюімен өтеді және керсінше.
Тізбекке (4.1-сурет)
кернеу
салынып тұр.
Оның амплитудасы тұрақты, ал жиілігі
-ден
-ке дейін шектерде өзгеріп тұр.
Жиіліктің
өзгеруі тізбектің параметрлерін өзгертеді, яғни
реактивтік кедергіні және
бұрышын (комплекстік
кедергінің аргументі).
Тізбектің
параметрлерінің жиіліктен тәуелділіктері тізбектің жиілік
сипаттамалары деп, ал тоқтың және кернеудің
мәндерінің жиіліктен тәуелділіктері – резонанстық
қисықтар деп аталады.
4.3-суретте жиілік
сипаттамалар, ал 4.4-суретте резонанстық қисықтар
көрсетілген.

4.3-сурет. Жиілік сипаттамалар.

4.4-сурет. Резонанстық қисықтар.
кезде кернеу
уақат бойынша өзгермейді, сондықтан тоқ нөлге
тең. Жиілік
-ден
-ге дейін өзгергенде
сыйымдылық
түрлі болады да ![]()
-ден
-ге дейін өзгереді. Сондықтан тоқ
-ден ең үлкен мәнге дейін
өседі, ал
кернеумен тоқтың арасындағы фаза ығысу
-ден
-ге дейін өзгереді.
Жиілік
-ден
-ге дейін өскенде реактивтік кедергі
-ден
-ге дейін өседі және индуктивтік түрлі
болады. Соның салдарынан, тоқ максималды мәннен
-ге дейін азаяды, ал бұрыш
нөлден
-ге дейін үлкееді.
Индуктивтіктегі
кернеу
, яғни екі көбейткіште жиілікке тәуелді.
Жиілік
-ден
-ге дейін өзгергенде кернеу
өседі.
Сыйымдылықтағы
кернеу
. Жиілік
кезде тоқ
жоқ, сондықтан
. Жиілік
нөлден
өскенде
өне бойы
төмендейді. Кернеу
алдымен өседі
де
кезде максимумға
жетеді, себебі тоқ өседі. Содан кейін
азайғандықтан
төмендейді,
кезде
, ал сол себептен
.
4.2
Тармакталған тізбектегі резонанс (тоқтардың резонансы)
Екі параллельді
тармақтары бар: біреуі – кедергімен және индуктивтікпен,
екіншісі-кедергімен және сыйымдылықпен тізбекті
қосылған сүлбені қарап шығайық.(4.4-сурет).

4.5-сурет. Параллельді тербелмелі контур.
Мұндай
тізбекті параллель тербелмелі контур деп атайды. Резонанс кіріс реактивтік
өткізгіштік тең:
немесе
(4.7)
болған кезде басталады.
(4.7) ара
қатынасқа
және
тізбектің
параметрлары және жиілік арқылы көрсетілген мәндерін
қойып, табамыз:
(4.8)
(4.8)
теңдеуді жиілік
қарай
шешемізде, резонанстық бұрыштық жиілік үшін келесі
көріністі табамыз:
(4.9)
Резонанс
құбылысы мүмкін, егер де түбір астындағы
көріністің (4.9) болымды таңбасы болса. Егер де
болса, онда тізбек
қандайда болған жиілікте резонанс ережеде болады.
4.6-суретте
резонанс кездегі векторлық диаграмма көрсетілген.

4.6-сурет. Тоқтар резонанс кездегі векторлық
диаграмма.
Индуктивтік
және сыйымдылық тармақтардағы тоқтар активтік
және реактивтік
құрастырушылардан құрылады. Резонанс кезде
. Неғұрлым
және
және
кіші болса,
соғұрлым
және
арасындағы фаза
ығысу бұрышы
жақын. Егер де
болса, онда
тоқтар
және
кернеуге
қарағанда
және
бұрыштарға ығысады, ал өз ара
. Бұл жағдайда
болады.
Тізбектің кіріс кедергісі шексіз үлкен. Тармақтардағы
тоқтар бір контурлық тоқты
құрады
да, ол тоқ контурдың ішінде тұйықталады.
Идеалды параллельді
контурдың (4.7-сурет), яғни
кезде,
таратылмаған бөлігінде
резонанстық
қисықты саламыз.


4.7-сурет. Идеалды тербелмелі
контур.
4.8-сурет. Резонанстық қисықтар.
Тоқ
, сондықтан
қисық
сәйкесті масштабта тоқтың резонанстық
қисығы
болады. Жиілік
кезде
тоқтар
резонансы өтеді.
Күрделі
айнымалы тоқ электр тізбектерді есептеу әдістері:
а) контурлық
тоқтар әдісі
Контурлық
тоқтар және түйінді потенциалдар әдістерді
күрделі тұрақты тоқ тізбектерді есептеу үшін
қолдануы бірінші тарауда көрсетілген. Айнымалы тоқ
тізбектерді есептеу кезде бұл әдістерде кең қолданады.
Есептеуге қолданатын теңдеулерге кіретін шамалар комплексті
түрде кіреді.
Контурлық
тоқтар әдісі бойынша тармақтағы тоқтардың
орнына Кирхгофтың екінші заңы бойынша контурларда
тұйықталатын контурлық тоқтар анықталады.

4.9-сурет. Күрделі электр тізбектің
сұлбасы.
және
- конурлық
тоқтар.
және
кедергілер
арқылы өтетін
және
тоқтарға
тең, ал
кедергі арқылы
бұл тоқтардың бағыттарына қарап
тоқтардың қосындысына немесе айырымына тең.
Контурлық
тоқтар үшін жазылатын теңдеулер саны тәуелсіз конурлар
санына тең, яғни түйіндер саны
және
тармақтар саны
бар электр тізбек
үшін контурлық тоқтарды табуға
теңдеуді
құру керек.
Контурға
кіретін комплекстік кедергілердің қосындысын контурдың
өздік кедергісі деп, ал екі және одан көп контурларға
жататын комплекстік кедергі – бұл контурлардың – ортақ
кедергісі деп аталады.
Контурлық
тоқтың болымды бағыты еркінше алынады.
Берілген
электр сүлбе үшін (4.9-сурет) Кирхгофтың екінші заңы
бойынша екі теңдеу жазылады:
![]()
мұнда
және
- I және II контурлардың өздік кедергілері;
-I және II контурлардың ортақ кедергісі.
Егер де
берілген электр сүлбеде
тәуелсіз
контурлар болса, онда Кирхгофтың екінші заңы бойынша
теңдеуден
жүйе болады:
(4.10)
мұнда
-
контурдағы контурлық ЭҚК
, яғни контурдағы ЭҚК-тердің
алгебралық қосындысы;
-
контурдың өздік кедергісі;
-
және
контурлардың
ортақ кедергісі.
Контурлық
тоқтарды (5.1) кернеулерді анықтауыштардың көмегімен
табуға болады.
Жүйенің
анықтаушысы

ж.т.с
![]()
б) түйіндік
потенциалдар әдісі
Жоғарыда
айтылғанда бұл әдіс Кирхгофтың бірінші заңын
және Омның заңын қолдануға негізделген.
Күрделі электр тізбектің қайсысы болған
түйінің (базистік түйін) потенциалын нөлге тең
деп алуға болады. Басқа түйіндермен базистік
түінің арасындағы кернеу сол түйіндердің потенциалы
болады. Бұл потенциалды тармақтың өткізгіштігіне
көбейткенде сол тармақтағы тоқ табылады. Сонымен,
егерде электр тізбектегі түйінді потенциалдарды тапсақ, онда
тармақтардың тоқтарын табамыз.

4.10-сурет
Кирхгофтың бірінші заңы бойынша 1 және
2 түйіндер үшін
:

![]()
![]()
Егер де электр
тізбекте
түйіндер болса,
ал
-ші түйіннің потенциалы нөлге тең
болса, онда басқа түйіндердің
потенциалдарын табу
үшін
теңдеуді
құру керек:
(4.11)

ж.т.с
![]()
Бесінші тарау
5.1 Тізбектің индуктивтік
байланысқан элементтері
Егер де тізбектің бір элементіндегі токтың
өзгеруі тізбектің екінші элементінде ЭҚК-ті
құруға келтірсе, онда бұл екі элемент индуктивті
байланысқан болады, ал пайдалы болған ЭҚК өзара
индукцияның ЭҚК-і деп аталады.
Тізбектің екі элементінің индуктивтік
байланысы К байланыс коэфицентімен сипатталады
(5.1)
мүндағы М-тізбектің
элементтерінің өзара индуктивтігі; L1 және L2
-элементтердің
индуктивтіктері.

5.1-сурет 5.2-сурет
5.1-суретте бірінші орауышта і1 ток аққан
кездегі магнит өрістің суреті көрсетілген.
Бірінші орауыштың орамдары Ф11 өздік индукциясының
магнит ағынымен ілініскен, ал екінші орауыштың
орамдары Ф21 өзара индукцияның магнит ағынымен
ілініскен. Өздік және өзара индукцияның ағын
ілінісулер
(5.2)
мүндағы W1
және W2-орауыштардың орам сандары.
Бірінші орауыштың индуктивтігі және
орауыштардың өзара индуктивтігі.
(5.3)
5.2 –
суретте екінші орауыштан
ток
аққан кездегі магнит өрістің суреті көрсетілген
(5.4)
Орауыштардың арасындағы индуктивтік байланыс
орауыштарды бір-біріне жылжыту аркылы өзгертуге болады.
Өзара индукциямен себебші болған
ЭҚК-тердің және кернеулердің абсолюттік мәндері
(электромагнит индукциясының заңы),
(5.5)
Бұл шамалардың таңбаларын білу
үшін тізбектің индуктивтік байланысқан элементтерінің
шықпаларын арнайы белгілейді.
Тізбектің индуктивтік байланыскан элементтердің
екі шықпаларын аттас деп атайды және бірдей белгіше береді келесі
тәртіпті қолданып: аттас шықпаларға қарай тоқтардың бағыттары
бірдей болса әрбір элементте өздік және өзара индукциясының магнит ағындары
қосылады.
Бұл тәртіпті 5.3,
а-суретте көрсетілген орауыштардың шыкпаларын белгілеуге
қолданамыз.
|
|
Ток і1, шықпа а-дан
шықпа в-ға бағытталғанда және ток і2
шықпа с-дан шықпа d-ға бағытталғанда өздік индукцияның
ағындары Ф11 және Ф22 өзара
индукцияның ағындары Ф12 және Ф21-лармен
қосылады. Сондықтан а шықпа с шықпамен,
ал в шықпа d шықпамен аттас.
5.3-сурет
Сурет 5.3,6
көрсетілген орауыштар үшін аттас болатын шықпалар а1
және d1, в1 және с1.
Алдындағымен айырмасы екінші орауыштың орамдарының орау
бағыты басқа
болғанда.
Өздік
индукциясының кернеулерінің және ЭҚК-терінің
лезді мәндері.
(5.6)
Комплексті мәндері үшін
(5.7)
(5.7) көрініп түр U1M - кернеу І2 токтан p/2 немесе -p/2 бүрышка ығысып тұр. Бүл бұрыштың таңбасы аттас шықпаларға
қарай U1M және I2M, болымды бағыттарының таңдауына
тәуелді.
(шаманың
өлшемі кедергіге тең [Ом]) өзара индукцияның кедергісі деп аталады да Хм
деп бедгіленеді.
шама өзара индукцияның комплекстік кедергісі деп
аталады да ZM белгіленеді.
Сонымeн, ZМ =
=
(5.8)
5.1 Тізбектің
индуктивтік байланысқан элементтердің тізбектеп және
параллелді косылуы
Кедергілері
R1 және R2 индуктивтіктері L1 және
L2 жәнe өзара индуктивтіктері М екі орауыш тізбектеп
косылып тұр. Қосылудың екі түрі бар-келісімді (5.4,а-сурет) және
қарсы (5.4,б-сурет).
Келісімді косылған кезде әрбір
уакытта екі элементтердегі токтардың бағыттары аттас
шықпаларға қарай бірдей, сондықтан әрбір
элементпен ілініскен өздік индукцияның магнит ағындары Ф11
(немесе Ф22 ) және өзара индукцияның магнит ағындары Ф12 (немесе Ф21)
бір-бірімен қосылады. Қарсы косылғанда тізбектің екі
элементтерінде әрбір уақытта аттас шықпаларға
токтардың бағыттары қарама-қарсы, сондықтан әрбір
элементпен ілініскен өздік индукцияның және өзара индукцияның магнит ағындары
бір-бірінен алынады.
5.4-сурет
Екі
тізбектеп косылған
индуктивтік байланыскан элементтердің индуктивтігі
(5.9)
мұндағы
, және
-бірінші
және екінші элементтердің ағын ілінісулері, сонымен бірге
. Оң таңба келісімді
қосылғанға, теріс таңба қарсы
қосылғанға жатады. Сондыктан
L
= L1+L2
2М (5.10)
Элементтердегі
кернеудің үш құраушылары бар:
(5.11)
Тізбектің комплексті кіріс кедергісі, (5.11) еске
алғанда, тең
(5.12)
мұндағы ![]()

5.5-сурет
5.5-суретте келісімді (а) және қарсы (б) қосылу үшін векторлык диаграммалар көрсетілген. 5.6-суретте тізбектің екі элементі (екі ораушы) кедергілері R1 және R2, индуктивтіктері L1 және L2, өзара индуктивтігі М параллельді қосылған, ал олардың аттас шыкпалары бір түйінге қосылған.
(5.13)
мұндағы ![]()
(5.13)теңдеулер жүйесін шешкенде, шығады:
(5.14)

5.6-сурет
Тізбектің комплексті кіріс
кедергісі
(5.15)
Енді орауыштар 1 түйінге аттас емес
шықпалармен қосылып тұрғанда қарайық.
(5.16)
(5.17)
5.3 Өзара индуктивтік бар кезде тармақталған тізбекті
есептеу
Бұл жағдайда есептеу Кирхгофтың
теңдеулері бойынша немесе контурлык ток әдісімен
өткізіледі. Түйінді потенциалдар әдісі колданбайды.
Теңдеулерді
Кирхгофтың екінші заңы бойынша құрғанда
өзара индукцияның ЭҚК-і үйлесімді
теңдеу ретінде есептеледі. К элементтегі ±
комплекстік кернeудің таңбасы К элементті аралап
шығу бағытымен 8 элeменттегі токтың болымды бағытын салыстыру аркылы белгіленеді. Егер де бұл
бағыттар аттас шықпаларға
карай біршамада болса, онда кернеу тең
. Егер
де ондай болмаса, онда кернеу тең
±![]()

Контурлык токгар
үшін Кирхгофтың екінші заңы бойьнша теңдеулерді келтірейік: 

5.7-сурет
Қысқаша теңдеулерді былай
жазуға болады:


1.3 Алтыншы тарау
6 Үшфазалы электр тізбектер
6.1 Үшфазалы электр тізбектер туралы түсінік
Үшфазалы электр тізбекті бір біріне
бұрышқа
ығысқан бірдей жиіліктері бар ЭҚК-тер әрекет істейтін
үш бірфазалы жиынтығы деп білуге болады. Бұл үшфазалы
тізбектін үш бөлігі фазалар деп аталады (А,В және С фазалар).
6.1-суретте фазалары электр байланыспаған
үшфазалы тізбек көрсетілген. Мұндай үшфазалы тізбектер
байлаулы емес деп аталады (қазіргі уақытта қолданбайды).

6.1-сурет. Байлаулы емес үшфазалы электр тізбек
ЭҚК-тердің амплитудалары және
фазадағы кедергілер бірдей болғанда
токтардың
шамалары бірдей және олар
бұрышқа
ығысқан.
Бұл токтардың қосындысы қандай
болған уақыт мезгілде нөлге тең, сондықтан, егер
де токтар қайтатын үш сымды біріктірсек, онда ол біріккен
сымдағы ток нөлге тең болады, сол себептен ол сымды алып
тастап 6.2-суреттегі тізбекке көшуге болады.

6.2-сурет. Байлаулы үшфазалы электр тізбек
Байлаулы үшфазалы электр тізбекті құру
үшін үшфазалы синхронды генератор пайданалады. ЭҚК-терді
түрлендіретін орамалар статордың ойықтарында орналасады.
Фазалардың орамалары бір біріне қарай
бұрышқа
ығысқан.


6.3-сурет. Үшфазалы синхронды 6.4-сурет. Синхронды гене-
генератор ратордың
векторлық диаграммасы
Ротор айналған кезде орамаларда амплитудалы
және жиіліктері бір-біріне тең және
бұрышқа
ығысқан Э.Қ.К-тер пайда болады. Бұл ЭҚК-терді
бейнелейтін векторлар модуль (шама) бойынша бірдей және бір-біріне
ығысқан
(6.4-сурет). Үшфазалы генератордың лезді ЭҚК-тер 6.5-суретте
көрсетілген, ал олардың аналитикалы көріністері:
Техникалы және үнемділі
артықшылықтары үшфазалы токқа бүгінгі
электротехникада бастаушы орынды қамтамасыз етеді.
6.2 Жұлдызша және үшбұрышты
жалғанған электр тізбектер
Фазалық ораманың екі шықпасы бар,
оларды ораманың басы және аяғы деп атайды.
6.2-суреттегі сүлбеде үшфазалы
генератордың орамаларының қосылуы жұлдызша деп аталады;
генератордың фазалық орандарының аяғы бір ортақ
нүктеде қосылған. Келесіде жұлдызша қосылуды
6.5-суреттегідей көрсетеміз. Генератордың фазалық орамдарының ортақ нүктесі бейтарап нүкте деп
аталады. Талаптарға қарай бейтарап нүкте N бөлек
шықпаға шығарылады.

6.5-сурет.
Үшфазалы генератордың жұлдызша қосылуы.
Генератордың орамаларын үшбұрышты
қосқан кезде бір фазаның басын екінші фазаның
аяғымен, екінші фазаның басын үшінші фазаның
аяғымен, үшінші фазаның басын бірінші фазаның
аяғымен қосады
(6.6-сурет).

6.6-сурет.
Үшфазалы генераторды үшбұрышты қосу.
Үш орама тұйықталған үшбұрышты
құрады, ал ЭҚК-тердің қосындысы нөлге
тең. Генератордың қосылған орамалардың
ортақ нүктелерін сызықты сымдарға немесе
жүктемеге қосады. Үшфазалы тізбекте жүктемеде немесе
үшбұрышты немесе жұлдызша қосылуы мүмкін.
6.3 Үшфазалы тізбекті симметриялық ережесі
Үшфазалы тізбекті және үшфазалы
қабылдағышты егер де барлық фазалардың комплекстік
кедергілері бірдей болса симметриялық деп атайды, ал болмаса –
симметриялық емес ереже дейді.
6.8-суретте симметриялық ереже кезде 6.7-суретте
көрсетілген сүлбе үшін және жүктеме индуктивтік
түрде болғанда
топографикалық
және токтардың диаграммалары келтірілген.

6.7-сурет.
Генератор және қабылдағыш 6.8-сурет.
Топографика-
жұлдызша
қосылған сүлбе. лық және
токтар
диаграммалар.
Сызықтық кернеулер фазалық
кернеулердің айырымдарына тең:
(6.2)
Тең бүірлі үшбұрыш ANB-ден
шығады:
немесе
(6.3)
6.10 суретте симметриялық ереже кезде 6.9-суретте
көрсетілген сүлбе үшін және
болған кезде
топографикалық және токтарды диаграммасы келтірілген.

6.9-сурет.
Генератор және қабылдағыш 6.10-сурет. Топографи-
үшбұрышты қосылған сүлбе. калық және
токтар
диаграммалар.
Сызықты токтар фазалық токтардың
айырымдарына тең:
(6.4)
Симметриялық үшфазалы
қабылдағыштың активтік қуаты тең:
(6.5)
Қабылдағыштың тармақтарын
жұлдызша қосқанда
және
, ал қабылдағыштың тармақтарын
үшбұрышты қосқанда
және
болатынын есекке
алғанда қосудың түріне тәуелсіз шығады:
(6.6)
Бұл кейіптемедегі
-фазалық кернеумен фазалық токтың
арасындағы бұрыш (фазалық ығысу).
Үйлесті реактивтік және толық
қуаттар үшфазалы қабылдағыш үшін:
(6.7)
Симметриялық тізбекте (6.11-сурет) токтарды
симметриялық ережеде есептеу тәртібін қарайық.

а) б)

в)
6.11-сурет.
Берілген симметриялы тізбек (а), түрлеген симметриялық тізбек (б),
бірфазалы есептеу тізбек (в).
Көркендіру көздің кернеу және
1,2,3,4 тізбектің элементтерінің кедергілері берілген. Есептеуді
өткізу үшін көріктендіру көздің және 4
элементтерінің үшбұрыштан жұлдызшаға алмастыру
керек. Симметриялық жұлдыздың фазалық кедергілер
баламалы симметриялық үшбұрыштың кедергілерінен 3 есе
аз. Баламалы көріктендіру көздің фазалық кернеулері
берілген сызықтық кернеулерден
есе аз.
Сонымен, 6.11, б-суретте көрсетілген сүлбеге
келеміз. Симметриялық ережеде бейтарап нүктелердің
потенциалдары бірдей. Сондықтан, сүлбенің ережесін
бұзбай оларды кедергісі жоқ сыммен бір бірімен қосамыз
(үзік-үзік сызық). Содан кейін сүлбеден екі фазаны
шығарып тастап 6.11,в-суреттегі сүлбеге келеміз. Бұл
жағдай қалған А фазаның ережесін өзгертпейді.
Бірфазалы сүлбедегі токтар жеңіл табылады. В
және С фазадағы токтар модуль бойынша А фазадағы
токтарға тең, ал аргумент бойынша
бұрышқа
қалады және озады. Үшбұрыштың
тармақтарындағы ток элемент 3 өткен токтан
есе аз.
6.4 Үшфазалық тізбектің симметриясыз
ережесі
Үшфазалы
тізбекте симметриясыздық бірнеше себептен болуы мүмкін:
-
фазалардың кедергілерінің тең болмаумен (симметриясыз
жүктеме); -
симметриясыз қысқа тұйықталумен (мысалы, екі фаза
арасында);
-
фазаның ажыратылумен;
-
ЭҚК-тердің айырмашылығымен және т.б.с.
1.Бейтарап сымы бар жұлдызша қосылған
симметриясыз үшфазалы тізбек
. 6.12-суретте көрсетілген симметриясыз үшфазалы
тізбектің екі түйіні болғандықтан түйінді
потенциалдар әдісін қолданамыз.

6.12-сурет.
Бейтарап сымы бар жұлдызша қосылған симметриясыз
үшфазалы тізбек
(6.18)
мұнда
-сәйкесті
тармақтардың өткізгіштіктері.
Содан кейін тармақтардағы Ом заңы
бойынша токтарды табамыз:

Егер де фаза немесе бейтарап сым ажаратылса, онда сол
фазаның немесе бейтарап сымның
өткізгіштігі нөлге тең болады.
Мысалы, бейтарап сым жоқ кезде
шығады:
(6.10)
2. Шықпаларында берілген сызықты кернеулері
бар жұлдызша қосылған симметриясыз үшфазалы
жүктеу (6.13-сурет).

6.13-сурет
![]()
Кирхгофтың бірінші заңы бойынша:
(6.11)
және
фазалық
кернеулер
және берілген
сызықты кернеулер арқылы мынаған тең:
(6.12)
(6.13)
Сол сияқты
және
фазалық
кернеулер үшін:
(6.14)
3. Шықпаларында берілген кернеулері бар
үшбұрышты қосылған симметриясыз үшфазалы
жүктеме (6.14-сурет).

6.14-сурет. Үшбұрышты қосылған
симметриясыз үшфазалы жүктеме.
Жүктеменің кедергілендегі токтар тең:

Сызықтағы токтар жүктеменің
сәйкесті токтарының айырымы ретінде табылады: ![]()
6.5 Симметриясыз үшфазалы тізбектің
қуаты
Үшфазалы тізбектің толық қуаты
комплексті түрде тең:
(6.15)
Бұл теңдеудің нақтылы
бөлігі активтік қуат болады:
(6.16)
Симметриясыз үшфазалы тізбектің
тұтынытын қосынды активтік үш ваттметрлердің
көмегімен өлшеуге болады. Ваттметрлердің кернеу орауыштары
фазалық кернеулерге қосылады, ал ток орауыштар сол сәйкесті
фазаларға тізбектеп қосылады (6.15-сурет). Активтік қуат
үш ваттмердің қосында көрсетуіне тең, яғни ![]()

6.15-сурет. Бейтарап сым бар кезде қуатты
өлшеу.
Егер де бейтарап сым жоқ болса, онда қуатты
екі ваттметр көмегімен өлшеуге болады.

6.16-сурет. Қуатты екі ваттметрмен өлшеу.
Бұл жағдайда (6.15) көрініс келесі
түрде түрлендіріледі: ток
мынаған
тең деп алып
табамыз:
(6.17)
(6.17) көрініп тұр: қуатты екі
ваттметрмен өлшеген кезде бір ваттметірдің кернеу орауышы
сызықты
кернеуге қосылады, ал ток орауышы А фазаға тізбектеп
қосылады, екінші ваттметрдің кернеу орауышы
сызықты
кернеуге қосылады, ал ток орауышы В фазаға тізбектеп
қосылады, сондықтан
.
1.4
Жетінші
тарау
2
7 Симметриялық
құраушылар әдісі
7.1
Симметриялы емес үш фазалы жүйе шамаларының
симметриялық құраушылары.
Симметриялы
құраушылар әдісі кез келген симметриялы емес үш фазалы
жүйе шамаларын (токтар, кернеулер) үш симметриялы жүйе
шамаларының қосындысы түрінде көрсутіге негізделген.
Жиынтықта симметриялы емес үш фазалы жүйені
құратын бұл симметриялық жүйелер
симметриялық құраушылар деп аталады. Симметриялық
құраушылар бір-бірінен фазалардың алмасу реттіліктермен
ерекшеленеді, яғни қалай фазалық шамалар максимум
арқылы өту ретімен. Олар тура, кері және нөлдік
реттілік жүйлер деп аталады.
Тура, кері
және нөлдік реттіліктеріне жататын шамаларды сәйкесті 1,2
және 0 таңбалармен белгілейді (1-сурет)


Тура реттілік жүйенің фазалардың алмасу
реті А,В, және С. Кері реттілік жүйенің фазалардың
алмасу реті А, С, және В. Нөлдік реттілік жүйе бір-бірімен
фаза бойынша біртектес үш бірдей шамалардан құралады.
7.1- сурет. Тура (а), кері (в) және нөлдік
(с) құраушылар.
Бұл үш жүйелер үшін жазуға
болады:
(7.1)
(7.2)
(7.3)
Фазалық көбейтуші
арқылы жазғанда:
(7.4)
(7.5)
Бұдан басқа
(7.6)
тең және
векторлардың симметриялы жүйесін құрады (2-сурет).
Кез келген
және
симметриялы емес
векторлардың жүйесін тура, кері және нөлдік
симметриялық құраушыларға ыдыратуға болатынын
дәлелдейік.
Егер олай болса, онда
![]()
![]()
Бұл теңдеулерде симметриялы
құраушылардың барлық векторларын (7.3), (7.4)
және (7.5) қатынастарын пайданалып
және
векторлар
арқылы көрсетуге болады:
(7.10)
(7.11)
(7.12)
Табылған үш теңдеуден
және
векторларды бір
қатарлы белгілеуге болады, ал бұл жағдай берілген симметриялы
емес
және
векторлардың
жүйесін үш симметриялы жүйелерге ыдырауының
мүмкіндігін дәлелдейді.
(7.10)-(7.12) теңдеулерді қосқаннан
кейін шығады:
(7.13)
Бұдан (7.6) есепке алғанда
(7.14)
(7.11) теңдеуді а-ға және (7.12)
теңдеуді
-ға көбейтіп, ал содан кейін (7.10)-(7.12)
теңдеулерді қосып табамыз:
(7.11) теңдеуді
және (7.12)
теңдеуді а-ға көбейтіп, ал содан кейін (7.10)-(7.12)
теңдеулерді қосып табамыз:
(7.15)
7.2 Токтардың және кернеулердің
симметриялы құраушыларына қатысты үш фазалы
тізбектердің кейбір қасиеттері
Кернеулердің және токтардың симметриялы
емес жүйлері тек апат ережелерде туады. Апат ережелерге бір немесе екі
фазалардың қысқа тұйықталуы, фазаның
үзіліп ажырауы, электр машиналарда және трансформаторларда пайда
болатын симметриялы емес кернеулер мен токтар. Бұл ережерлерді есептеу
үшін симметриялы құраушылар әдісі қолданады.
Үш фазалы тізбектерде сызықтық
кернеулердің қосындысы нөлге тең, сондықтан
сызықтық кернеулерде нөлдік құраушы реттілік
болмайды.
![]()
Егер де симметриялы емес ережеде ток бір немесе екі
фазада жоқ болса (бір немесе екі фазада үзіліс болса), онда
бұл фазалардағы токтардың симметриялық
құраушылардың қосындысы нөлге тең.

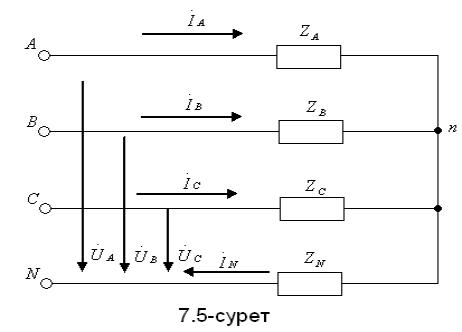
7.3-суретте көрсетелген сүлбеде В және
С фазалар ажырап тұр
(7.13-7.15)
қолданып, табамыз
![]()
![]()
![]()
7.4-сурет
7.4-суретте токтың
векторы бейнеленген
(а) және барлық үш фазалардың токтарының
симметриялық құраушылар жүйелердің
векторлық диаграммалары келтірілген (в). Токтардың
симметриялық құрастырушылардың векторларының
қосылуы (с) көрсетіп тұр.
![]()
![]()
![]()
7.3 Токтардың әртүрлі реттіліктері
үшін симметриялы үш фазалы тізбектің кедергілері
Егер де
симметриялы үш фазалы тізбектің шықпаларына кернеудің
тура, кері және нөлдік реттіліктері бар токтардың симметриялы
жүйесі ынта салынса, онда бұл тізбекте сол сияқты
реттіліктері бар токтардың симметриялы жүйесі пайда болады.
Комплексті фазалық кернеудің тура, кері және нөлдік
реттіктерінің сәйкесті фазалық комплексті токтардың
тура, кері және нөлдік
реттіліктеріне қатынасы сәйкесті
тізбектің комплексті кедергісінің тура
, кері
және
нөлдік
реттіліктері деп
аталады.
Кез келген симметриялы үш фазалы статикалық
тізбектерде (айнымалы электр машиналар жоқ тізбектерде) ынта
салынған симметриялы кернеулердің ретін тура реттіліктен кері
реттілікке ауыстырса токтардың мәндері өзгермейді (оларды тек
реттілігі турадан керіге өзгереді). Сондықтан мұндай
тізбектер үшін тура және кері реттіліктің келергілері бірдей
.
Тізбекте
үш фазалы
симметриялы тізбекті қарайық
(7.5-сурет). Бұл тізбек үшін
.
кедергінің мәнін белгілейік.

Тізбектің шықпаларына симметриялы
жүйесінің фаза кернеулерінің нөлдік реттілігі
, ал содан кейін
,
және
теңдеуге
қойып табамыз ![]()
Мұндағы
.
Бейтарап (нөлдік) сым жоқ кезде нөлдік
реттілігі бар ток ақпайды:
.
Тізбектерді симметриялы құраушылар
әдісімен есептеген кезде әртүрлі реттіліктегі токтар
және кернеулер үшін бөлек сүлбелер қаралады.
Бейтарап сымдағы кедергі тура және кері реттіліктердегі
симметриялық құраушыларға әсер етпейді,
сондықтан бұл үшін токтардың реттіліктеріне
құралған сүлбелерде бейтарап сымдағы кедергі
көрсетілмейді.
Симметриялық токтардың және
кернеулердің нөлдік реттіліктері үшін сүлбеде бейтарап
сымдағы
кедергінің
орына осы кедергінің еселенген мәнін, яғни 3
кедергіні әр фазаға енгізеді ( 7.6-сурет).
Барлық есептер негізгі деп
аталатын бір фаза үшін өткізеді. Әдетте
негізгі фаза ретінде А фаза алынады. 7.6 –суретте токтардың және
кернеулердің әртүрлі реттіліктері үшін үш бір
фазалы сүлбелер көрсетілген. Бұл сүлбелер
қысқаша тура, кері және нөлдік реттіліктің
сүлбелері деп аталады.



7.6 –сурет
Электр машиналарда ![]()
Симметриялы құраушылар әдісімен
есептеген кезде электр қозғалтқыштар үш бөлек
тура, кері және нөлдік реттілік сүлбелермен
көрсетіледі. Электр генераторлардың сол сияқты сүлбеде ![]()
кедергімен тізбектеп
фазалық ЭҚК-дің көзі қосылды.
7.4 Симметриялы емес кернеулер жүйесі
Симметриялы емес кернеулер жүйесі
қосылған симметриялы тізбекбекте (7.7,б-сурет) токтарды белгілеу
үшін, алдымен кернеулердің симметриялық
құраушыларын (7.13)-(7.15) кейіптемелерден табамыз:
![]()
![]()
![]()


а) б)
7.7-сурет
Токтардың симметриялық
құраушылары Ом заңы бойынша анықталады:

Мысал: Қозғалтқыштың
қысқыштарындағы сызықты кернеулер
,
қозғалтқыштың кедергілері
,
.
Сызықты токтарды табу керек
АВС үшбұрыштан табамыз ![]()
тең деп
алсақ, онда
және ![]()
Кернеулердің симметриялық
құраушыларын белгілейміз:
![]()
![]()
Ом заңы бойынша токтардың симметриялық
құраушыларын табамыз:
![]()
Токтардың симметриялы құраушылары
арқылы және (7.10)-(7.12) кейіптемелерді қолданып
сызықты токтарды табамыз:
![]()
![]()
Токтардың әрекет мәндері:
![]()
7.5 Симметриялы емес үш фазалы тізбекте
токтардың және кернеулердің симметриялық
құраушылары:
а) симметриялы емес жүктемесі бар тізбекті есептеу
Әдетте симметриялы емес ережелер апатты
жағдайда пайдалы болады.
Симметриялы емес жағдайда екі түрге
көлденеңдік және бойлық деп ажыратуға болады.
Көлденеңдік симметриясыздық үш фазалы тізбекке
симметриялы емес жүктемені қосқан кезде пайда болады.
Оларға қатысты әртүрлі қысқа
тұйықталудың түрлері (фазалар арасындағы
қысқа тұйықталу, бір немесе екі фазаның жерге
қосылуы). Бойлық симметриясыздық фазаларға бірдей емес
кедергілер қосылғанда немесе желінің бір немесе екі
фазаның сымдары үзілсе (симметриялы емес желі бөлігі) пайда
болады.
Үш фазалы тізбектердегі симметриялы емес ережелерді
есептеу кезде теңгермелік принципті қолданады. Ол үшін
симметриялы емес жүктемені немесе симметриясыз бөлігін кернеу
көздерімен ауыстырады, олардың мәндерін есептеу біткенше
өзгермейді. Осындай ауыстырудан кейін барлық тізбек симметриялы
құраушылары бір-біріне тәуелді емес.
Құрамында симметриялы динамикалық
және
симметриялы емес статикалық жүктемелері бар сүлбені
(7.8-сурет) симметриялы құраушылар әдіспен есептеуді
қарап шығайық.

7.8-сурет
Генератордың ЭҚК-і және сүлбенің
элементтерінің кедергілері берілген.
Токтарды және кернеулерді табу керек.
Симметриялы емес жүктемені алып
және
кернеулері бар
үш ЭҚК көздерімен ауыстырамыз.
А фазаның негізгі фаза ретінде алып
және
кернеулері
және
симметриясы
құраушылары жіктейміз, сонда симметриялы сүлбені аламыз
(7.9-сурет).
Демек симметриялы емес жүктемелер орына үш
көректендіргіш көздер жүйесі кернеулерінің тура, кері
және нөлдік реттіліктері орын алады.
![]()
![]()
![]()

7.9-сурет
Симметриялы тізбекте симметриялы кернеулер
жүйесінің кейбір реттілігі симметриялы токтар жүйесінің
сол реттілігін туғызады. Сондықтан, үш бір-біріне
тәуелсіз сүлбелерді құруға болады (7.10-сурет).



а)
б) в)
7.10-сурет
Тура, кері
реттілік сүлбе түрлері әр уақытта бірдей,
сүлбенің нөлдік реттілігі әдетте ерекше. Бұл
мысалды нөлдік реттілік тармақсыз болады, себебі
.
Бейтарап сымның кедергісі сүлбеде
тең екенін есте
сақтау керек. Содан кейін есетті өткізу үшін бөлек
реттіліктердің сүлбелерін қарапайым түрге келтіреміз,
бұл кезде белгісіз
және
кернеулер бар
тармақтарға тиіспей қою керек.
(10,а)–суреттегі сүлбені түрлендіру
үшін генератордың және симметриялы
қабылдағыштың тармақтарын эквивалентті генератормен
ауыстырамыз.

![]()


а) б)
7.11-сурет
Тура (а), кері(б) реттіліктердің эквивалентті
сүлбелері. Осы мысалда нөлдік реттіліктің сүлбесін,
қарапайым болғандықтан, түрлендіру қажетті емес.
Әрбір үш сүлбе үшін
Корхгофтың екінші заңы бойынша теңдеулерді жазамыз:

мұндағы ![]()
Бұл үш теңдеуде алты белгісіз ![]()
Бұл алты белгісіздерін байланыстыратын
қосымша үш теңдеу берілген сүлбе және симметриялы
емес қабылдағыштың параметрлері арқылы
құрылады.
(7.12,а)-суреттегі қабылдағыш үшін
![]()
![]()
(7.12,б)-суреттегі қабылдағыш үшін
![]()
![]()


а)
б)
7.12-сурет 7.13-сурет
Статикалық симметриялы емес жүктеменің
басқа түрлеріне осындай ұқсастық бойынша
қосымша теңдеулер құрылады.
Негізгі және қосымша теңдеулерді
біріктіріп шешіп А фаза тоғының симметриялы
құраушыларын анықтайды (симметриялы емес
тармақтарында). Содан кейін тура, кері және нөлдік
реттіліктердің сүлберін бөлек тармақтары бойынша осы
құраушылардың тарауын табады. Кез-келген тармақта
токтардың құрастырушыларын тапқаннан кейін әрбір
фазадағы нақтылы токты анықтайды және
әртүрлі реттіліктердің кернеу түсудің
құраушыларын анықтайды, ал содан кейін сүлбенің
бөлек бөліктеріндегі фазалық кернеулерді белгілейді.
7.13-суретте көрсетілген сүлбенің
ережесін есептейміз.
Қосымша теңдеулерді құрамыз:
![]()
![]()
![]()
(7.21) теңдеуде (7.20) алып, табамыз
немесе
. Бұл нәтижені (7.20) теңдеуге қойып
табамыз
, ал бұдан
шығады.
(7.18)
токтарды
тоққа ауыстырып, ал содан кейін үш
теңдеуді қосып (7.19) теңдеуді еске алып, табамыз
![]()
![]()
Кернеудің симметриялы құраушылары
(жерге тұйықталған жерде) (7.18) теңдеулерден
белгіленеді:
![]()
7.10,а суреттегі сүлбе үшін токтар тең:

7.10,б суреттегі сүлбе үшін:

7.10,в суреттегі сүлбе үшін:
.
Генератордың шықпаларындағы
кернеулердің симметриялы құраушылар: ![]()
![]()
![]()
б) желінің симметриялы емес бөлігі бар
тізбекті есептеу әдісін қарастырамыз. Генератордың ЭҚК
және сүлбедегі элементтердің кедергілері берілген. Токтарды
және кернеулерді табу керек.

7.14-сурет.
Бойлық симметриясыздық сүлбе
Сүлбенің симметриялы емес бөлігіндегі
кернеулері
белгісіз. Оларды
үш энергия көзімен ауыстырып кернеулерді
симметрялы
құраушыларына ажыратамыз. Содан кейін А фазасын негізгі деп алып
тура, кері және нөлдік реттіліктеріне үш сүлбе
құрамыз (14- сурет).
Бұл сүлбелер үшін Кирхгофтың
екінші заңы бойынша теңдеулер жазамыз:
![]()
![]()
![]()


а)
б)

в)
7.15-сурет. Тәуелсіз үш
симметриялы құраушылар сүлбелері.
Бұл үш теңдеулерде алты белгісіз бар: ![]()
Осы сүлбелерге сүйеніп және
тізбектің симметриялы емес бөлігіндегі параметрлеріне сүйеніп
қосымша үш теңдеуді құрамыз.


а) б)
7.16-сурет.
Әртүрлі симметриялы емес сүлбелер
7.15,а-суретте келтірілген қосымша үш
теңдеу
![]()
Қосымша теңдеулердегі кернеулерді және
токтары олардың симметриялы құраушылары арқылы
көрсету керек.
Негізгі және қосымша теңдеулерді
біріктіріп шығарып токтардың симметриялы құраушыларын
табамыз, содан кейін кернеулердің симметриялы құраушыларын
анықтаймыз.
Симметриялы құраушылар арқылы
нақтылы токтарды және кереулерді табамыз .
Сегізінші тарау
8 Синусоидалсыз токтар
8.1 Синусоидалсыз ЭҚК-тер, кернеулер және
токтар
Айнымалы токтың генераторларында саңылау бойында
магнитиндукцияның қисығының тарауы синусоидан
айрықша болғандықтан орамадағы пайда болған
ЭҚК-тердің қисықтары синусоидалды емес.
Сызықсыз кедергілері, индуктивтіктері және
сыйымдылықтары бар тізбектерде (мысалы, түзіткіштер, электр
доғалар, болат өзекшесі бар орауыштар) ЭҚК-тер синусоидалды
болса да токтар және кернеулер синусоидалды емес болады.
8.1,а-суретте реакторы бар тізбектегі ток, ал
8.1,б-суретте басқарылатын түзеткіш (тиристор) бар тізбектегі ток.
Периодикалы серпіндердің генераторлары радиотехниканың,
автоматиканың, есептеу техниканың әртүрлі
құрылғыларында және автоматталған басқару
жүйелерде қолданады.

а)
б)
8.1-сурет
Серпіндердің түрлері әртүрлі
болады: ара тәрізді (8.2.а-сурет), сатылы (8.2.б-сурет), және тура
бұрышты (8.2.б-сурет).
8.2-сурет
8.2-суреттегі қисықтардың бәріде
периодикалы және олар синусоидалсыз периодикалы токтардың
мысалдардың көрсетеді.
8.2 Синусоидалсыз периодикалы қисықты
тригонометриялық қатарға жіктеу
Дирихленің жағдайын
қанағаттандыратын
функция Эйлер-Фурьенің
тригонометриялық қатарына жіктеледі:
(8.1)
Қатардың бірінші мүшесі
тұрақты
құраушысы немесе нөлдік гармоникасы деп аталады, екінші
мүше
-негізгі синусоида немесе бірінші гермоника, барлық
қалған мүшелер түрі
, ал k>1 болғанда –жоғары гармоникалар деп
аталады;
-негізгі бұрыштық жиілік; Т-синусоидалсыз
периодикалы функцияның периоды.
Әрбір гармониканың қосындының
синусын ашқаннан кейін тригонометриялық қатар мына
түрде жазылады:
(8.2)
мұндағы ![]()
коэффициенттер келесі
интегралдар арқылы есептеуге болады:
(8.3)
(8.2) қатардың коэффициенттерін білгенде
(8.1) түрге жеңіл ауысуға болады
және
.
1. Егерде
функция ординат
білікке симметриялы болса, яғни
=
, онда ол жұп функция (8.3-сурет).

Қандай да болған жиіліктің
синусоидалары тақ болғандықтан, олар қатардың
құрамасына кірмейді, сондықтан
(8.4)
8.3-сурет
2. Егер де
функция координат басына симметриялы болса, яғни
=-
, онда ол тақ функция (8.4-сурет). Мұндай
функциялар тұрақты құраушылары және косинустары
жоқ қатарға жіктеледі
(8.5)
8.4-сурет
3. Егер де
функция абцисс
білікке симметриялы болса, яғни
=-
, онда ол тұрақты құраушылары
және жұп гармоникалары жоқ қатарға жіктеледі
(8.5-сурет).
(8.6)

8.5-сурет
8.3 Синусоидалсыз
периодикалы ЭҚК-тердің, кернеулердің және
токтардың максималды, әрекет және орташа мәндері
Синусоидалсыз
периодикалы шамалар келесі үш мәнмен сипатталады:
а)максималды мәні
;
(8.7)
б) модуль (шама) бойынша орташа
мәні
; (8.8)
в) әрекет
мәні
. (8.9)
Сонымен синусоидалсыз
периодикалы шаманың әрекет мәні тек оның
гармоникаларының әрекет мәндеріне тәуелді, ал
олардың
басты фазаларынан
тәуелсіз, яғни
;
(8.10)
8.4 Синусоидалсыз
периодикалы қисықтардың түрін сипаттайтын
коэффициенттер
Синусоидалсыз
периодикалы қисықтарды бағалаған кезде электр
энергетикада
қисық
түрінің коэффициентімен,
амплитуданың
коэффенцитімен және
бұрмалау
коэффициентімен пайдаланады.
а)
түрінің коэффициенті әрекет мәнінің орташа мәніне
қатынасы деп белгіленеді:
(8.11)
синусоида үшін
;
б) амплитуданың
коэффициенті-максималды мінінің әрекет мәніне қатынасы
деп белогілінеді:
![]()
синусоида үшін
;
(8.12)
в) бұрмалану
коэффициенті –негізгі гармониканың әрекет мәнінің
барлық қисықтың әрекет мәніне
қатынасы деп белгіленеді:
(8.13)
синусоида үшін
.
8.5 Синусоидалсыз
периодикалы ЭҚК-тер, кернеулер және токтар бар тізбектерді есептеу
Егер де тізбекте бір
немесе бірнеше синусоидалсыз периодикалы ЭҚК-тердің көздері
болса, онда есептеу үш кезеңге бөлінеді:
а)
көздердің ЭҚК-терін тұрақты және
синусоидалды құраушыларға жіктеу;
б) тізбектегі
токтарды және кернеулерді әрбір құраушы үшін
бөлек есептеу;
в) беттесу принципін
қолданып әрбір құраушы үшін табылған
шешімді бірлесіп қарау.
Егер де ЭҚК
(8.6,а –сурет) тең
онда мұнда
ЭҚК-тердің көзінің әрекеті үш тізбекті
қосылған ЭҚК-тердің әрекетіне ұқсас
(8.6,б-сурет ).
Мұндағы
(8.14)

а)
б)
8.6-сурет
Әрбір
ЭҚК-тің әрекетін бөлек қарап, ал содан кейін
беттесу принципті қолданып тізбектің барлық бөліктеріндегі токтардың құраушыларын табамыз.
Тізбектегі
токтың лезді мәні құрастырушы токтардың лезді
мәндерінің қосындысына тең, яғни
Сонымен синусоидалсыз
ЭҚК-тері бар сызықты тізбектерді есептеу синусоидалды
ЭҚК-тері бар
есептерді шешуге келтіреді, мұндағы
-әртүрлі
жиіліктері бар ЭҚК-тердің синусоидалды
құрастырушылардың саны және тұрақты
ЭҚК-і бар бір есеп.
Шешу кезде,
әртүрлі жиілік үшін, индуктивтік және сыйымдылық
кедергілері бірдей емес екенін еске алу керек.
-гармоника үшін индуктивтік кедергі бірінші
гармоникаға қарағанда
есе үлкен , ал
сыйымдылық кедергі-
есе кіші:
(8.15)
Активтік кедергі
тұрақты ток кезіндегіге тең. Әрбір гармониканы
есептеген кезде комплекстерді қолдануға болады және
әрбір гармоника үшін векторлық диаграммаларды салуға
болады.
8.6 Синусоидалсыз ток
тізбегіндегі қуаттар
Синусоидалсыз
периодикалы токтың активтік қуат-период бойынша орта қуат деп
белгіленеді
(8.16)
Егер де
кернеудің және токтың лезді мәндерін
тригонометриялық қатар түрінде білдірсек, онда табамыз

Период ішіндегі
әртүрлі жіліктері бар синусоидалардың лезді
мәндерінің көбейтулері нөлге тең болғандықтан,
шығады
.
Интегралдаудан кейін
табамыз
, (8.17)
мұндағы
Синусоидалсыз
токтың орташа активтік қуаты бөлек гармоникалардың
орташа қуаттардың қосындысына тең (тұрақты
құраушысы
тең нөлдік гармоника ретінде қаралады):
. (8.18)
Сикусоидалсыз
токтың реактивтік қуаты бөлек гармоникалардың
реактивтік қуаттарының қосындысына тең:
(8.19)
Синусоидалсыз
токтың толық қуаты токтың және кернеудің
әрекет мәндерінің көбейтіндісі ретінде табылады:
(8.20)
Синусоидалсыз токтар
кезде қуат коэффициент активтік қуаттың толық
қуат қатынасына тең
(8.21)
(8.21) қатынас
тек u және i арасында тұра пропорционал болғанда бірге
тең, яғни тізбектің кедергісі таза активтік кезде
және
. Бір қисықта (кернеуде немесе токта) екінші
қисықта жоқ гармониканың болуы активтік және
реактивтік қуаттардың шамаларына әсер етпейді, бірақ
бұл гармоникалардың құрамында сақтайтын
функцияның әрекет мәнін өсіреді. Сондықтан, егер
де қаралып жатқан тізбектегі толық қуатты
кернеудің және токтың әрекет мәндерінің
көбейтіндісі, яғни S=UI деп
белгіленген, онда синусоидалды ережеден айрықша синусоидалсыз тізбекте
активтік және реактивтік қуаттардың шаршыларының
қосындылары қуаттың шаршысына тең емес: ![]()
Т шама бұрмалау
қуат деп аталады.
Егер де
тізбектің кедергісі активтік болса, онда токтың және
кернеудің қисықтары түрлес. Бұл жағдайда
Q=0 және Т=0.
8.7 Үш фазалы
тізбектерде қалыптасқан ереже
Үш фазалы
тізбектерде қалыптасқан ереже кезінде екінші және
үшінші фазалардағы токтың және кереудің
қисықтары бірінші фазадағы үштен бір периодқа
ығысқан токтың және кернеудің
қисығына түрлес. Егер де А фазадағы кернеу
уақыт
функциямен көрсетілсе, онда
және
, мұндағы Т-негізгі жиіліктің периоды.
ретті
гармониканың
функцияны
барлық үш фазада қарайық
болсын.
тең екенін еске
алып және t орнына сәйкесті ![]()
және
қойып, табамыз:
![]()
![]()
Гармоникалардың
реті үшке еселі (k=3n, мұнда n-бүтін сан) кернеулердің
барлық фазаларда кез келген уақытта шамалары және
бағыттары бірдей.
K=3n+1 кезде үш
фазаның гармоникалары симметриялы кернеу жүйені құрады.
Жүйенің реттілігі бірінші гармониканың реттелігімен дәл
түседі.
K=3n+2 кезде үш
фазаның гармоникалары симметриялы кернеу жүйені құрады.
Жүйенің реттелігі бірінші гармониканың кері реттілігімен
дәл түседі.
Сонымен 1,4,7,10,13
және т.б.реті бар гармоникалар тура реттілігі бар кернеу жүйесін,
2,5,8,11,14 және т.б. реті бар гармоникалар кері реттілігі бар кернеу
жүйесін құрса, ал 3,6,9,12 және т.б. реті бар
гармоникалар нөлдік реттілігі бар кернеу жүйесін
құрады.
Егер де әрбір
фазаның кернеуінде тұрақты құраушысы болса, онда
ол нөлдік реті бар гармоника деп қаралады, яғни нөлдік
реттілікті құрады.
Көпшілік
жағдайда кернеулерде тұрақты құраушы және
жұп гармоникалар жоқ болады.
Үш
фазалық тізбектердің әртүрлі сүлбелерін
қарайық.
Егер де
генератордың фазалары жұлдызша қосылған болса, онда
фазалы синусоидалсыз кернеулер реті үшке еселі кернеулердің
гармоникалары құрамында жоқ, себебі олар нөлдік
реттіліктегі жүйені құрады.
Фазалық кернеу ![]()
Сызықты кернеу ![]()
Бұдан
шығады
.
Симметриялы
жүктеме кезде негізгі жиіліктің және жоғары
гармоникалар реті үшке еселі жоғары гармоникаларды
қоспағанда, тура және кері реттелігі бар жүйелерді
құрады да қосындылары нөлді береді. Ал реті үшке
еселі гармоникалар нөлдік реттелігі бар жүйені құрады,
яғни кез келген уақытта олардың мәндері және
бағыттары бірдей болады. Сондықтан, нөлдік сымдағы ток
нөлдік реттелігі бар жоғары гармоникалардың
қосындысының үш есесіне тең: ![]()
Бейтарап сым
жоқ кезде әрбір
фазадағы токтың құрамында реті үшке еселі
жоғары гармоникалар жоқ. Сондықтан, қабылдағышта
нөлдік реттелігі бар токтардан кернеулер жоқ.
Егер де
генератордың фазалары үшбұрышқа қосылса, онда
фазадағы ЭҚК-тер синусоидалсыз болғанда генератордың
тұйықталған контурында әрекет етуші
ЭҚК-тердің қосындысы нөлге тең емес, ол реті
үшке еселі жоғары гармоникалардың қосындысының
үш есесіне тең:
![]()
Егер де фазалар
тұйықталған үшбұрышқа қосылса, онда
реті үшке еселі ЭҚК-тердің гармоникалар генератордың
ішкі тоғын туғызады
Генератордың
фазалық тоғы
![]()
Сыртқы
тізбектегі сызықтық ток
![]()
Бұл үш жүйелер үшін жазуға
болады:
(7.1)
(7.2)
(7.3)
Фазалық көбейтуші
арқылы жазғанда:
(7.4)
(7.5)
Бұдан басқа
(7.6)
тең және
векторлардың симметриялы жүйесін құрады (2-сурет).
Кез келген
және
симметриялы емес
векторлардың жүйесін тура, кері және нөлдік
симметриялық құраушыларға ыдыратуға болатынын
дәлелдейік.
Егер олай болса, онда
![]()
![]()
Бұл теңдеулерде симметриялы
құраушылардың барлық векторларын (7.3), (7.4)
және (7.5) қатынастарын пайданалып
және
векторлар
арқылы көрсетуге болады:
(7.10)
(7.11)
(7.12)
Табылған үш теңдеуден
және
векторларды бір
қатарлы белгілеуге болады, ал бұл жағдай берілген симметриялы
емес
және
векторлардың
жүйесін үш симметриялы жүйелерге ыдырауының
мүмкіндігін дәлелдейді.
(7.10)-(7.12) теңдеулерді қосқаннан
кейін шығады:
(7.13)
Бұдан (7.6) есепке алғанда
(7.14)
(7.11) теңдеуді а-ға және (7.12)
теңдеуді
-ға көбейтіп, ал содан кейін (7.10)-(7.12)
теңдеулерді қосып табамыз:
(7.11) теңдеуді
және (7.12)
теңдеуді а-ға көбейтіп, ал содан кейін (7.10)-(7.12)
теңдеулерді қосып табамыз:
(7.15)
7.2 Токтардың және кернеулердің
симметриялы құраушыларына қатысты үш фазалы тізбектердің
кейбір қасиеттері
Кернеулердің және токтардың симметриялы
емес жүйлері тек апат ережелерде туады. Апат ережелерге бір немесе екі
фазалардың қысқа тұйықталуы, фазаның
үзіліп ажырауы, электр машиналарда және трансформаторларда пайда
болатын симметриялы емес кернеулер мен токтар. Бұл ережерлерді есептеу
үшін симметриялы құраушылар әдісі қолданады.
Үш фазалы тізбектерде сызықтық
кернеулердің қосындысы нөлге тең, сондықтан
сызықтық кернеулерде нөлдік құраушы реттілік
болмайды.
![]()
Егер де симметриялы емес ережеде ток бір немесе екі
фазада жоқ болса (бір немесе екі фазада үзіліс болса), онда
бұл фазалардағы токтардың симметриялық
құраушылардың қосындысы нөлге тең.

7.3-суретте көрсетелген сүлбеде В және
С фазалар ажырап тұр
(7.13-7.15)
қолданып, табамыз
![]()
![]()
![]()
7.4-сурет
7.4-суретте токтың
векторы бейнеленген
(а) және барлық үш фазалардың токтарының
симметриялық құраушылар жүйелердің
векторлық диаграммалары келтірілген (в). Токтардың
симметриялық құрастырушылардың векторларының
қосылуы (с) көрсетіп тұр.
![]()
![]()
![]()
7.3 Токтардың әртүрлі реттіліктері
үшін симметриялы үш фазалы тізбектің кедергілері
Егер де симметриялы үш фазалы тізбектің
шықпаларына кернеудің тура, кері және нөлдік
реттіліктері бар токтардың симметриялы жүйесі ынта салынса, онда
бұл тізбекте сол сияқты реттіліктері бар токтардың
симметриялы жүйесі пайда болады. Комплексті фазалық кернеудің
тура, кері және нөлдік реттіктерінің сәйкесті
фазалық комплексті токтардың тура, кері және нөлдік
реттіліктеріне қатынасы сәйкесті тізбектің комплексті
кедергісінің тура
, кері
және
нөлдік
реттіліктері деп
аталады.
Кез келген симметриялы үш фазалы статикалық
тізбектерде (айнымалы электр машиналар жоқ тізбектерде) ынта
салынған симметриялы кернеулердің ретін тура реттіліктен кері
реттілікке ауыстырса токтардың мәндері өзгермейді (оларды тек
реттілігі турадан керіге өзгереді). Сондықтан мұндай
тізбектер үшін тура және кері реттіліктің келергілері бірдей
.
Тізбекте
үш фазалы
симметриялы тізбекті қарайық
(7.5-сурет). Бұл тізбек үшін
.
кедергінің мәнін белгілейік.

Тізбектің шықпаларына симметриялы
жүйесінің фаза кернеулерінің нөлдік реттілігі
, ал содан кейін
,
және
теңдеуге
қойып табамыз ![]()
Мұндағы
.
Бейтарап (нөлдік) сым жоқ кезде нөлдік
реттілігі бар ток ақпайды:
.
Тізбектерді симметриялы құраушылар
әдісімен есептеген кезде әртүрлі реттіліктегі токтар
және кернеулер үшін бөлек сүлбелер қаралады.
Бейтарап сымдағы кедергі тура және кері реттіліктердегі
симметриялық құраушыларға әсер етпейді,
сондықтан бұл үшін токтардың реттіліктеріне
құралған сүлбелерде бейтарап сымдағы кедергі
көрсетілмейді.
Симметриялық токтардың және
кернеулердің нөлдік реттіліктері үшін сүлбеде бейтарап
сымдағы
кедергінің
орына осы кедергінің еселенген мәнін, яғни 3
кедергіні әр фазаға енгізеді ( 7.6-сурет).
Барлық есептер негізгі деп аталатын бір фаза үшін өткізеді.
Әдетте негізгі фаза ретінде А фаза алынады. 7.6 –суретте токтардың
және кернеулердің әртүрлі реттіліктері үшін
үш бір фазалы сүлбелер көрсетілген. Бұл сүлбелер
қысқаша тура, кері және нөлдік реттіліктің
сүлбелері деп аталады.



7.6 –сурет
Электр машиналарда ![]()
Симметриялы құраушылар әдісімен
есептеген кезде электр қозғалтқыштар үш бөлек
тура, кері және нөлдік реттілік сүлбелермен
көрсетіледі. Электр генераторлардың сол сияқты сүлбеде ![]()
кедергімен тізбектеп
фазалық ЭҚК-дің көзі қосылды.
7.4 Симметриялы емес кернеулер жүйесі
Симметриялы емес кернеулер жүйесі
қосылған симметриялы тізбекбекте (7.7,б-сурет) токтарды белгілеу
үшін, алдымен кернеулердің симметриялық
құраушыларын (7.13)-(7.15) кейіптемелерден табамыз:
![]()
![]()
![]()


а) б)
7.7-сурет
Токтардың симметриялық
құраушылары Ом заңы бойынша анықталады:

Мысал: Қозғалтқыштың
қысқыштарындағы сызықты кернеулер
,
қозғалтқыштың кедергілері
,
.
Сызықты токтарды табу керек
АВС үшбұрыштан табамыз ![]()
тең деп
алсақ, онда
және ![]()
Кернеулердің симметриялық
құраушыларын белгілейміз:
![]()
![]()
Ом заңы бойынша токтардың симметриялық
құраушыларын табамыз:
![]()
Токтардың симметриялы құраушылары
арқылы және (7.10)-(7.12) кейіптемелерді қолданып
сызықты токтарды табамыз:
![]()
![]()
Токтардың әрекет мәндері:
![]()
7.5 Симметриялы емес үш фазалы тізбекте
токтардың және кернеулердің симметриялық
құраушылары:
а) симметриялы емес жүктемесі бар тізбекті есептеу
Әдетте симметриялы емес ережелер апатты
жағдайда пайдалы болады.
Симметриялы емес жағдайда екі түрге
көлденеңдік және бойлық деп ажыратуға болады.
Көлденеңдік симметриясыздық үш фазалы тізбекке
симметриялы емес жүктемені қосқан кезде пайда болады.
Оларға қатысты әртүрлі қысқа
тұйықталудың түрлері (фазалар арасындағы
қысқа тұйықталу, бір немесе екі фазаның жерге
қосылуы). Бойлық симметриясыздық фазаларға бірдей емес
кедергілер қосылғанда немесе желінің бір немесе екі
фазаның сымдары үзілсе (симметриялы емес желі бөлігі) пайда
болады.
Үш фазалы тізбектердегі симметриялы емес ережелерді
есептеу кезде теңгермелік принципті қолданады. Ол үшін
симметриялы емес жүктемені немесе симметриясыз бөлігін кернеу
көздерімен ауыстырады, олардың мәндерін есептеу біткенше
өзгермейді. Осындай ауыстырудан кейін барлық тізбек симметриялы
құраушылары бір-біріне тәуелді емес.
Құрамында симметриялы динамикалық
және
симметриялы емес статикалық жүктемелері бар сүлбені
(7.8-сурет) симметриялы құраушылар әдіспен есептеуді
қарап шығайық.

7.8-сурет
Генератордың ЭҚК-і және
сүлбенің элементтерінің кедергілері берілген.
Токтарды және кернеулерді табу керек.
Симметриялы емес жүктемені алып
және
кернеулері бар
үш ЭҚК көздерімен ауыстырамыз.
А фазаның негізгі фаза ретінде алып
және
кернеулері
және
симметриясы
құраушылары жіктейміз, сонда симметриялы сүлбені аламыз
(7.9-сурет).
Демек симметриялы емес жүктемелер орына үш
көректендіргіш көздер жүйесі кернеулерінің тура, кері
және нөлдік реттіліктері орын алады.
![]()
![]()
![]()

7.9-сурет
Симметриялы тізбекте симметриялы кернеулер жүйесінің
кейбір реттілігі симметриялы токтар жүйесінің сол реттілігін
туғызады. Сондықтан, үш бір-біріне тәуелсіз
сүлбелерді құруға болады (7.10-сурет).



а)
б) в)
7.10-сурет
Тура, кері
реттілік сүлбе түрлері әр уақытта бірдей,
сүлбенің нөлдік реттілігі әдетте ерекше. Бұл
мысалды нөлдік реттілік тармақсыз болады, себебі
.
Бейтарап сымның кедергісі сүлбеде
тең екенін есте
сақтау керек. Содан кейін есетті өткізу үшін бөлек
реттіліктердің сүлбелерін қарапайым түрге келтіреміз,
бұл кезде белгісіз
және
кернеулер бар
тармақтарға тиіспей қою керек.
(10,а)–суреттегі сүлбені түрлендіру
үшін генератордың және симметриялы
қабылдағыштың тармақтарын эквивалентті генератормен
ауыстырамыз.

![]()


а)
б)
7.11-сурет
Тура (а), кері(б) реттіліктердің эквивалентті
сүлбелері. Осы мысалда нөлдік реттіліктің сүлбесін,
қарапайым болғандықтан, түрлендіру қажетті емес.
Әрбір үш сүлбе үшін
Корхгофтың екінші заңы бойынша теңдеулерді жазамыз:

мұндағы ![]()
Бұл үш теңдеуде алты белгісіз ![]()
Бұл алты белгісіздерін байланыстыратын
қосымша үш теңдеу берілген сүлбе және симметриялы
емес қабылдағыштың параметрлері арқылы
құрылады.
(7.12,а)-суреттегі қабылдағыш үшін
![]()
![]()
(7.12,б)-суреттегі қабылдағыш үшін
![]()
![]()


а)
б)
7.12-сурет 7.13-сурет
Статикалық симметриялы емес жүктеменің
басқа түрлеріне осындай ұқсастық бойынша
қосымша теңдеулер құрылады.
Негізгі және қосымша теңдеулерді
біріктіріп шешіп А фаза тоғының симметриялы
құраушыларын анықтайды (симметриялы емес
тармақтарында). Содан кейін тура, кері және нөлдік
реттіліктердің сүлберін бөлек тармақтары бойынша осы
құраушылардың тарауын табады. Кез-келген тармақта
токтардың құрастырушыларын тапқаннан кейін әрбір
фазадағы нақтылы токты анықтайды және
әртүрлі реттіліктердің кернеу түсудің
құраушыларын анықтайды, ал содан кейін сүлбенің
бөлек бөліктеріндегі фазалық кернеулерді белгілейді.
7.13-суретте көрсетілген сүлбенің
ережесін есептейміз.
Қосымша теңдеулерді құрамыз:
![]()
![]()
![]()
(7.21) теңдеуде (7.20) алып, табамыз
немесе
. Бұл нәтижені (7.20) теңдеуге қойып
табамыз
, ал бұдан
шығады.
(7.18)
токтарды
тоққа ауыстырып, ал содан кейін үш
теңдеуді қосып (7.19) теңдеуді еске алып, табамыз
![]()
![]()
Кернеудің симметриялы құраушылары
(жерге тұйықталған жерде) (7.18) теңдеулерден
белгіленеді:
![]()
7.10,а суреттегі сүлбе үшін токтар тең:

7.10,б суреттегі сүлбе үшін:

7.10,в суреттегі сүлбе үшін:
.
Генератордың шықпаларындағы
кернеулердің симметриялы құраушылар: ![]()
![]()
![]()
б) желінің симметриялы емес бөлігі бар
тізбекті есептеу әдісін қарастырамыз. Генератордың ЭҚК
және сүлбедегі элементтердің кедергілері берілген. Токтарды
және кернеулерді табу керек.

7.14-сурет.
Бойлық симметриясыздық сүлбе
Сүлбенің симметриялы емес бөлігіндегі
кернеулері
белгісіз. Оларды
үш энергия көзімен ауыстырып кернеулерді
симметрялы
құраушыларына ажыратамыз. Содан кейін А фазасын негізгі деп алып
тура, кері және нөлдік реттіліктеріне үш сүлбе
құрамыз (14- сурет).
Бұл сүлбелер үшін Кирхгофтың
екінші заңы бойынша теңдеулер жазамыз:
![]()
![]()
![]()


а)
б)

в)
7.15-сурет. Тәуелсіз үш
симметриялы құраушылар сүлбелері.
Бұл үш теңдеулерде алты белгісіз бар: ![]()
Осы сүлбелерге сүйеніп және
тізбектің симметриялы емес бөлігіндегі параметрлеріне сүйеніп
қосымша үш теңдеуді құрамыз.


а) б)
7.16-сурет.
Әртүрлі симметриялы емес сүлбелер
7.15,а-суретте келтірілген қосымша үш
теңдеу
![]()
Қосымша теңдеулердегі кернеулерді және
токтары олардың симметриялы құраушылары арқылы
көрсету керек.
Негізгі және қосымша теңдеулерді
біріктіріп шығарып токтардың симметриялы құраушыларын
табамыз, содан кейін кернеулердің симметриялы құраушыларын
анықтаймыз.
Симметриялы құраушылар арқылы
нақтылы токтарды және кереулерді табамыз .
Сегізінші тарау
8 Синусоидалсыз токтар
8.1 Синусоидалсыз ЭҚК-тер, кернеулер және токтар
Айнымалы токтың генераторларында саңылау
бойында магнитиндукцияның қисығының тарауы синусоидан
айрықша болғандықтан орамадағы пайда болған
ЭҚК-тердің қисықтары синусоидалды емес.
Сызықсыз кедергілері, индуктивтіктері және
сыйымдылықтары бар тізбектерде (мысалы, түзіткіштер, электр
доғалар, болат өзекшесі бар орауыштар) ЭҚК-тер синусоидалды
болса да токтар және кернеулер синусоидалды емес болады.
8.1,а-суретте реакторы бар тізбектегі ток, ал
8.1,б-суретте басқарылатын түзеткіш (тиристор) бар тізбектегі ток.
Периодикалы серпіндердің генераторлары
радиотехниканың, автоматиканың, есептеу техниканың
әртүрлі құрылғыларында және
автоматталған басқару жүйелерде қолданады.

а) б)
8.1-сурет
Серпіндердің түрлері әртүрлі
болады: ара тәрізді (8.2.а-сурет), сатылы (8.2.б-сурет), және тура
бұрышты (8.2.б-сурет).
8.2-сурет
8.2-суреттегі қисықтардың бәріде
периодикалы және олар синусоидалсыз периодикалы токтардың мысалдардың
көрсетеді.
8.2 Синусоидалсыз периодикалы қисықты
тригонометриялық қатарға жіктеу
Дирихленің жағдайын
қанағаттандыратын
функция Эйлер-Фурьенің
тригонометриялық қатарына жіктеледі:
(8.1)
Қатардың бірінші мүшесі
тұрақты
құраушысы немесе нөлдік гармоникасы деп аталады, екінші
мүше
-негізгі синусоида немесе бірінші гермоника, барлық
қалған мүшелер түрі
, ал k>1 болғанда –жоғары гармоникалар деп
аталады;
-негізгі бұрыштық жиілік; Т-синусоидалсыз
периодикалы функцияның периоды.
Әрбір гармониканың қосындының
синусын ашқаннан кейін тригонометриялық қатар мына
түрде жазылады:
(8.2)
мұндағы ![]()
коэффициенттер келесі
интегралдар арқылы есептеуге болады:
(8.3)
(8.2) қатардың коэффициенттерін білгенде
(8.1) түрге жеңіл ауысуға болады
және
.
1. Егерде
функция ординат
білікке симметриялы болса, яғни
=
, онда ол жұп функция (8.3-сурет).

Қандай да болған жиіліктің
синусоидалары тақ болғандықтан, олар қатардың
құрамасына кірмейді, сондықтан
(8.4)
8.3-сурет
2. Егер де
функция координат басына симметриялы болса, яғни
=-
, онда ол тақ функция (8.4-сурет). Мұндай
функциялар тұрақты құраушылары және косинустары
жоқ қатарға жіктеледі
(8.5)
8.4-сурет
3. Егер де
функция абцисс
білікке симметриялы болса, яғни
=-
, онда ол тұрақты құраушылары
және жұп гармоникалары жоқ қатарға жіктеледі
(8.5-сурет).
(8.6)

8.5-сурет
8.3 Синусоидалсыз
периодикалы ЭҚК-тердің, кернеулердің және
токтардың максималды, әрекет және орташа мәндері
Синусоидалсыз
периодикалы шамалар келесі үш мәнмен сипатталады:
а)максималды мәні
;
(8.7)
б) модуль (шама) бойынша орташа
мәні
; (8.8)
в) әрекет
мәні
. (8.9)
Сонымен синусоидалсыз
периодикалы шаманың әрекет мәні тек оның
гармоникаларының әрекет мәндеріне тәуелді, ал
олардың
басты фазаларынан
тәуелсіз, яғни
;
(8.10)
8.4 Синусоидалсыз
периодикалы қисықтардың түрін сипаттайтын коэффициенттер
Синусоидалсыз
периодикалы қисықтарды бағалаған кезде электр
энергетикада
қисық
түрінің коэффициентімен,
амплитуданың
коэффенцитімен және
бұрмалау
коэффициентімен пайдаланады.
а)
түрінің коэффициенті әрекет мәнінің орташа
мәніне қатынасы деп белгіленеді:
(8.11)
синусоида үшін
;
б) амплитуданың
коэффициенті-максималды мінінің әрекет мәніне қатынасы
деп белогілінеді:
![]()
синусоида үшін
;
(8.12)
в) бұрмалану
коэффициенті –негізгі гармониканың әрекет мәнінің
барлық қисықтың әрекет мәніне
қатынасы деп белгіленеді:
(8.13)
синусоида үшін
.
8.5 Синусоидалсыз
периодикалы ЭҚК-тер, кернеулер және токтар бар тізбектерді есептеу
Егер де тізбекте бір
немесе бірнеше синусоидалсыз периодикалы ЭҚК-тердің көздері
болса, онда есептеу үш кезеңге бөлінеді:
а)
көздердің ЭҚК-терін тұрақты және
синусоидалды құраушыларға жіктеу;
б) тізбектегі
токтарды және кернеулерді әрбір құраушы үшін
бөлек есептеу;
в) беттесу принципін
қолданып әрбір құраушы үшін табылған
шешімді бірлесіп қарау.
Егер де ЭҚК
(8.6,а –сурет) тең
онда мұнда
ЭҚК-тердің көзінің әрекеті үш тізбекті
қосылған ЭҚК-тердің әрекетіне ұқсас
(8.6,б-сурет ).
Мұндағы
(8.14)

а)
б)
8.6-сурет
Әрбір
ЭҚК-тің әрекетін бөлек қарап, ал содан кейін
беттесу принципті қолданып тізбектің барлық бөліктеріндегі токтардың құраушыларын табамыз.
Тізбектегі
токтың лезді мәні құрастырушы токтардың лезді
мәндерінің қосындысына тең, яғни
Сонымен синусоидалсыз
ЭҚК-тері бар сызықты тізбектерді есептеу синусоидалды
ЭҚК-тері бар
есептерді шешуге
келтіреді, мұндағы
-әртүрлі жиіліктері бар ЭҚК-тердің
синусоидалды құрастырушылардың саны және
тұрақты ЭҚК-і бар бір есеп.
Шешу кезде,
әртүрлі жиілік үшін, индуктивтік және сыйымдылық
кедергілері бірдей емес екенін еске алу керек.
-гармоника үшін индуктивтік кедергі бірінші
гармоникаға қарағанда
есе үлкен , ал
сыйымдылық кедергі-
есе кіші:
(8.15)
Активтік кедергі
тұрақты ток кезіндегіге тең. Әрбір гармониканы
есептеген кезде комплекстерді қолдануға болады және
әрбір гармоника үшін векторлық диаграммаларды салуға
болады.
8.6 Синусоидалсыз ток
тізбегіндегі қуаттар
Синусоидалсыз
периодикалы токтың активтік қуат-период бойынша орта қуат деп
белгіленеді
(8.16)
Егер де
кернеудің және токтың лезді мәндерін
тригонометриялық қатар түрінде білдірсек, онда табамыз

Период ішіндегі
әртүрлі жіліктері бар синусоидалардың лезді
мәндерінің көбейтулері нөлге тең
болғандықтан, шығады
.
Интегралдаудан кейін
табамыз
, (8.17)
мұндағы
Синусоидалсыз
токтың орташа активтік қуаты бөлек гармоникалардың
орташа қуаттардың қосындысына тең (тұрақты
құраушысы
тең нөлдік гармоника ретінде қаралады):
. (8.18)
Сикусоидалсыз
токтың реактивтік қуаты бөлек гармоникалардың
реактивтік қуаттарының қосындысына тең:
(8.19)
Синусоидалсыз
токтың толық қуаты токтың және кернеудің
әрекет мәндерінің көбейтіндісі ретінде табылады:
(8.20)
Синусоидалсыз токтар
кезде қуат коэффициент активтік қуаттың толық
қуат қатынасына тең
(8.21)
(8.21) қатынас
тек u және i арасында тұра пропорционал болғанда бірге
тең, яғни тізбектің кедергісі таза активтік кезде
және
. Бір қисықта (кернеуде немесе токта) екінші
қисықта жоқ гармониканың болуы активтік және
реактивтік қуаттардың шамаларына әсер етпейді, бірақ
бұл гармоникалардың құрамында сақтайтын
функцияның әрекет мәнін өсіреді. Сондықтан, егер
де қаралып жатқан тізбектегі толық қуатты
кернеудің және токтың әрекет мәндерінің
көбейтіндісі, яғни S=UI деп
белгіленген, онда синусоидалды ережеден айрықша синусоидалсыз тізбекте
активтік және реактивтік қуаттардың шаршыларының
қосындылары қуаттың шаршысына тең емес: ![]()
Т шама бұрмалау
қуат деп аталады.
Егер де
тізбектің кедергісі активтік болса, онда токтың және
кернеудің қисықтары түрлес. Бұл жағдайда
Q=0 және Т=0.
8.7 Үш фазалы
тізбектерде қалыптасқан ереже
Үш фазалы
тізбектерде қалыптасқан ереже кезінде екінші және
үшінші фазалардағы токтың және кереудің
қисықтары бірінші фазадағы үштен бір периодқа
ығысқан токтың және кернеудің
қисығына түрлес. Егер де А фазадағы кернеу
уақыт
функциямен көрсетілсе, онда
және
, мұндағы Т-негізгі жиіліктің периоды.
ретті
гармониканың
функцияны
барлық үш фазада қарайық
болсын.
тең екенін еске
алып және t орнына сәйкесті ![]()
және
қойып, табамыз:
![]()
![]()
Гармоникалардың
реті үшке еселі (k=3n, мұнда n-бүтін сан) кернеулердің
барлық фазаларда кез келген уақытта шамалары және
бағыттары бірдей.
K=3n+1 кезде үш
фазаның гармоникалары симметриялы кернеу жүйені құрады.
Жүйенің реттілігі бірінші гармониканың реттелігімен дәл
түседі.
K=3n+2 кезде үш
фазаның гармоникалары симметриялы кернеу жүйені құрады.
Жүйенің реттелігі бірінші гармониканың кері реттілігімен
дәл түседі.
Сонымен 1,4,7,10,13
және т.б.реті бар гармоникалар тура реттілігі бар кернеу жүйесін,
2,5,8,11,14 және т.б. реті бар гармоникалар кері реттілігі бар кернеу
жүйесін құрса, ал 3,6,9,12 және т.б. реті бар
гармоникалар нөлдік реттілігі бар кернеу жүйесін
құрады.
Егер де әрбір
фазаның кернеуінде тұрақты құраушысы болса, онда
ол нөлдік реті бар гармоника деп қаралады, яғни нөлдік
реттілікті құрады.
Көпшілік
жағдайда кернеулерде тұрақты құраушы және
жұп гармоникалар жоқ болады.
Үш
фазалық тізбектердің әртүрлі сүлбелерін
қарайық.
Егер де
генератордың фазалары жұлдызша қосылған болса, онда
фазалы синусоидалсыз кернеулер реті үшке еселі кернеулердің
гармоникалары құрамында жоқ, себебі олар нөлдік
реттіліктегі жүйені құрады.
Фазалық кернеу ![]()
Сызықты кернеу ![]()
Бұдан
шығады
.
Симметриялы
жүктеме кезде негізгі жиіліктің және жоғары
гармоникалар реті үшке еселі жоғары гармоникаларды
қоспағанда, тура және кері реттелігі бар жүйелерді
құрады да қосындылары нөлді береді. Ал реті үшке
еселі гармоникалар нөлдік реттелігі бар жүйені құрады,
яғни кез келген уақытта олардың мәндері және
бағыттары бірдей болады. Сондықтан, нөлдік сымдағы ток
нөлдік реттелігі бар жоғары гармоникалардың
қосындысының үш есесіне тең: ![]()
Бейтарап сым
жоқ кезде әрбір
фазадағы токтың құрамында реті үшке еселі
жоғары гармоникалар жоқ. Сондықтан, қабылдағышта
нөлдік реттелігі бар токтардан кернеулер жоқ.
Егер де
генератордың фазалары үшбұрышқа қосылса, онда
фазадағы ЭҚК-тер синусоидалсыз болғанда генератордың
тұйықталған контурында әрекет етуші
ЭҚК-тердің қосындысы нөлге тең емес, ол реті
үшке еселі жоғары гармоникалардың қосындысының
үш есесіне тең:
![]()
Егер де фазалар
тұйықталған үшбұрышқа қосылса, онда
реті үшке еселі ЭҚК-тердің гармоникалар генератордың
ішкі тоғын туғызады
Генератордың
фазалық тоғы
![]()
Сыртқы
тізбектегі сызықтық ток
![]()
Оныншы тарау
10 Өтпелі процестерді операторлық
әдіспен есептеу
10.1 Лапластың түрлендіруін өтпелі
процестерді есептеуге қолдану
Өтпелі процестерді классикалық әдіспен
есептеу басты жағдай бойынша интегралдаудың
тұрақтыларын белгілеу және басты функцияларды және
олардың туындыларын табу үшін алгебралық
теңдеулердің жүйесін дүркін-дүркін шешуді талап
етеді. Бұл жағдай осы әдіспен есептеудің негізгі
қиыншылығына жатады. Электр сүлбелер
құрделендірген сайын және дифференциялды
теңдеудің дәрежесі өскен сайын бұл
қиыншылықтарда өседі.
Сондықтан,
тапсырылған басты жағдайлар бастапқы теңдеулерге
кіргізіліп сызықты дифференциалды теңдеулерді шешу әдісті
пайдалану қолайлы болады, өйткені бұл әдісте керекті
функцияларды табу үшін интегралдаудың тұрақтыларын
белгілеудің қажеттігі жоқ болады.
Сызықты
дифференциалды теңдеулерді Лапластың түрлендірулерге
негізделген операторлық әдіспен интегралдауға болады.
Операторлық
әдістің маңызы – тұп нұсқа деп аталатын
кейбір тапсырылған бір қатарлы шектелген заттың айнымалының
функциясына
басқа бейнесі деп аталатын
комплексті
айнымалының
функциясы
салыстырылады. Функция
әрбір
ақырғы уақыт аралықта Дирихле жағдайына
қамтамасыз ету керек және
кезде нөлге
тең болу керек.
Салыстыру мына формула бойынша өткізіледі
(10.1)
(10.1) кейіптеме -
функцияның
үстінен Лапластың тікелей түрлендіруін көрсетеді.
Оны былай белгілейді:
немесе
, мұнда
-
функцияның Лапластық бейнесі.
Кері, егерде
бейнесі бойынша
түп нұсқаны табу керек
болса, онда Лапластың кері түрлендіруі қолданады
(10.2)
яғни (10.1) интегралды теңдеуді
функцияға қатысты шешу.
(10.2) интегралды былай белгілеугенде болады:
немесе
.
Тұп нұсқадан туындылардың
және интегралдардың бейнелері үшін кейіптемелерін
(шығарусыз) келтірейік:
Егер де
болса, онда (10.3)
(10.4)
және
т.с.с. (10.5)
Егер де
функция және оның туындылары
кезде кенет
өзгерсе, онда (9.4) және (9.5) кейітемелерге олардың
мәнін осы кенет өзгерісті есепке алып қою керек яғни
нөлдің оң жағында, бұл жағдай олардың
аргументтерінде 0+ белгімен көрсетілген. Егер де
кезде
функцияның және оның туындыларының басты мәндері
нөлге тең болса, онда бірінші және одан соңғы
туындылардың бейнелері өте жеңіл табылады:
және т.с.с. (10.6)
Тұп
нұсқаудың интегралдық бейнелерінің
түрі:
(10.7)
(10.8)
Егерде интеграл
кезде кенет
өзгерсе, онда оның мәнін нөлдік оң жағынан
алу керек, бұл жағдай оның жоғары шегінде 0+ белгімен
көрсетіледі.
10.2 Жіктеудің теоремасы
Бейне
(10.9) дұрыс
бөлшек түрде берілсін, алымның және
бөлгіштің жалпы түбірлері жоқ.
функцияның
полюстерінің орыны
(10.10)
теңдеудің түбірлерімен белгіленеді. (10.10)
теңдеудің
түбірлерін
деп белгілейміз.
Екі жағдай болуға мүмкін: а)
барлық түбірлер жай; б) кейбір немесе барлық түбірлер
еселі.
а) жай түбірлердің жағдайы
Өте жай жағдайда бейне радионалды
бөлшек түрде болады:
(10.11)
бөлшек
қысқарылмайды, яғни
және
мүшелердің жалпы түбірлері жоқ, ал
және
- заттық
сандар. (10.11) бейненің түп нұсқасын жікте теормасы
деп аталатын кейіптеме бойынша табуға болады:
(10.12)
Мұнда pк сипаттамалы
теңдеудің, яғни
теңдеудің
жай түбірлері, бір түбір нөлге тең болуы мүмкін.
Егер де бір түбір нөлге тең болса,
яғни бөлгіш ішінде (10.11) р көбейткіш бар болса, онда жіктеу
теореманың басқа түрі қолданады.
(10.13)
б) еселі түбірлердің жағдайы
Егер де көп мүшелі
түбірлерінің ішінде еселі түбірлер болса, онда
жіктеу теореманы (10.12) және (10.13) формулаға ұқсасты
жасауға болады, бірақ оң жағында қосындымен (бір қосынды
түбірлер саны бойынша, ал екінші әрбір түбір үшін
оның еселік реттігімен).
Сонымен,
теңдеуде еселі
түбірлер болса, онда
кесінді бойынша
тұп нұсқау мына формула бойынша есептеледі:
(10.14)
Шаршы жақшаның бөлгішіндегі
көріністі алдымен
шамаға
қысқартып, содан кейін дифференциялдау керек.
Егер де
теңдеуде бір
мезгілде жай және еселі түбірлер болса, онда жай түбірлерге
сәйкесті қосындыларды (10.12) және (10.13) формулалар, ал
еселі түбірлер үшін - (10.14) формула қолданады.
10.3 Операторлық түрдегі Ом және
Кирхгофтың заңдары
10.1 – суреттегі R, L, C тізбек
ЭҚК-ке
қосылып тұрған, ал
ұақыт
мезгілде
ЭҚК-ке ауысып
қосылады.
Ауысып қосылғаннан кейін Кирхгофтың
екінші заңы лезді мәндер үшін былай жазылады.
(10.15)
. (10.16)
мұнда
- сыйымдылықта
ауысып қосу кездегі кернеу, яғни
кезде.
Лезді мәндер үшін жазылған тұп
нұсқауынан оның операторлық түрде жазылған
бейнесіне өту үшін (10.1) кейіптемеге сәйкес былай істеледі:
(10.15) теңдіктің екі жағын
шамаға
көбейтіп нөлден шексіздікке дейін интегралдау керек. Онда
шығады:
.
деп есептеп
және (10.4), (10.7), (10.16) кейіптенелерді есепке алып, шығарамыз:
ал бұл
теңдеуден R, L, C тізбек үшін операторлық түрде
Омның заңы шығады
(10.17)
Бөлгіште тұрған көрініс
операторлық кедергі деп аталады
. (10.18)
Операторлық кедергіге кері шама операторлық
өткізгіш деп аталады
. (10.19)
Басты жағдайлар нөлге тең болса,
яғни
және
болса, онда (10.17)
көрініс:
(10.20)
яғни комплексті түрдегі Ом заңына
толық ұқсас.
Тармақталған тізбектін әрбір
түйіні үшін
.
Сондықтан токтың кесіндісін
белгілеп
Кирхгофтың бірінші заңын операторлық түрде жазамыз:
(10.21)
тармақтан
құралған әрбір тұйықталған контур
үшін
.
деп есептеп
Кирхгофтың екінші заңы операторлық түрде жазылады:
, ал бұны былай жазуға болады:
(10.22)
Былай жазылған түрде
және
- индуктивтік орауыштардағы
токтың және конденсаторларды кернеудің басты мәндері.
Егер де басты жағдайлар нөлге тең
болса, онда Кирхгофтың екінші заңы былай жазылады:
(10.23)
яғни бұл жағдайда ол Кирхгофтың екінші заңы
комплексті түрде жазылғанға толық ұқсас.
Сонымен Омның және Кирхгофтың
заңдары операторлық түрде өздерінің жазылу
түрі бойынша синусоидалды ток тізбегі үшін сол
заңдардың комплексті түрде жазылғанға ұқсас.
Бірақ есте ұстау керек, бірінші – басты
жағдайлар нөлге тең болмағанда, яғни
және
болғанда
әрбір к тармақта сыртқы ЭҚК
-дан басқа ішкі ЭҚК-тер
және
әсер етеді
(олардың болымды бағыттары сол тармақтағы токтың
болымды бағытына сәйкес), екінші – тармақтың кедергісі
ретінде операторлық кедергі алынады.
10.4 Баламалы операторлық сүлбелер
Операторлық әдіспен өтпелі процесті
есептеген кезде берілген тізбек үшін баламалы операторлық
сүлбені құру пайдалы болады.
Басты жағдайлар нөлге тең
болмағанда баламалы операторлық сұлбаны құруды
10.2-суретте келтірілген сүлбені қарайық.

10.2 – сурет. Тізбектің электр сұлбасы

10.3 – сурет. Тізбектің баламалы операторлық
сұлбасы
Кирхгофтың заңдарын операторлық
түрде жазамыз:
![]()

Қайтадан мына түрде жазамыз:
![]()


бұл
теңдеулер бойынша 10.3 –
суретте келтірілген балама операторлық сүлбені құрамыз.
Тізбектерді
есептеу әдістердің токпен кернеудің кесінділерін есептеу
үшін (10.3-сурет) контурлық тоқ, түйінді потенциалдар
ж.т.б. әдістерді қолдануға болады.
10.5 Пассивтік екіұштықты ұздіксіз
өзгеріп тұрған кернеу көзіне қосу (Дюамельдін
интегралы)
Мейлі еркінше пассивтік сызықты
екіұштық
ұақыттан
бастап үздіксіз өзгеріп тұрған кернеу көзіне
қосылсын (10.4 – сурет). Екі ұштықтың қандайда
болған тармағында кілт тұйықталғанда ток
-ді (немесе
-ды) табу керек.

10.4 – сурет
Есепті екі кезеңге бөлеміз. Алдымен керекті
шаманы екіұштықты жекелеген кернеудің ырғағына
қосқан кезде табамыз (кернеу тұрақты және сан
бойынша бірге тең).
Жекелеген ырғақ (жекелеген сатылы әсер
ету) жекелеген сатылы функциямен беріледі –10.5-суреттегі бейнеленген 1(t)
Хевисайдтың функциясымен.

10.5 – сурет
Электр тізбектер теориясының көзғарасы
бойынша тізбектің кірісінде әрекет істейтін жекелеген
тұрақты кернеу (немесе ток)
+ уақыт кезінде.
Сонымен
кезінде;
кезінде. (10.24)
Жекелеген ырғақ әсер еткендегі сан
бойынша ізделіп отырған токқа (немесе кернеуге) тең
функция өтпелі
функция деп аталады. Бұл тізбектің жекелеген
ырғаққа әсерлістігі.
Мысалы, R, L – тізбек үшін кернеудің
өтпелі функциясы
ал RC-тізбек
үшін кернеудің өтпелі функциясы ![]()
Өтпелі функцияны, қандайда болған
екіұштықтық сүлбесі болғанда, классикалық
немесе операторлық әдіспен табуға болады. Сонымен, есептеу
кезде
функция белгілі деп
санаймыз.
Пассивтік екіұштық қосылып
тұрғандықтан
кезде токтар
және кернеулер тармақтарда нөлге тең, яғни t<0
кезде
.
Тоқты есептеу жағдайын қарап
шығайық.
Үздіксіз өзгеріп тұрған
кернеуді
тура бұрышты
ырғақтары бар сатылы функциямен алмастырамыз (10.6 – сурет).
Онда кернеу өзгерудің процесін
кезде
тұрақты
кернеуді қосу деп, ал содан кейін бірбірінен
уақыт
аралыққа ығысқан
элементарлы
тұрақты кернеулердің қосылуы деп көрсетуге
болады. Кернеудің қисығына өскенде + таңба, ал
төмендегенде – таңба қойылады.
Ізделіп жатқан тоқтың
тұрақты
кернеуден t уақыт кездегі құрастырушысы
тең.
Тоқтың құрастырушысы t уақыт кезде
уақыт кезде
қосылатын
ырғақты
кернеуден тең
. Мұнда өтпелі функцияның аргументі ретінде
уақыт
алынады. Оған
себеп болатыны -
кернеудің
ырғағының әрекеті кілт тұйықталғаннан
кейін
уақыт
өткенде басталады.
Кернеудің элементарлы ырғағы

Сондықтан токтың ізделіп жатқан
құрастырушысы
(10.25)
Кернеудің элементарлы ырғақтары
-ден t кездегі уақыт аралықта қосылады.
Сондықтан, барлық ырғақтардан токтың
құрастырушыларын жинақтап,
кезде шекке
өтіп және
басты кернеудің
ырғағынан токтың құрастырушысын есепке алып
табамыз.
(10.26)
(10.26) кейіптеме Дюамельдің интегралы деп аталады.
10.6 Пассивтік екіұштықты еркінше түрі
бар кернеу көзіне қосу
Кернеудің еркінше
түрі-кесекті-аналитикалық функциясымен белгіленетін кернеудін
өзгеруін айтады.

10.6 – сурет
Пассивтік екіұштық, өзгеру
қисығы 10.6 – суретте берілген, кернеу көзіне қосылады.
Токты белгілеу үшін жоғарыдай h(t) –
өтпелі функцияны белгілейміз.
Қосылатын кернеу 0<t<t1
аралықта
функциямен берілген
болғандықтан (10.26) кейтемені пайдаланып бұл уақыт
аралыққа жазуға болады
. (10.27)
Келесі уақыт аралықта (t1<t<t2)
кернеу басқа
функциямен беріледі.
Бұл кернеу t1 мезгілде
мәнінен
мәніне дейін
ырғақты өзгереді. Кернеудің ырғағын есепке
алу үшін t=t1 нүктеде екіұштыққа кері
тұрақты кернеу
бұл мезгілде
ынта салынып тұр деп санайық. Онан басқа, кернеудің
бастапқы ырғағынан
және
кернеудің элементарлы ырғақтарынан токтардың
құрастырушыларын есепке алып, нәтижесінде табамыз

(10.28)
Аяғында, t2<t<
уақыт аралық үшін t=t2 мезгілде
-
тұрақты
кернеу қосылғанды және
кернеу
қисығымен белгіленетін элементарлы ырғақтар t=t2
уақыт мезгілге дейін әрекет ететінін есепке алып, табамыз
(10.29)
Онбірінші тарау
11 Төртұштықтар
11.1 Негізгі анықтамалары және топтастыру
Екі жұп шықпаларға қарай
қарылып тұрған электр тізбектің бөлігі
төртұштық деп аталады. «Төртұштық» деген
ұғыммен электр тізбектің екі тармақталарындағы
тоқтармен және кернеулермен қызыққан кезде
пайдаланады.


11.1 – сурет. Төртұштық
Төртұштық ретінде электр генератор
және электр қозғалтқыш, трансформатор, электр
сүзгіш, күшейткіш, электр желілер және көзбен
қабылдағыштың арасында қосылған екі жұп
шықпалары бар басқа құрылғылар жатады.
Төртұштықтың электр
энергияның көзі қосылған шықпалар кіріс деп аталады,
жүктеме қосылған шықпалар – шығыс деп аталады.
Төртұштықтар топтастырылады:
1.
Олардың
ішінде кіретін элементтердің нышаны бойынша;
2.
Ішкі
құрамасының сүлбесі бойынша – Г – түрлі (10.2,а –
сурет), Т – сияқты (10.2,б – сурет), П – сияқты (10.2,в – сурет) көпірлі
(10.2,г – сурет).
Активтік төртұштықтар ішінде энергия
көздері бар, ал егерде энергия көздері жоқ болса немесе олар
өзара компенсацияланса, онда төртұштық пассивтік
болады.
Егер де төртұштықтың ішіндегі
көздердің әрекеттері өзара бір – бірін компенсацияланса,
онда төртұштықтың автономды деп аталады.
Егер де төртұштықтың ішіндегі
көздер тәуелді болса (мысалы, транзисторлар), онда
төртұштықтың тізбектің басқа жағынан
ажыратылған кезде ажыратылған шықпаларда кернеу жоқ
болады. Мұндай төртұштықтың
автономды емес деп аталады. Егер де кіріс және
шығыс шықпаларды ауыстырған кезде тоқтармен кернеулер
өзгермесе төртұштықтық симметриялы. Басқа
жағдайда төртұштықтың симметриясыз.


11.2– сурет. Төртұштықтардың
түрлері.
Төртұштық қайтымды, егер де
шығыстағы тоқтың кірістегі кернеуге қатынасы
қайсы екі жұп шықпалар кіріс, ал қайсы шығыс
болғанда тәуелді болмаса.
Пассивтік симметриялы
төртұштықтың – қайтымды, ал симметриясыз –
қайтымды емес.
Кіріс және шығыс шықпалары бар
күрделі электр тізбек белгілі сүлбе бойынша қосылған
құрама төртұштықтардың жиынтығы болып
қаралады.
Төртұштықтың теориясы
мұндай күрделі төртұштықтың параметрларын
құрама төртұштықтардың параметрлары
арқылы есептеуге рұқсат береді және күрделі
төртұштықтың тоқтарымен кернеулердің
арасындағы тәуелділікті, берілген сүлбенің ішіндегі
тоқтарды және кернеуді есептемей, табуға жағдай
туғызады.
11.2 Төртұштықтардың
теңдеулер жүйелері
Тәуелсіз электр энергияның көздері
жоқ төртұштықтың жұмыс ережесін қарап
шығайық.
Біріншілік және екіншілік шықпалардағы
ережені белгілейтін екі тоқтың және екі кернеудің
арасындағы тәуелділіктер әртүрлі түрде жазылуы
мүмкін. Егер де көрсетілген екі шама берілген болса, онда
басқа екі шама олармен екі тендеулер жүйемен байланысады. Бұл
теңдеулер төртұштықтың теңдеулері деп аталады.
Түрі бойынша әртүрлі, бірақ
негізінде эквивалентті алты теңдеулер жүелерді жазып алуға
болады.
1.
А түрлі
теңдеулер:
(11.1)
Бұл теңдеуде
және
коэффициенттер
төртұштықтың өзін белгілейді. Олар қосылу
сүлбесінен және төртұштықты құрайтын
электр тізбектің элементтерінен тәуелді.
және
өлшемі
жоқ коэффициенттер,
кедергінің
өлшемі,
өткізгіштің өлшемі.
2.
Y түрлі
теңдеулер:
(коэффициенттер -
өткізгіштік) (11.2)
3.
Z түрлі
теңдеулер:
(коэффициенттер –
кедергілер) (11.3)
4.
Н түрлі
теңдеулер:
(11.4)
5.
G түрлі
теңдеулер:
(11.5)
6.
В түрлі
теңдеулер:
(11.6)
11.3 Төртұштықтардың ережелері
Тоқтардың болымды бағыттарын (11.3,а –
сурет) көріктендіру көздер біріншілік (кіріс) шықпаларда
және
кедергісі бар
қабылдағыш екіншілік (шығыс) шықпаларында болған
төртұштық үшін көрсетілген сияқты, ал
теңдеулер А түрде жазылады.
Кері болымды бағыттар – көріктендіру
көздер екіншілік шықпаларында және
кедергісі бар
қабылдағыш біріншілік шықпаларда (11.3,б – сурет)
көрсетілген. Теңдеулер В түрде жазылады.

Кіріс кедергілер.
кернеудің
тоққа
қатынасы (11.3,а – сурет)
кіріс кедергі
біріншілік шықпалар жақтан деп аталады, ал
кернеудің
тоққа
қатынасы (11.3,б – сурет)
кедергі екіншілік
шықпалар жақтан деп аталады.
11.3 – сурет
Кіріс кедергі көріктендіру көздің
жұмыс ережесін белгілейді. Ол төртұштықты
құрайтын элементтердің қосындысына және
параметрлеріне, яғни төртұштықтың
коэффициенттеріне тәуелді және жүктеменің кедергісіне
тәуелді.
(11.7,а)
(11.7,б)


11.4 – сурет
Біріншілік
шықпалардан көріктендірілген кезде, ал екіншілік шықпалар
қысқа тұйықталған кезде, яғни
болғанда
(11.4,а – сурет), кіріс кедергі:
(11.8)


11.5 – сурет
Екіншілік
шықпаларда бос жүріс ереже кезде, яғни
болғанда
(11.5,а – сурет) кіріс кедергі:
(11.9)
Екіншілік шықпалардан көріктендірілген кезде,
ал біріншілік шықпалар қысқа тұйықталғанда,
яғни
болғанда
(11.4,б – сурет) кіріс кедергі:
(11.10)
Біріншілік
шықпалар бос жүріс ереже кезде, яғни
болғанда (11.5,б – сурет) кіріс кезінде:
(11.11)
Қысқа
тұйықталудың және бос жүрістің кедергілері
ұштықтың коэффициенттерімен белгіленеді:
(11.12)
Егер де коэффициенттер белгілі болса, онда
төртұштық берілген болады.
Теңдеулердің бір түрлерінің
коэффициенттерінің матрицасы басқа теңдеулер
түрінің коэффициенттерінің матрицасы арқылы
көрсетуге болады.
Төртұштықтың теңдеулер
коэффициенттері біріншілік параметрлар деп аталады. Егер де
төртұштықтың сүлбесі және оны
құрастырушы элементтердің шамалары белгілі болса, онда коэффициенттерді
есептеумен белгілеуге болады.
Мысал.11.1: А түрлі теңдеулердің
коэффициенттерін табу керек
(11.6 – сурет)
Шешу:

Кирхгофтың заңдары
көмегімен
кернеуді және
тоқты
кернеу және
тоқ
арқылы білдірейік.
11.6 – сурет
![]()

А түрлі теңдеулермен (10.1) бұл
тәуелділіктері салыстырып табамыз:
![]()
Симметриялы төртұштық
Симметриялы төртұштықтың
өзара кіріс және шығыс шықпаларды алмастырған
кезде көздің және қабылдағыштың жұмыс
ережесі өзгермейді.
Симметриялы төртұштық үшін ![]()

Мысал.11.2: А түрлі
теңдеулердің коэффициентерін табу керек (11.7 - сурет)
11.7 – сурет.
Шығыс шықпалар ажырап тұрғанда
(бос жүріс ереже)
тең
; 
Бұл теңдеулерді (10.1) теңдеулермен (
тең кезде) салыстырып
; ![]()
Екінші шықпалар қысқа
тұйықталса (
кезде)
; немесе
;

Бұл теңдеулердің (10.1)
теңдеулермен (
кезде) салыстырып табамыз:
;
, яғни ![]()
Бұл жағдай симметриялық
төртұштықтарда болады.
11.4 Пассивтік төртұштықтардың
екіншілік (сипаттамалы) параметрлері
Төртұштықты, оның кіріс кедергісі
жүктеу кедергіге тең болу үшін, қалай жүктеу
керек?
Көріктендіру көзді біріншілік
шықпаларға қосайық (11.8,а – сурет)


11.8 – сурет
кіріс кедергіні
(11.7,а) бойынша, симметриялы төртұштық үшін
есепке алып, табамыз:
(11.13)
болу керек,
яғни
(11.14)
(11.14) өрнек
жүктеменің кедергісін
болғанда
шамасын белгілейді.
(11.14) теңдеуден шығады
(11.15)
Мұндай жүктеме кезде
төртұштықтың кіріс кедергісі оның параметрлерінен
(
және
) тәуелді, ал сондықтан
төртұштықтың бір параметрамен алуға болады.
Жаңа параметрды білу керек, егер де дайын
төртұштыққа
таңдау керек
болғанда, немесе, кері, жүктемесі берілген
қабылдағышқа төртұштықты жобалау керек.
Бұл параметр
деп белгіленеді, оны
төртұштықтық сипаттамалы кедергісі деп атайды
(11.16)
кездегі
төртұштықтың ережесін жүктеме келіскен ереже деп
атайды. Егер де көздің ішкі кедергісі
болса, онда
көріктендіру көзде төртұштықпен келіскен деп
есептеледі. Бұл ережеде
және
(11.17)
Симметриялы төртұштықтың,
кірістегі және шығыстағы кернеулерді және
тоқтарды бір-бірімен салыстыру өте жеңіл өткізуге
рұқсат беретін, екінші параметрды алады.
Жүктеме келіскен кезде
(11.18)
мұндағы
- кернеудің
шамасын өзгергенді көрсететін қатынастың модулі;
- кірістің
және шығыстағы кернеулердің арасындағы
фазалардың ығысуын көрсететін аргумент. Бұл бұрыш
фазаның тұрақтысы деп аталады. Кірістегі және
шығыстағы кернеулер бір-бірінен өте айрықша болады.
Сондықтан, кіріспен шығыстағы кернеулер
қатынасындағы логарифмдік масштабы бағаланады, яғни
орнына
әлсіретудің тұрақтысы пайдаланады
немесе
(11.19)
Әлсірету тұрақтының өлшемі
– непер (Нп). Төртұштықтың
тең, егер де
жүктеме келіскен кезде шығыстағы кернеу кірістегі кернеуден
есе аз болса
(11.20)
(11.21)
– комплексті мөлшемсіз шама жүктеме келіскенде
кернеудің және тоқтың өзгергендегі мәндерін
фаза бойынша сипаттайды да төртұштықтың беріліс
тұрақтысы деп аталады.
төртұштықтың құрылымын
құрайтын элементтердің параметрлерімен толық
анықталады.
(11.22)
сипаттамалы кедергіні
және берілістің тұрақтысын симметриялы
төртұштықтың екіншілік параметрлері деп атайды.
формула бойынша
есептелген кезде
-ны непермен,
-ны радианмен қояды.
(децибелл).
11.5 Төртұштықтың
теңдеулері гиперболикалық функциялар түрінде
Симметриялы
пассивтік төртұштық өте жиі екіншілік параметрлерімен
тапсырылады. Бұл жағдайда, ережені зерттеген кезде кернеулер
және тоқтар екіншілік параметрлермен байланысқан
теңдеулерді пайдалану керек.
Мұндай
теңдеулерді құрастыру үшін
коэффициентерді
екіншілік параметрлер арқылы көрсетіп (10.1) теңдеуге
қою керек.
(10.22) теңдеуден шығады
(11.23)
Симметриялы
төртұштық үшін байланыс теңдеу
(11.24)
(11.24)
және (11.26) теңдеулерді
және
қатысты шешім,
табамыз:
;
(11.25)
(11.25)
(10.1) қойғаннан кейін симметриялы
төртұштықтың гиперболикалық түрде
теңдеулерін табамыз
(11.26)
Симметриялы
төртұштық кіріс кедергісі
(11.27)
Қысқа
тұйықталған кезде (
)
(11.28)
Бос
жүріс кезде (
)
(11.29)
(11.28)
және (11.29) екіншілік параметрлерді табамыз
;
(11.30)
11.6 Төртұштықтың шеңберлік
диаграммасы
Біріншілік
тізбектегі
тоқпен
екіншілік тізбектегі
тоқ
арасындағы қатынас мынаған тең
(11.31)
мұндағы
және
- комплексті сандар.
кедергінің
модулі (шамасы) өзгеріп тұр, ал
аргумент тұрақты. Бұл
жағдайда
кедергіге қарай тізбекті активтік
екіұштық деп қараймыз. Бұл жағдайда
вектор шеңбердің доғасы
бойынша жылжиды,
болғандықтан
вектордың аяғыда
шеңбердің доғасы бойынша жылжиды.


11.9 – сурет
және
комплекстерді табу
үшін
және
тоқтарды екі
ереже кезде білу керек, мысалы
және
кезде.
кезде (екіншілік
тармақ ажырап тұр)
, ал
(10.31) бойынша
, яғни
.
кезде (екіншілік
тармақ тұйықталып тұр)
және
деп белгілеп (10.31)
теңдеуге қоямыз да, табамыз.
, ал бұдан шығады
![]()
сондықтан,
(11.32)
арқылы
тармақтың
ажыратылған қысқыштарындағы кернеуді белгілеп
және
кедергі арқылы
активтік екіұштық ретінде қаралып тұрған
барлық тізбектің бөлігінің кіріс кедергісін белгілеп
эквивалентті генератор принципі бойынша табамыз
(11.33)
мұндағы ![]()
(11.33)
теңдеуді (11.32) теңдеуге қойып, табамыз
(11.34)
(11.34)
теңдеудің екінші қосындысы активтік екіұштық
шеңберлік диаграммасының теңдеуі сияқты (хордасы
тең).
Төртұштықтың шеңберлік диаграммасын
құру үшін алдымен
және
белгілеу керек.
Шеңберлік диаграмманы келесі тәртіппен
құрамыз:
1.
масштабты
таңдап
векторды саламыз
(10.10 – сурет);
2.
масштабты
таңдап
(
кесінді) векторды және
(кесінді
) векторды саламыз. Шеңберлік диаграмма
және
жағдай
үшін құрылып жатыр.

11.10 – сурет. Төртұштықтың
шеңберлік диаграммасы.
3.
және
нүктелерді
қосып шеңберлік диаграмманың хордасын құрамыз.
4.
кедергінің
масштабты таңдап
хорда
кесіндіні
белгілейміз.
5. Хорда
қарай
бұрыш
тең ауыспалы
параметрлердің түзу сызықты өткіземіз.
6.
түзу
сызықты өткіземіз.
7. Хорданың ортасына перпендикулярдың
сызықпен
кесілген нүкте
шеңберлік
диаграмманың орталығы болады.
-нің қандай болған мәні үшін
кесіндіні алып
сызықты
шеңберлік диаграммасымен
нүктеде
қыйысқан жері
тоқтың
векторының аяғының қалыпын көрсетеді.
тоқ,
кернеу,
және
қуаттар
екіұштық шеңберлік диаграммасындағы кесінділермен
белгіленеді.
тоқ
кесіндімен,
кернеу
кесіндімен, ал
және
қуаттар
, немесе оған пропорционалды
кесіндімен
анықталады.
Диаграммада
тоққа
және
кернеуге
хорда сәйкес,
сол себептен
және ![]()
Мысал:

11.11 – сурет
.
тоқтың
шеңберлік диаграммасын құрып, сол бойынша
және
мәндерін екі
ережеде
және
кезде белгілеу керек.


11.12 – сурет
Шешу: Шеңберді салу үшін шамаларды табамыз:
![]()
![]()
![]()
![]()
![]()
масштабты
таңдап
және
векторларды
тұрғызамыз
(11.11 – сурет).
хорданы
өткіземіз де,
масштабты
таңдап
кесіндіні
өткіземіз.
нүктесіден
бұрышқа
бұрып өзгертіп тұрған параметрдің
сызығын
өткіземіз.
сызыққа
перпендикулярды
түсіреміз және
хорданың
ортасына перпендикулярды өткізіп
нүктені
табамыз. Бұл нүкте диаграмманың ортасы болады.
кесінді
тоқты
өлшейді,
-кесінді
тоқты
өлшейді,
кесінді
кернеуді
өлшейді,
кесінді
кедергіні
өлшейді.
Масштабтар:
![]()
Мысал:
кедергіні
кесінді белгілейді.
![]()
![]()
![]()
![]()
Он екінші тарау
12 Электр сүзгілер
12.1 Негізгі түсініктер және анықтамалар
Электрлік, радиотехникалық және
телемеханикалық қондырғыларда және
құрылғыларда жиі мынадай мәселе туады:
жиіліктердің кең алқапты орынды алатын көп дабылдардан
жиіліктердің енсіз алқабы бар бір немесе бірнеше дабылды
бөліп шығару керек. Жиіліктердің былай бөлінуі электр
сүзгілердің көмегімен орындалады.
Электр сүзгі – белгілі жиіліктердің
алқабын шамалы сөнумен өткізетін, ал бұл жиілік
алқаптың сыртындағы дабылдарды – күшті сөнумен
өткізетін пассивтік төртұштық. Сөну шамалы
алқап өткізу алқап деп аталады, басқа жиіліктер саласы
– сөну алқап деп аталады.
Өткізу жиіліктер бойынша топтастыру:
1)
Төменгі
жиіліктердің сүзгілері – ТЖС,
жиіліктен
жиілікке дейін
ауқымдағы дабылдарды өткізеді (12.1,а – сурет);
2)
Жоғары
жиіліктердің сүзгілері – ЖЖС,
-ден
жиілікке дейін
ауқымдағы дабылдарды өткізеді (12.1,б – сурет);
3)
Жолақ
алқапты өткізгіш сүзгілері – АӨС,
-ден
-ге дейін ауқымдағы дабылдарды өткізеді
(12.1,в – сурет);
4)
Бөгегіш
сүзгілері – БС, 0-ден
-ге дейін ауқымдағы дабылдарды және
-ден
-ге дейін ауқымдағы дабылдарды өткізеді
(12.1,г – сурет).

12.1 – сурет
Элементтердің қосылу әдісі бойынша
топтастыру:
Сүзгілер Г-, П-, Т- және көпірлі
сияқты элементтердің қосылуы болуы мүмкін және
бірүзбелімен көпүзбелі болуы мүмкін.
Элементтердің түрлеріне тәуелді
топтастыру:
a)
реактивтік (L және С элементтерден құралады);
b)
индукционды
емес (R және С элементтерден құралады);
c)
пьезоэлектрлік
(кварц табақтардан құралады);
d)
активтік
RC-сүзгілер.
Жиілікті сипаттамаларының түрімен К
және Т түрлі сүзгілерге бөлінеді.
12.2 – суретте төменгі жиілікті сүзгі
төртұштық түрде бейнеленген.
Кіріс кернеу
, шығыс кернеу
және
жүктеменің кедергісі
-ге тең.

12.2 – сурет 12.3
– сурет
Комплексті беріліс коэффициент (кернеу бойынша).
, (12.1)
мұндағы А, В, Zж – жиіліктен
тәуелді параметрлер.
Комплексті беріліс коэффициенті мына түрде
келтіруге болады
, (12.2)
мұндағы
– амплитудалы жиілікті сипаттама (АЖС);
- фазалы-жиілікті
сипаттама (ФЖС).
Өте оңды сүзгі үшін өткізу
алқапта
, яғни
.
Келіскен жүктеме кезде комплексті беріліс
коэффициент
.
Өткізу алқапта сөну коэффициент А=0,
фаза коэффициент В сызықты заң бойынша өзгереді (12.4, а,б –
сурет).

12.4 – сурет
Беріліс коэффициент Г=А+jB симметриялы
төртұштықтың екіншілік параметрлеріне жатады, А –
сөну (әлсірету) коэффициент [Hп], В – фаза коэффициенті [рад].
12.2 К түрлі сүзгілер:
a)
төменгі
жиіліктердің сүзгілері.
Симметриялы К түрлі сүзгілердің Т –
немесе П – түрлі сүлбелері болады (12.5 – сурет) және
оның
.

12.5 – сурет. К түрлі сүзгілер (а –
Т-сияқты, б – П-сияқты)
Симметриялы төртұштықтар үшін
.
Сондықтан, Т-және П-сияқты
сүзгілер үшін келіскен жүктеме кезде
.
Төменгі жиілікті Т-және П-сияқты
сүзгілерде (12.5, а,б – сурет)
және
, яғни
- нақтылы шама
болғандықтан
, ал
.
-ден – 1-ге дейін
шектерде өзгереді, яғни төменгі шекаралық жиілік
өткізу алқапта (А=0 кезде)
, жоғары шекаралық жиілік өткізу
алқапта
. (12.2)
Симметриялы төртұштықтың
сипаттамалы кедергісі
.
А12 және А21 мәндерін
қойғаннан кейін Т-сияқты сүлбе үшін
, ал П-сияқты сүлбе үшін
.
және
төменгі
жиілікті сүзбе үшін мәндерін қойғаннан кейін
шығады
(12.3)
мұндағы
.
кезде, яғни
өткізу алқапта
және
- реактивтік
кедергілер, жиілік өскенде нөлден
-ге дейін Т-сияқты және
-тен нөлге дейін П-сияқты сүзгілерде
өзгереді.

12.6 –
сурет 12.7 – сурет
Сүзгінің индуктивтігімен сыйымдылығын
есептеген кезде шекті жиілік
(12.2) және К
тең жүктеменің кедергісі тапсырылады;
б)
жоғарғы
жиіліктердің сүзгілері.
12.6 – суретте К түрлі Т- және П-
сияқты сүзгілердің жоғарғы жиіліктердің
дабылдардың өткізіп төменгі жиіліктердің
дабылдардың ұстап қалатын сүлбілері келтірілген.

12.7 – сурет
![]()
.
Өткізу алқап мына шекаралықтарда
жатады ![]()

12.8 – сурет

кезде
кезде
сондықтан
.
Т- және П- сияқты сүлбілер үшін
сипаттамалы кедергілер

(12.4)
Өткізу алқапта ZСТ және ZСП
кедергілер активтік. ZСП
-тен
-ге дейін, ал ZСТ нөлден
-ге дейін өзгереді.
Сүзгіні жүктемемен келістіру үшін
жүктеменің кедергісі активтік болу керек және 4.7,б – суретте
көрсетілген сияқты өзгеру керек;
в)
алқапты
өткізгіш сүзгілер.
Егер де 14.5 және 14.7 суреттердегі
сүзгілердің сүлбілерін электр бір-бірімен қосқан
сияқты болса, онда пайда болған сүзгі
- ден
- ге дейін
ауқымдағы дабылдарды өткізеді.

а) б)
12.9 – сурет
Бір жиілік кезде Z бойлық кедергілер (кернеу
резонансы) және Y көлденен өткізгіштер (токтар резонансы)
нөлге тең болу үшін мына шарт орындалу керек.
(12.5)
бұл жағдайда
.

(12.6)
Өткізу алқаптың шекараларын белгілейтін
теңдеулер
(12.7)
теңдеуді шешу
керек, немесе
![]()
![]()
(12.8)
Табылған өрнектерден сүзгі жиілік
-ден
-ге дейін өзгерген кезде дабылдарды өткізетіндігі
шығады (12.10,а – сурет).
жиілік
шегаралық жиіліктердің орташасына, яғни
.

12.10 – сурет
Сөну (әлсіреу) коэффициенттің басу
алқаптағы жиілік тәуелділігі мына өрнек арқылы
табылады
(12.9)
Бұл теңдеу бойынша 12.10,а – суретте
жиілік сипаттама
салынған.
Өткізу алқаптағы В фаза
коэффициенттің тәуелділігін былай белгілейміз
(12.10)
Екі сүлбедегі сипаттамалы кедергілер:

. (12.11)
ZCT және ZCП кедергілердің
тәуелділіктері
14.11,а,б – суреттерде көрсетілген.

12.11 – сурет
Жүктеменің
кедергісі сипаттамалы
кедергіге тең қылып аламыз, яғни
.
.
; (12.15)
г)
бөгегіш
сүзгілер.
Егер де алқапты өткізгіш
сүзгілердің сүлбілерінде сыйымдылықтардан және
индуктивтіктерден құрылған параллельді және тізбектеп
қосылған тармақтарды орындарымен алмастырсақ, онда
пайда болған сүзбелердің сүлбілерінде
жиілігін кезде Z бойлық кедергілердің
үзілді және Y көлденен өткізгіштердің
қысқа түйықталуы пайда болады.

12.12 – сурет
Ол үшін мына шартты орындауы керек:
![]()

Өткізу алқаптың шекараларына мына
теңдеулерден табамыз
.
Бірінші теңдеуден
;
,
Екінші теңдеуден
(12.16)
Табылған өрнектерден шығады -
сүзгі 0-ден
-ге дейін және
-ден
-ге дейін жиіліктерді өткізеді.
.
Бөгеу алқапта сыну коэффициенттін жиілік
тәуелділігі мына өрнектен табылады
(12.17)
Өткізу алқапта сүзгінің
фазалық сипаттаманың теңдеуі:
(12.18)

12.13 – сурет
(12.19)

12.14 – сурет

12.14 – сурет
Бұл теңдеулер бойынша 12.14,а,б – суреттерде
ZCT және ZСП
-ден тәуелділіктер салынған.
, яғни жүктеме келіскен.
![]()
.
Он үшінші тарау
13 Параметрлері таратылған тізбектер
13.1 Ұзын желілердегі токтар және кернеулер
Электр энергетикада үлкен кернеулер кезінде
және электр байланыста үлкен жиіліктер кезінде, сонымен бірге
электр жеткізу желінің ұзындығы үлкен болғанда
ығысу және кему токтармен елемеуге болмайды.
Сымдарғы токтар кедергілерде кернеу түсуді
құрады және айнымалы магнит өрісті құрады.
Бұл өріс барлық желінің бойында өздік электр
қозғаушы күшті өндейді. Сондықтан, сымдарының
арасындағы кернеуде тұрақты болып қалмайды.
Желіні бойлай токтың және кернеудің
өзгеруін есептеу үшін желінің әрбір қандай да
болған кішкентай элементтің кедергісі және индуктивтігі, ал
сымдар арасында - өткізштік және сыйымдылығы бар, яғни
желіні параметрлері таратылған тізбек деп қарау керек. Мұндай
желі ұзын желі деп аталады.
Кедергі, индуктивтік, өткізгіштік және
сыйымдылық желінің ұзындығы бойынша біркелкі
таратылған деп есептейміз. Мұндай желіні біртекті деп атайды.
13.2 Біртекті екі сымды желінің теңдеулері
Екі сымды желінің кез келген кескіндісінде
токтарға және кернеулерге сәйкесті дифференциалды
теңдеулерді құрамыз.

13.1-сурет
Жоғары сым тура сым, төменгі сым кері сым деп
аталады. Біртекті желінің оның ұзындық бірлігіне
жататын біріншілік параметрлері белгілі болсын:
- тура және кері сымдардың кедергілері
;
-тура және кері сымдармен құрылатын
ілмектің индуктивтігі
;
- сымдар арасындағы сыйымдылық
.
Ұзын желіні өте көп
ұзындығы
тең
элементердің тізбекті қосылған түрде көрсетуге
болады. Әрбір элементтің
кедергісі,
идуктивтігі,
өткізгіштігі
және
сыйымдылығы бар
(13.1-сурет).
Желінің басынан элементке дейін аралықты
деп белгілейміз.
Кирхгофтың заңдары бойынша
ұзындығы
бар элемент үшін жазамыз:

Екіншілік дәрежелі шамаларды еске алмай және
қысқартып
дифферинциалды теңдеулерді табамыз:
(13.1)
(13.2)
Белгілі басты және шеғаралық
жағдайлар кезде теңдеулердің жүйесін шешу токты
және кернеуді желінің ұзындығының және
уақыттың функциялары ретінде белгілеуге рұқсат береді.
13.3 Біртекті желідегі қалыптасқан ереже
(13.1) және (13.2) теңдеулерді
қалыптасқан ереже жасап және комплексті токтарды,
кернеулерді, кедергілерді және өткізгіштерді кіргізіп табамыз
(13.3)
(13.4)
мұндағы
және
-
ұзындықтың бірлігінде комплекстік кедергі және
комплекстік өткізгіштік. (13.3) және (13.4) теңдеулерді
дифференциялаймыз:
ал содан кейін
және
(13.3) және (13.4)
бойынша алмастырып табамыз:

(13.5)
(13.6)
(13.5)- тұрақты коэффициенттері бар екінші
дәрежелі сызықты дифференциалды теңдеу. Оның шешуі мына
түрде болады:
, (13.7)
мұндағы
, (13.8)

-интегралдаудың комплексті тұрақтылары.
(13.3) бойынша ток
тең
. (13.9)
Өлшемі кедергіге тең (13.9)
теңдеудің бөлгіші
толқынды
кедергі деп аталады. Біртекті желі үшін (төртұштық
үшін) толқынды кедергі сипаттамалы кедергімен дәл
түседі.
, (13.10)
мұндағы
. (13.11)
Толқынды кедергі
және тарату
коэффициент
біртекті
желінің екіншілік параметрлері деп аталады.
(13.9) теңдеуге
қойып жазамыз:
.
(13.12)
(өлшемдері –
кернеу) көрсеткіш түрде көрсетіп
, кернеулерді және токтардың лезді мәндерін
жазамыз:

(13.13)
(13.14)
Теңдеулердің оқ жағындағы
әрбір қосындыны координата х өсу және кему
бағытына қарай жүгіріп бара жатқан толқын деп
қарауға болады. Бұл толқындар қозғалыстың
бағытына қарай сөнеді. Әрбір қосында қандай
да болған бекітілген
нүктеде
периодикалы синусоидалы уақыт функциясы болады, ал бекітілген
уақыт мезгілде
бұл қосындылар сөніп бара жатқан желі бойындағы
тербелену болады (яғни х өзгерген кезде).
Жүгіріп бара жатқан толқынның
негізгі сипаттамалары фазалық жылдамдық және
толқынның ұзындығы.
Толқынның
фазалық
жылдамдығы деп тербеленудің фазасының ауыспалалық
жылдамдығы аталады. Бұл жылдамдық уақыт өзгерген
кезде және х аралық өскен кезде тұрақты болып
қалады, яғни
ал бұдан
шығады
және
.
(13.15)
(13.13) теңдеудің оң
жағындағы екінші қосындыны зерттегенде фазалық
жылдамдықтың мәні сол сияқты бірақ таңбасы
кері болады. Бұдан шығады- қосындылар
қарама-қарсы бағыттарда қозғалып бара
жатқан толқындар.
Толқынның ұзындығы
деп тербелену
фазалары
-ге айырылатын толқынның таралу бағытына
қарай алынған екі ең жақын жатқан
нүктелердің арасындағы аралық.
.
Бұдан шығады
және
,
(13.16)
Яғни период Т тең уақытта толқын
толқынның ұзындығына тең аралықты
жүгіріп өтеді.
Желінің басынан қозғалап келе
жатқан толқынды тура, ал аяғынан қозғалып келе
жатқан толқынды кері деп атайды.
13.1-суретте тура
сөніп бара жатқан толқын көрсетілген
(13.17)
мұндағы
(13.18)(13.19)
Тура және кері толқындардың токтарымен кернеулері Ом
заңымен байланысқан
(13.20)
Табылған нәтижелер үш фазалы желілерге
де қолданылады. Бұл жағдайда U және I – фазалық
кернеу және ток, ал
және
бір фазаға
жатады.
13.1 мысал. Үш фазалы электр жеткізу желінің
ұзындығы
, кернеуі
, жиілігі
.Біріншілік параметрлердің келесі шамалары бар:.
Екіншілік параметрлерді, толқынның
ұзындығы және фазалық жылдамдықты белгілеу керек.
1 шқ. комплекстік кедергі және
өткізгіштік:
;
.
Жиілік сипаттамалары:
13.4 Гиперболикалық функцияларда біртекті
желінің теңдеулері
және
тұрақтыларын білу үшін шекаралық
жағдайлар белгілі болу керек.
Желінің басында
кернеу және
ток берілген болсын.
(13.7) және (13.12) теңдеулерден
кезде шығады:
, ал бұдан
(13.21)
(13.7) және (13.12) теңдеулерге және
мәндері
қойып желінің қандай да болған нүктесінде
(желінің басынан Х аралықта)
кернеу және
үшін табамыз:
Оң жақтағы мүшелерді топтастарып
және пен
гиперболикалық
функцияларды кіргізіп табамыз:
(13.22)
Бұл теңдеулер желінің басындағы шамалары бойынша
желінің қандай да болған нүктесіндегі кернеумен токты
белгілеуге рұқсат етеді.
Енді желінің аяғындағы кернеу және
ток берілген болсын,
ал бұл жағдайда жүктеменің кедергісі
белгілі болады.
(13.23)
(13.23) ден кезде табамыз:
, ал бұдан шығады
(13.24)
(13.24) ті (13.23) –ге қойып, мүшелерді
топтастырып және пен
гиперболикалық функцияларды кіргізіп
табамыз:
(13.25)
Тұрақты ток желілер үшін :
(13.26)
(13.27)
13.2 мысал 13.1 мысалдың нәтижелері бойынша
белгілеу керек:
1 желінің аяғында токты;
2 желінің басындағы кернеуді және
токты;
3 желінің басында және аяғында
кернеумен токтың арасындағы фазалық ығысуды;
4 желінің ПӘК-тің, егер де
желінің аяғында белгілі:
1 Желінің аяғындағы ток
2 Комплекстік ауыспалыдан гиперболикалық
функциялардың мәндерін кестеден немесе калькулятор арқылы
табамыз
Желің басындағы ток кернеуден бұрышқа
озады.
3 тең
болғандықтан желінің басымен аяғындағы кернеулер
арасындағы фазалық ығысу
тең.
4 Желіге берілетін активтік қуат
5 Желінің ПӘК-і
.
13.5 Біртекті желінің сипаттамалары
Әлсірету коэффициенті
(13.28)
Фазалық коэффициент
(13.29)
орташа мәні:
1. ауа желілер үшін ;
2. кабельдер үшін .
13.3 – суретте (13.10) және (13.11) бойынша
салынған және Ө
үшін жиілік сипаттамалар көрсетілген
13.3-сурет
кезінде
(13.30)
кезінде
(13.31)
Ө
нөлге тең және
кезінде.
(13.32)
мұндағы
-вакуумдағы
жарықтықтың жылдамдығы,
және
-сымды коршайтын
кеңістіктің диэлектрик және магниттік
тұрақтылары.
Ауа желілер
үшін және
толқындардың жылдамдағы с тең, ал кабельді
желілерде толқындардың жылдамдығы С –ден 2-2,5 есе
төмен.
АЭЖ –лерде кезінде
толқынның ұзындығы
13.6
Желінің кіріс кедергісі және толқынның шағылу
коэффициенті
Желінің
Zкір кіріс кедергісі ретінде желінің басындағы ережені есептеу
кезінде желінің оның аяғында жүктемемен бірге
екіұштықтың кедергісімен алмастыруыды ұғады,
яғни
(13.33)
Қандай
да болған жүктеме
кедергісі кезінде кіріс кедергіні бос жүріс кездегі
және
қысқа жұйықтау кездесі
кедергілер
арқылы көрсетуге болады
(13.34)
(13.35)
(13.33) теңдеудің оң
жағының алымын және бөлгішін бөліп (13.34)
және (13.35) есепке алып, табамыз
(13.36)
13.4-сурет
және
желінің бос
жүріс және қысқа тұйықталу
тәжірібелер арқылы табылады.
және
желінің
ұзындағы өзгерген кезде толқынды өзгереді
(13.4-сурет).
және
арқылы
және
жеңіл табылады.
(13.34) және (13.35) теңдеулері бір-біріне
көбейтіп, содан кейін мүшелер бойынша бөліп және
түбір астынан шығарып, табамыз
Желінің аяғындағы жүктеменің кедергісі еркінше болса
болады, яғни
желіде кері толқын пайдалы болады.
Бұл жағдайда комплекстік шағылу
коэффициенті арқылы есепке алуға болады. Комплекстік шағылу
коэффициент - желінің қандай да болған
нүктесіндегі кері және тура толқынлардың комплексті
кернеулермен токтардың өзара қатынасы:
(13.37)
Кері толқын жоқ кезде желінің
аяғына тура толқынмен жеткізілетін барлық қуат
жүктемеде сіңіріледі. Кері толқын бар кезде тура
толқынның қуат бөлігі кері толқынмен энергия
көзіне қайтарылады.
13.7 Желінің келіскен жүктемесі
Егер де желінің аяғында толқынды
кедергіге тең жүктеменің кедергісі қосылған
болса, яғни , онда
және
болады да, кері
толқын тумайды. Мұндай жүктемені келіскен деп атайды.
Бұл жағдайда шағылу коэффициенті
.
(13.38)
(13.39)
Бұдан шығады
яғни желінің қандай да болған
нүктесі үшін және
комплекстердің
қатынасы
толқынды
кедергіге тең.
(13.33) теңдеуден шығады: келіскен желі
үшін =
.
Желінің аяғындағы кернеудің басты
фазасы нөлге тең деп алсақ, яғни тең деп,
(13.38) және (13.39) негізінде желінің қандай да болған
нүктесінде кернеумен токтың лезді мәндерін жазамыз:
(13.40)
13.5-сурет
Ток кернеудің бұрышқа
озады.
Желінің қандай да болған кесіндісіндегі
қуат
(13.41)
Келіскен желіден берілетін қуат табиғи немесе
натуралды деп аталады.
500, 220, 110 және 35 кВ кернеуі бар желілер
үшін табиғи қуат 600, 120, 30 және 3 МВт тең.
Желінің алатын қуаты , желінің аяғындағы қуат
(13.42)
Желінің ПӘК-і
(13.43)
Желінің басынан алыстанған сайын қуат
азайды.
Қуат шығындары сымдағы кедергілердегі
және оқшаулардың өткізгіштеріндегі
шығындардың қосындысына тең.
13.8 Бұрмалауы жоқ желі
Байланыс желімен берілетін дабылдар әртүрлі
жиіліктердің көпшіліктің жиынтығы: егер де синусоидалды
периодикалы дабылдар болса үзінді, ал периодикалы емес дабыл болса
үзілмес спектр құрылады.
Егер де желінің басымен аяғындағы
дабылдың түрі бірдей болса, онда дабыл берілісі
бұрмаланған емес болады.
Бұл жағдай әлсіреу
коэффициент және
фазалық
жылдамдық бірлық жиіліктерде бірдей болса тұрады.
Әртүрлі жиіліктердегі бірдей сөну емес
амплитудалық бұрмалауды, толқындардың
әртүрлі жиіліктерде жылдамдықтарының бірдей емес болуы
фазалық бұрмалауды тудырады.
Бұрмаланған емес беріліс үшін жиіліктен тәуелсіз,
ал
жиілікке тура
пропоционалды болуы керек. Ақырғы жағдайда фазалық
жылдамдық
жиілікке
тәуелді болмайды. Мұндай жағдайда мынадай теңдік
орындалса болады
(13.44)
Тарату коэффициенті тең:
(13.44) есепке алып, табамыз
(13.45)
яғни әлсірету коэффициент -жиіліктен тәуелсіз, ал фазалық коэффициент
-жиілікке тура пропорционалды.
Параметрларі (13.44) теңдеуді қанағат
ететін желіні бұрмалауы жоқ желі деп атайды.
Бұрмалауы жоқ желінің толқынды
кедергісі – нақтылы сан, яғни жиіліктен тәуелсіз активтік
кедергі
(13.46)
Фазалық жылдамдықта жиіліктен тәуелсіз
. (13.47)
Желінің толқынды кедергісі активтік
болғандықтан .
Кернеулердің және токтардың лезді
мәндерінің желінің қатынасы болған
нүктелерінде тең:
, ал бұдан шығады
.
(13.48)
Сондықтан келіскен жүктемесі бар
бұрмалауы жоқ желінің қандай да болған
бөлігінде әрбір уақытта магнит өрістің энергиясы
электр өрістің энергиясына тең.
(13.44) жағдай орындау үшін желіге белгілі
аралық сайын жасанды индуктивтікті үлкейту үшін индуктивтік
орауыштарды қосу керек немесе өткізгіш талсымдары жоғары
магниттік өтімділігі бар заттардан жасалған кабельдерді қолдану
керек.
13.9 Шығындары жоқ желі
Желіде энергия шығындарды азайту үшін
активтік кедергі және
оқшалаудың өткізгіштігі
неғұрым
аз болуы керек.
Ауалық желілерде индуктивтік кедергі активтік кедергіден
үлкен болады,
ал сыйымдылық өткізгішті
активтік
өткізгіштен
үлкен болады.
Жиілік өскен кезде бұл айырмашылық одан әрі
өседі.
Активтік кедергісі және активтік
өткізгіштігі
нөлге тең
деп алынатын желілер шығындары жоқ желі деп аталады.
Бұл жағдайда желінің екіншілік
параметрлерінің түрі:
яғни шығыны жоқ желіде толқындар
әлсіремейді, толқынды кедергі активтік, ал фазалық
жылдамдық жиілікке тәуелді емес.
Екі сымды желінің ұзындық
бірлігінің сыйымдылығы, :
(13.49)
Сол желінің ұзындық бірлігінің
индуктивтігі, :
(13.50)
мұндағы - сымның
радиусы, d- сымдардың біліктерінің арасындағы аралық.
және
мәндері
қойып, табамыз
(13.51)
мұндағы және
-сымдар
арасындағы ортаның абсолюттік диэлектрикалық және
магниттік өтімділіктері.
Вакуумда жарықтық жылдамдығы
(13.52)
онда фазалық жылдамдық үшін
жазуға болады
. (13.53)
Толқынды кедергінің аргументі Ө
нөлге тең, яғни тура және кері толқынды токтар
кернеулермен дәл түседі.
Шығындары жоқ желінің комплекстік
аргументтінен гиперболикалық функциялар ұзын желінің
теңдеулері нақтылы аргументтен айналма функциялар теңдеулерге
көшеді.
Егер де желінің басындағы кернеу және ток
берілсе, онда
(13.54)
Егер де желінің аяғындағы кернеу және ток
берілсе, онда
(13.55)
Желінің кіріс кедергісі
(13.56)
және
кезінде лезді
мәндерге өтетін болсақ
(13.57)
және
кезінде, шығады
(13.58)
және
кезінде,
шығады
(13.59)
13.10
Тұйық толқындар
Шығыны
жоқ желінің аяғында бос жүріс, қысқа
тұйықталу кезінде және таза реактивтік жүктеме кезде
активтік қуат нөлге тең болады.
1 Бос
жүріс ереже
(13.60)
кезінде
кернеудің және токтың лезді мәндері тең
(13.61)
Бұл
тұйық толқындардың теңдеулері
Тұйық
толқынның теңдеуінің біреуі уақыттан, екіншісі
координатадан тәуелді екі функцияның көбейтіндісі.
Тұйық
толқын деп амплитудалары бірдей тура және кері
толқындардың бір-біріне салу процесін атайды.
Шынында, және
Кернеуді
амплитудалары бірдей тура және кері толқындардың
кернеулерінің қосындасы, токтарды-айырма түрінде
көрсетуге болады.
13.6-сурет
13.7-сурет
(13.62)
Бос
жүріс ережеде желінің аяғында және
аяқтан
(мұндағы
К- бүтін сан) аралықта тұратын нүктелерде қандай
да болған уақыт мезгілде пучность деп аталатын кернеудің
максимумдары және токтың түйіндері байқалады.
Токтың және кернеудің түйіндері және пучнестері
орындарынан қозғалмайды.
Шығындары
жоқ ажыратылған желінің кіріс кедергісі
(13.63)
яғни
таза реактивтік, ал оның мінезі желінің ұзындығымен
және жиілікпен белгіленеді. Абсолюттік шамамен және мінездің
өзгеруінің желінің ұзындығынан тәуелдігі
13.7-суретте көрсетілген х=0 – ден ге дейін,
ден
-ге дейін және сол сияқты желі сыйымдылық
кедергі болады, ал
тен,
дейін,
-ден
және сол
сияқты желі индуктивтік кедергі.
және сол
сияқты желі-параллельді резонанстық контур, ал
және сол
сияқты желі тізбекті резонанстық контур.
Қысқа
тұйықталу кезде шығады:
(13.64)
Лезді
мәндер
(13.65)
яғни
кернеумен ток – тұйық толқындар
13.8-сурет
13.9-сурет
Әртүрлі
уақыт мезгіл үшін желінің аяғында және аяғынан
аралықта
жататын нүктелерде кернеудің түйіні және токтың
пучнісі болады, ал желінің аяғынан
аралықта
жататын нүктелерде кернеудің пучнісі және токтың
түйіндері болады (13.8-сурет).
Кернеудің
пучнісі және тоқың
түйіні бір-бірінен толқынның
ұзындығының бір шірекке ығысқан.
Шығындары
жоқ қысқа тұйықталған желінің кіріс
кедергісі
(13.66)
яғни
таза реактивтік, желінің ұзындығына және жиіліке
тәуелді индуктивтік немесе сыйымдылықты болуы мүмкін.
Қысқа тұйықталған желінің
ұзындығына тәуелді кіріс кедергінің өзгеруі 13.9-суретте көрсетілген. Суреттен
көрініп тұр: -ден,
ге дейін,
ден
-ге дейін желі индуктивтік кедергі, ал
тен,
,
-ден,
-ге дейін –сыйымдылық кедергі,
ж.с.с. желі
–параллельді резонанстық контур.
Жүктемемен
келіскен желіні құру үшін қабылдағышқа
тізбектеп немесе параллельді индуктивтік немесе сыйымдылық элементтерді
қосу керек. Мұндай элементтер ретінде жоғары жиілік кезде
қысқа шығыны жоқ тұйықталған немесе
ажыратылған желіні пайдалануға болады.
Сыйымдылық
элементі ретінде ұзындығы тең
ажыратылған желіні, ал индуктивтік элемент ретінде ұзындығы
тең
қысқы тұйықталған желіні таңдайды.
Шығыны
жоқ ажыратылған желінің х
ұзындығын берілген кезде
мынадағы кейіптеме бойынша анықтауға болады
(13.67)
кезде, яғни
таза реактивтік жүктеме кезде желіде тағы да тұйық
толқындар болады. Бірақ та желінің аяғында
кернеудің және токтың пучності және түйіні
болмайды.
Түйінде
ток немесе кернеу нөлге тең, онымен бірге қуатта нөлге
тең, ал сол себептен түйін арқылы энергия өтпейді.
Желі
арқылы энергияны тек жүгіріп бара жатқан толқындар
жүзеге асырады. Егер де болса, онда
қысқа тұйықталған және ажыратылған
желіде энергияның қозғалысы (көзбен желінің
арасындағы энергияның алмасуы) желінің барлық
ұзындығы бойынша өтеді.
Ұсынылған әдебиеттер тізімі
1. Зевеке Г.В., Ионкин П.А., Нетушил А.В., Страхов С.В. Основы теории цепей.- М.: Энергоатомиздат, 1989. -528с.
2. Бессонов Л.А. Теоретические основы электротехники.-М.: Гардарики, 1999. - 638с.
3.
Нейман
Л.Р., Демирчян К.С. Теоретические основы электротехники. Т.1. - Л.:
Энергоиздат, Ленинградское отделение, 1981. - 536с.
4.
Нейман
Л.Р., Демирчян К.С. Теоретические основы электротехники. Т.2. - Л.:
Энергоиздат, Ленинградское отделение, 1981. - 416с.
5. Теоретические
основы электротехники. Т.1. Основы теории линейных цепей / Под ред. П.А.Ионкина
- М.: Высшая школа, 1976. -544с.
6. Шебес
М.Р., Каблукова М.В. Задачник по теории линейных электрических цепей. - М.:
Высшая школа, 1990.- 544с.
7. Бессонов
Л.А. Теоретические основы электротехники. Электромагнитное поле. - М.: Высшая
школа, 1986. - 263с.
8. Атабеков
Г.И., Купалян С.Д. Тимофеев А.Б., Хухриков С.С. Теоретические основы
электротехники. ч.2. Нелинейные электрические цепи; ч.3 Электромагнитное поле.
- М.: Энергия, 1979. - 432с.
9. Сборник задач по теоретическим основам электротехники/ Л.Д.Бессонов, И.Г.Демидова, М.Е.Заруди и др.-М.: Высшая школа, 1988.-543 с.
10. Сборник задач и упражнений по теоретическим основам электротехники / Под ред. П.А.Ионкина.-М.: Энергоиздат, 1982.-768с.
11. Данилов И.А., Иванов П.И. Общая электротехника с основами электроники: Учебное пособие – М.: Высшая школа, 2000.-752 с.
12. Денисенко В.И., Зуслина Е.Х.
Теоретические основы электротехники: Учебное пособие-Алматы.: АИЭС, 2000.-83 с.
Мазмұны
|
Кіріспе |
|
|||
|
|
Сызықты
электр тізбектер……………………………………………… |
4 |
||
|
1 |
Тұрақты ток және кернеу кездегі
электр тізбектердің негізгі заңдары және есептеу
әдістері……………………………………..........……….. |
4 |
||
|
|
1.1 |
Электр тізбектердің және электр
сүлбелердің элементтері…….. |
4 |
|
|
|
1.2 |
Энергия көздерінің
сүлбелері……………………………………… |
6 |
|
|
|
1.3 |
ЭҚК-і бар бөлігі үшін Ом
заңы……………………………………. |
8 |
|
|
|
1.4 |
Тармақталмаған электр тізбекті бойлай
потенциалдардың таратылуы……………………………………………………………. |
9 |
|
|
|
1.5 |
Тармақталмаған тізбек үшін
қуаттардың тепе-теңдігі…………… |
10 |
|
|
|
1.6 |
2.1.1
Тармақталған тізбектерді есептеу
үшін Кирхгофтың заңдарын қолдану………………………………………………………………
|
12 |
|
|
|
1.7 |
3 Түйінді потенциалдар әдісі………………………………………… |
13 |
|
|
|
1.8 |
3.1 Контурлық токтар әдісі……………………………………………. |
15 |
|
|
|
1.9 |
Активтік екіұштықтан пассивтік екі
ұштыққа максималды қуатты беру…………………………………………………………. |
16 |
|
|
|
1.10 |
ЭҚК-тері және ток көздері бар
параллельді қосылғанда жүргізілетін
түрлендіру………………………………….………… |
19 |
|
|
|
1.11 |
ЭҚК бар сүлбені эквивалентті көзі бар
сүлбеге түрлендіру……. |
20 |
|
|
|
1.12 |
Теңгеру (компенсация)
жайындағы
теорема……………………… |
21 |
|
|
|
1.13 |
Беттесу әдістің принципі………………………………………….. |
21 |
|
|
2 |
Синусоидалды тоқтың бір фазалы электр
тізбектері………………… |
23 |
||
|
|
2.1 |
Синусоидалды электр шамалар…………………………………… |
23 |
|
|
|
2.2 |
Синусоидалды функцияның орташа және
әрекетті мәндері…… |
24 |
|
|
|
2.3 |
Кедергідегі синусоидалды ток……………………………………. |
25 |
|
|
|
2.4 |
Индуктивтіктегі синусоидалды ток……………………………… |
27 |
|
|
|
2.5 |
Сыйымдылықтағы синусоидалды ток…………………………… |
29 |
|
|
|
2.6 |
R,L және С элементтердің тізбектеп
қосылуы…………………… |
30 |
|
|
|
2.7 |
R,L және С элементтердің параллельді
қосылуы………………… |
31 |
|
|
|
2.8 |
Синусоидалды ток тізбектегі қуат………………………………… |
33 |
|
|
3 |
Комплексті сандарды және векторлық
диаграммаларды электр тізбектерді есептеуге қолдану…………………………………………. |
35 |
||
|
|
3.1 |
Синусоидалды функцияларды айнымалы векторлардың
проекциялары түрінде көрсету…………………………………….. |
35 |
|
|
|
3.2 |
Комплекстік түрдегі Ом және
Кирхгофтың заңдары …………… |
38 |
|
|
|
3.3 |
Комплекстік түрдегі электрлік
қуат……………………………… |
43 |
|
|
|
3.4 |
Потенциалды (топографиялық) диаграмма……………………… |
44 |
|
|
4 |
Электр тізбектердегі резонанс…………………………………………. |
46 |
||
|
|
4.1 |
Тармақталмаған
тізбектегі резонанс (кернеулер резонансы)…… |
46 |
|
|
|
4.2 |
Тармақталған
тізбектегі резонанс (токтардың резонансы)…… |
49 |
|
|
|
|
Күрделі айнымалы ток электр тізбектерді есептеу
әдістері…… |
51 |
|
|
|
|
а) контурлық ток әдісі……………………………………………… |
51 |
|
|
|
|
б) түйінді потенциалдар әдісі
…………………………………….. |
53 |
|
|
5 |
5.1 |
Тізбектің индуктивтік байланысқан
элементтері………………… |
55 |
|
|
|
5.2 |
Тізбектің индуктивтік байланысқан
элементтердің тізбектеп және параллельді
қосылуы………………………………………… |
57 |
|
|
|
5.3 |
Өзара индуктивтік бар кезде
тармақталған тізбекті есептеу…… |
59 |
|
|
6 |
Үш фазалы электр тізбектер…………………………………………… |
61 |
||
|
|
6.1 |
Үш фазалы тізбектер туралы
түсінік……………………………… |
61 |
|
|
|
6.2 |
Жұлдызша және үшбұрышты
жалғанған электр тізбектер……… |
63 |
|
|
|
6.3 |
Үш фазалы тізбектің симметриялық ережесі…………………… |
64 |
|
|
|
6.4 |
Үш фазалық тізбектің симметриясыз
ережесі…………………… |
67 |
|
|
|
6.5 |
Үш фазалы тізбектің
қуаты………………………………………… |
69 |
|
|
7 |
Симметриялық құраушылар
әдісі………………………………………. |
71 |
||
|
|
7.1 |
Симметриялы емес үш фазалы жүйе
шамаларының симметриялық құраушылары……………………………………… |
71 |
|
|
|
7.2 |
Токтардың және кернеулердің
симметриялы құраушыларына қатысты үш фазалы
тізбектердің кейбір қасиеттері……………… |
73 |
|
|
|
7.3 |
Токтардың әртүрлі реттіліктері
үшін симметриялы үш фазалы тізбектің
кедергілері………………………………………………. |
74 |
|
|
|
7.4 |
Симметриялы емес кернеулер жүйесі……………………………. |
76 |
|
|
|
7.5 |
Симметриялы емес үш фазалы тізбекте токтардың
және кернеулердің симметриялық
құраушылары……………………… |
77 |
|
|
8 |
Синусоидалсыз токтар…………………………………………………… |
84 |
||
|
|
8.1 |
Синусоидалсыз ЭҚК-тер, кернеулер және
токтар……………… |
84 |
|
|
|
8.2 |
Синусоидалсыз периодикалы қисықты
тригонометриялық қатарға жіктеу……………………………………………………… |
85 |
|
|
|
8.3 |
Синусоидалсыз периодикалы ЭҚК-тердің,
кернеулердің және токтардың максималды, әрекет
және орташа мәндері………… |
87 |
|
|
|
8.4 |
Синусоидалсыз периодикалы қисықтардың
түрін сипаттайтын коэффециенттер…………………………………………………… |
87 |
|
|
|
8.5 |
Синусоидалсыз периодикалы ЭҚК-тер, кернеулер
және токтар бар тізбектерді есептеу…………………………………………… |
88 |
|
|
|
8.6 |
Синусоидалсыз ток тізбегіндегі қуаттар………………………… |
89 |
|
|
|
8.7 |
Үш фазалы тізбектерде қалыптасқан
ереже……………………… |
90 |
|
|
9 |
Сызықты
электр тізбектердегі өтпелі процестер. Өтпелі процестерді
классикалық әдіспен есептеу…………………………………………… |
92 |
||
|
|
9.1 |
Өтпелі процестердің пайда
болуы………………………………… |
92 |
|
|
|
9.2 |
Коммутацияның заңдары және басты
жағдайлар……………….. |
93 |
|
|
|
9.3 |
Өтпелі, қалыптасу және еркін
процестер………………………… |
93 |
|
|
|
9.4 |
R, L тізбектегі өтпелі процестер…………………………………… |
95 |
|
|
|
9.5 |
R, С тізбектегі өтпелі процестер…………………………………… |
98 |
|
|
|
9.6 |
Тармақталмаған R, L,С тізбектегі
өтпелі процестер…………… |
101 |
|
|
|
9.7 |
Тармақталған тізбекте өтпелі процесті
есептеу………………… |
105 |
|
|
10 |
Өтпелі
процестерді операторлық әдіспен есептеу…………………… |
113 |
||
|
|
10.1 |
Лапластың түрлендіруін өтпелі
процестерді есептеуге қолдану |
113 |
|
|
|
10.2 |
Жіктеудің теоремасы……………………………………………… |
114 |
|
|
|
10.3 |
Операторлық түрдегі Ом және
Кирхгофтың заңдары …………. |
116 |
|
|
|
10.4 |
Баламалы операторлық сүлбелер………………………………… |
118 |
|
|
|
10.5 |
Пассивтік екіұштықты үздіксіз
өзгеріп тұрған кернеу көзіне қосу (Дюамельдін
интегралы)…………………………………… |
119 |
|
|
|
10.6 |
Пассивтік екіұштықты еркінше түрі бар
кернеу көзіне қосу…… |
121 |
|
|
11 |
Төртұштықтар…………………………………………………………… |
123 |
||
|
|
11.1 |
Негізгі анықтамалары және
топтастыру………………………… |
123 |
|
|
|
11.2 |
Төртұштықтардың теңдеулер
жүйелері…………………………… |
125 |
|
|
|
11.3 |
Төртұштықтардың
ережелері……………………………………… |
125 |
|
|
|
11.4 |
Пассивтік төртұштықтардың
екіншілік (сипаттамалы) параметрлері………………………………………………………… |
129 |
|
|
|
11.5 |
Төртұштықтың теңдеулері
гиперболикалық функциялар түрінде……………………………………………………………… |
131 |
|
|
|
11.6 |
Төртұштықтың шеңберлік
диаграммасы………………………… |
132 |
|
|
12 |
Электр
сүзгілер………………………………………………………….. |
137 |
||
|
|
12.1 |
Негізгі түсініктер және
анықтамалар……………………………… |
137 |
|
|
|
12.2 |
К түрлі сүзгілер……………………………………………………. |
139 |
|
|
13 |
Параметрлері таратылған тізбектер……………………………………. |
147 |
||
|
|
13.1 |
Ұзын желілердегі токтар және кернеулер
………………………. |
147 |
|
|
|
13.2 |
Біртекті екі сымды желінің
теңдеулері…………………………… |
147 |
|
|
|
13.3 |
Біртекті желідегі қалыптасқан ереже……………………………… |
148 |
|
|
|
13.4 |
Гиперболикалық функцияларда біртекті
желінің теңдеулері…… |
151 |
|
|
|
13.5 |
Біртекті желінің сипаттамалары…………………………………… |
154 |
|
|
|
13.6 |
Желінің кіріс кедергісі және
толқынның шағылу коэффициенті………………………………………………………. |
155 |
|
|
|
13.7 |
Желінің келіскен жүктемесі………………………………………. |
157 |
|
|
|
13.8 |
Бурмалауы жоқ желі………………………………………………. |
159 |
|
|
|
13.9 |
Шығындары жоқ желі…………………………………………….. |
160 |
|
|
|
13.10 |
Тұйық толқындар………………………………………………… |
162 |
|
|
|
Ұсынылған әдебиеттер
тізімі…………………………………………… |
167 |
||
