Коммерциялық емес акционерлік қоғам
Алматы энергетика және байланыс университеті
Автоматты электрбайланыс кафедрасы
КОММУТАЦИЯЛЫҚ ЖҮЙЕЛЕР
5В071900-Радиотехника, электроника және телекоммуникациялар мамандығының студенттеріне арналған дәрістер жинағы
Алматы 2012
Құрастырушылар: А.Д. Мухамеджанова, Ю.М. Гармашова. Коммутациялық жүйелер. 5В071900-Радиотехника, электроника және телекоммуникациялар мамандығының студенттеріне арналған дәрістер жинағы. - Алматы: АЭБУ, 2012.- 53 б.
Коммутациялық жүйелер пәнінен он бір дәрістің жинағы баяндалған. Онда құрылу цифрлық коммутация жүйелерінің құрылу, функционалуы және басқару принциптері көрсетілген.
Без. 36, кесте 2, әдеби көрсеткіші.- 12 атау
Пікір беруші: тех. ғыл.канд., профессор Тұманбаева К.Х.
Алматы энергетика және байланыс университетінің» КЕАҚ 2012 ж. негізгі жоспары бойынша басылады
© "Алматы энергетика және байланыс университеті " КЕАҚ, 2012 ж.
Кіріспе
«Коммутация жүйелері» пәні жоғарғы оқу орнының студенттері үшін таңдау бойынша алынатын пән болып табылады және базалық пән ретінде оқу жоспарларына енгізілген.
Берілген пән студенттерді әр түрлі коммутациялық жүйелердің тұрғызылу принциптері және желіде ақпараттың таратылуын, аналогтық және цифрлық коммутация принциптерін, әр түрлі ақпараттарды интеграциялау кезіндегі коммутация принциптерін, номерациялау, жоспарлау, проекциялау және коммутацияның цифрлық жүйелерінің эксплуатациялау ерекшеліктерін оқыту үшін каналған.
Пән мақсаты болып, студенттерді әр түрлі телекоммуникациялық желілерде қолданылатын телекоммуникациялық жүйелерді эксплуатациялау облысында, сондай-ақ, Қазақстан коммутация жүйелері нарығында өндіруші және қоюшы ұйымдардың ғылыми-зерттеу және конструкжелілік бөлімдерінде өзіндік қызметке дайындау.
Пәнді оқу нәтижесінде студенттер байланыс жүйелері мен желілеріндегі негізгі бағыттар мен даму препективаларын нақты түсіне білуі қажет. Коммутациялық жүйелер тораптарындағы жүктеме есептемесін жасауды, коммутациялық жүйелердің сенімділік анализдерін, телекоммуникациялық жүйелерді, желілерді, құрылғылар мен блоктарды жоспарлау және проекциялауды жүзеге асыра білуі керек.
Берілген пәнді үшін оқу жоспары 3 кредит бөлінген, барлығы-135 сағат, соның ішінде аудиториялық сабақ үшін - 60, өзіндік жұмысқа – 75 сағат.
Кре- диттер |
Курс |
Семестр |
Аудито- риялық сабақтар |
Дәріс |
Тәжіри- белік |
Зертха- налықсабақтар |
Курс-тық жұмыстар |
Экза-мен |
3 |
4 |
7 |
60 сағ. |
1,5(22 сағ) |
1(15 сағ) |
0,5(15 сағ) |
3 |
7 |
1 дәріс. Коммутация принциптері
Дәріс мақсаты: импульстік-кодалық модуляцияның түсінігі, 2 Мбит/сек жылдамдығы бар цикл құрылымын оқып үйрену.
Мазмұны:
- импульстік-кодалық модуляцияның түсінігі;
- 2 Мбит/сек жылдамдығы бар цикл құрылымы.
Импульстік-кодалық модуляцияның түсінігі (ИКМ немесе PCM - Pulse Code Modulation)
Бастапқы үздіксіз аналогты сигналды цифрлық кодқа түрлендіру импульстік-кодалық модуляция (ИКМ) деп аталады. Телекоммуникацияда код негізі ретінде аз аппараттық шығынмен жүзеге асырылатын екілік тізбек алынған. ИКМ кезіңде негізгі операциялар болып, уақыт бойынша дискреттеу, кванттау және кодалау болып саналады.
Аналогты сигналды уақыт бойынша дискреттеу деп аналогты сигналдың ұсынылған параметрі уақыттың дискретті моменті кезіндегі оның мәндері арқылы берілетін түрлендіруді айтамыз.
Қазіргі кезде таратудың цифрлық жүйелері кең таралуда, оларда аналогты сигналдың тегіс дискреттеуі қолданылады (бұл сигналдың есептеулері уақыттың бірдей интервалдары арқылы жүзеге асырылады). Тегіс дискреттеу кезіңде: Dt-дискреттеу қадамы (екі көршілес дискретті сигналдар арасындағы уақыт интервалы) және дискреттеу жиілігі Fд (дискреттеу қадамына кері шама) қолданылады. ИКМ сигналын қалыптастыру принципі негізіне Котельниковтың (Шенонның) теоремасы қолданылады: кезкелген аналогты (үздіксіз) сигнал дискреттелуі мүмкін және қайта қалпына келтірілуі мүмкін, егер дискреттеу жиілігі жоғары жиіліктің осы сигналдың жоғарғы жиілігінен екі есе көп болса,
.
Тоналдық жиілік каналсы (аналогты
телефондық каналның негізгі каналсы) 300...3400Гц жолағын
алып жату керек, яғни дискреттеу жиілігі
Гц
аралығынан кіші болмауы керек. Телефония және телеграфия бойынша
Халықаралық Консультативті коммитетінің (МККТТ) ұсынуы
бойынша ТЖ каналсы арқылы берілетін сигнал үшін дискреттеу жиілігі
Гц қабылданған. Мұндай
жиілік ЦЖТ аппаратурасының сүзгілерін жүзеге асыруды
жеңілдетеді.
Дискреттелген импульстер осы сигналдың лездік мәндерінің амплитудасына сәйкес келеді. Бұл түрлендірулер импульстік-амплитудалық модуляция деп аталады. Сигналдың лездік мәндері АИМ сигналының қисығының құрамында болады. Әрбір периодта бір рет бос уақыттық позиция таратушы таңдаулардың арасында басқа каналардың таңдауларын тарату үшін алынады. Осылайша дискреттер уақытша тығыздалған АИМ сигналы түрінде бір-бірінің артынан циклдық түрде таратылады 1.1 - а, б суреттерді қара.
Кез келген хабарламаны өңдеу техникасы және тарату жүйелерінде шеткі рұқсат етуші қабілет бар. Сондықтан үздіксіз сигналдардың шексіз амплитудалық мәндерін тарату қажет болмайды, оны шектік көптікпен (бесконечое множество) шектеуге болады. Сигналдың амплитудалық мәндерін тарату үшін каналған рұқсат етілгендер кванттау деңгейі деп аталынады. Олардың саны электрлік сигналдарды таратудың сапасын аңықтайды 1.1 - в суретті қара.
АИМ сигналын дискреттеу кезінде алынған сигналды деңгей бойынша кванттауға тап болады. Екі рұқсат етілуші арасындағы айырым кванттау қадамы деп аталынады. Сигнал санағының шын мәні мен оның квантталған мәнінің айырымы қателік немесе кванттау шуылы деп аталады.

1.1 сурет - Аналогты сигналды ИКМ сигналына түрлендіру
Кванттық қорытындыны кодтау деп осы қорытындының кодтық сөздермен сәйкестендірілуі. ИКМ аппараттарындағы машықтану жұмысында екілік кодтық сөз қолданылады және осы екілік сөздің әрқайсысы каналйы кванттық сигналдың деңгейіне сәйкес келеді. МККТТ ұсынысы бойынша 256 кванттық деңгей (128 оң және 128 теріс деңгейлер) қабылданған болатын, ал кодтық сөздің ұзындығы – 8 екілік символдан тұрады (бит), 1.1 г суретті қара.
8 разрядты кодалы комбинациядан бірінші разряды кодталушы сигналдың амплитудалық полярлығын анықтайды (1- оң сигнал "+", 0 – теріс "-"); 2,3,4 разрядтар облысында жатқан сигнал сегмент төбесін анықтайды; 5,6,7,8 разрядтары сегмент деңгейін анықтайды.
2 Мбит/сек жылдамдығы бар цикл құрылымы.
Дыбыстық ақпаратты тарату әр тональдық жиілік каналдардың телефон желілеріне диапазоны 300 - 3400 Гц аралығында жүзеге асады. Цифрлық коммутациялық тракттың ұйымдастырылуы үшін біріншілік ағын қолданылады ИКМ 30/32.
1.2-суретте ИКМ-30 жүйесінің цикл және жоғары циклды құрылымы келтірілген. Цикл уақытша 32 интервалдардан [2]. Ал жоғары цикл 16 циклдан тұрады.

1.2 сурет – ИКМ-30 аппаратының циклды және жоғары циклдың құрылымы
Циклдың созылу уақыты ТЦ= 125 мкс, ол сәйкесінше циклдың жиілігін анықтайды fЦ=8 кГц. Жоғары цикдың созылу уақыты 16х125мкс=2мс тең. Циклдағы әр каналдың интервалы tК.И=3,9 мкс беріледі. Әр канал үшін ақпататты тасымалдауда 8-разрядталған бинарлы кодтар тағайындалған. Сонда бір разрядтың (бита) ұзақтығы tб=0,49 мкс болады. Бір уақытша интервалдың жіберу мүмкіндігі 64 кбит/с, сонда ИКМ трактындағы бірлік стандарттық жібіру мүмкіндігі 64 32=2048 кбит/с құрайды. ИКМ циклындағы уақытша интервалдар 0 және 16 қызметтік канлдары болып келеді, ал 1-ден 15-ке дейінгі және 17-ден 31-ге дейінгі интервалдары ақпараттық каналдар болып келеді.
1.2-суретте көрсетілгендей, әр екінші циклда цифрлық синхросигнал 2-8 нөлдік каналды интервалда орын алады. Циклдық синхросигнал 0011011 комбинацияларды көрсете алады. Нөлдік интервалдардың 2-8 символдарымен циклдық синхросигналдың имитациясының болу мүмкіндігін жою үшін 2 символды тақ циклына бұл интервалдарда 1 мәні беріледі. Жоғары циклды синхросигнал, жоғары циклда циклдың қорытындысын жүзеге асыруға мүмкіндік береді, 0000 комбинациясын көрсете алады және 1-4 разрядтық интервалдар 16 каналдық интервалындағы 0 циклында орын алады.
16 каналдық интервал сигнализация таратуда қызмет етеді. Әр циклда екі телефондық каналдың сигнализация сигналдары беріледі.
1.2-суретіндегі белгіленулер: ТК – телефондық каналдың нөмірі; RO, ... RI5 – жоғарғы циклдағы циклдар; SK - каналдық интервал; В1, ... В8 - ұзындығы 8 бит кодтық сөз; N - бит халықаралық қолданыстарға резервтелген (символдың мағынасы анықталмаған, казіргі уақытта 1 мағынасын қабылдау керек); А – ИКМ құрылғысына берілетін авариялық сигналдың қарама-қарсы соңғы желі байланысы; VI, ... V5 - символдар, ұлттық қолданысқа каналған (цифрлық тракттарда, мемлекеттік шекараның қиылысында) бұл символдар мағына беруі қажет 1); х — резервті символ; у - символ, жоғары циклды синхросигнал индикациялық шығу үшін қолданылады; а, b, с, d- сигнализацияның жалпы каналын ұйымдастырудағы символдар (ОКС), егер Ь, с және d ОКС үшін қолданылмайды, олар келесі белгілермен қамтамассыздандырылған болуы керек: b = 1, с = 0, d= I.
2 дәріс. Цифрлық коммутация принципі
Дәріс мақсаты: коммутацияның негізгі түсініктері мен анықтамаларын және цифрлық сигнал координаттарының түрлену принциптерін зерттеу
Мазмұны:
- коммутацияның негізгі анықтамалары мен түсініктері;
- цифрлық сигналдың уақыттық координатасының түрлену принципі;
- цифрлық сигналдың кеңістіктік координатасының түрлену принципі;
- кеңістіктік-уақыттық коммутация принципі.
Коммутация анықтамасы мен түсінігі.
Коммутация – бұл белгілі кірісі мен шығысы арасындағы қосылысты орнату және ақпаратты тұтынушыға жеткізу және келесі ажырау уақытын ұйымдастыру процесі.
Коммутацияның белгілі келесі әдістері:
-кналдар коммутациясы (Circuit Switching тікелей аулармасы тізбектер коммутациясы);
-хабарлар коммутациясы (Message Switching);
-пакетер коммутациясы (Packet Switching).
Каналдар коммутациясы кезінде: алдымен тура (сквозной) байланыс каналы орнатылады, содан кейін байланыс каналы арқылы осы уақыт мезетінде ақпарат алмасу жүзеге асады және ақпарат алмасу біткен соң байланыс каналы үзіледі.
Хабарлар коммутациясы кезінде: деректермен алмасу осы уақыт мезетінде болмайды, кірісі мен шығыс жүйелері арасында тура қосылысты ұйымдастыру керек емес және артық (избыточные) хабарлар жоғалмайды,олар сақталып,кешігіп беріледі.
Пакеттер коммутациясы кезінде хабарлар белгілі бір көлемдегі блоктарға, пакеттерге бөлінеді. Әр пакет байланыс каналы босаған кезде тәуелсіз беріледі. Қабылдайтын жақта әр уақытта және әр түрлі жолмен келуі мүмкін пакеттерден жиналған хабарлар бастапқы қалпына келеді.
Біркоординатты коммутация деп, жүйенің байланыстырушы жолдары бір бірінен бір бөлу белгісі арқылы алшақтатылған коммутацияны айтады,мұндағы бөлу белгісі ретінде жүйенің кірісі мен шығысы арасындағы байланыстырушы жолдарды бөлетін параметр алынады.
Цифрлық коммутация деп, жүйенің кірісі мен шығысы арасындағы байланыс аналогтық түрге түрлендірілмейтін цифрлық сигнал операциясы арқасында орнатылатын процесті атаймыз
Цифрлық сигналдың уақыттық координатасын түрлендіру принципі (уақыттық коммутация принципі).
Цифрлық сигналдың уақыттық коммутация функциясын жүзеге асратын блок немесе модуль коммутацияның уақыттық қадамы немесе Т-қадамы (time- уақыт сөзінен) деп аталады [1].
Шығыс ИКМ линиясының бір каналдық интервалының кіріс ИКМ линиясымен салыстырғандағы ретінің өзгеруі ақпаратты бір абоненттен екінші абонент беруді білдіреді 2.1-суретті қара. Бұл уақыттық коммутацияның принципін білдіреді (кейде каналдық интервалдардың қайта құрылуы немесе ақпараттың бір каналдан екіншісіне ауысуы туралы айтылады).

2.1 сурет - Уақыттық коммутация принципінің иллюстрациясы

2.2 сурет - Уақыттық коммутацияның векторлық көрінісі
Цифрлық коммутацияның векжелілік көрінісін кеңістіктік-уақыттық координатада пайдалану 2.2-суретті қара, уақыттық коммутация принципін басқаша сипаттауға мүмкіндік береді. Егер уақыттық түрлену мен цифрлық сигналдың кеңістіктік координатасын ортогональды деп есептесек, онда келесі өрнекті аламыз:
.
Уақыттық коммутация үшін ψ(s)=0. ψ(т) операциясы белгілі бір кодтық сөзді берілген уақытқа тежеу операциясы болып табылады.
Уақыттық коммутация модулінің кемшілігі болып, оның тек бір цифрлық линия каналдарын коммутациялай алатын қабілеті саналады. Сондықтан N ИКМ линиясын коммутациялау үшін N модулі қажет. Ал әр түрлі ИКМ линияларының өзара байланысын ұйымдастыру үшін қосымша құрал-жабдықтарды - кеңістіктік немесе кеңістіктік-уақыттық коммутация блоктарын тізбектей Қосылыс керек.
Цифрлық сигналдың кеңістіктік координатасының түрлену принципі (кеңістіктік коммутацияның принципі).
Кеңістіктік коммутацияны жүзеге асырушы цифрлық коммутациялық өріс блогы немесе модулі коммутацияның кеңістіктік қадамы немесе S–қадамы ( space- кеңістік).
Цифрлық сигналдың кеңістіктік координаталарының түрленуінің негізі оның берілген каналдық интервалды бір ИКМ линиясынан басқасына ауыстыру кезінде, қос линия циклінің құрылымдарында каналдық интервалдың ретін сақтап көшіру болып табылады, 2.3- суретті қара.
Мұндай түрленудің векжелілік көрінісі 2.4-суретте көрсетілген. Бұл жағдайда да цифрлық сигналдың уақыттық және кеңістіктік координатасының түрленуін ортогональды деп қарастырамыз:

2.3 сурет - Кеңістіктік коммутация принципінің иллюстрациясы

2.4 сурет - Кеңістіктік коммутацияның векторлық көрінісі
![]()
Кеңістіктік коммутация модульдерінде тұрғызылған цифрлық КП цифрлық АТС-тердің бірінші кезеңін құру кезінде қарапайым орындалуы мен арзан іске асуына байланысты кеңінен қолданылды. Алайда, кеңістіктік коммутатордың барлық кіріс және шығыс ИКМ линияларының тек бір аттас каналдарды коммутациялайтын кемшілігі, бүгінгі күнде бұл модульдердің тек басқа түрдегі коммутациялық модульдермен бірге қолдануына әкеліп соқты.
Кеңістіктік-уақыттық коммутацияның принципі.
Цифрлық сигнал координатасының кеңістіктік-уақыттық түрленуін жүзеге асырушы блок немесе модуль S/T– қадам деп аталады.
Цифрлық сигнал координатасының кеңістіктік-уақыттық түрленуінің негізі, берілген каналдық интервалды бір ИКМ линиядан басқасына қос линия циклінің құрылымдарындағы каналдық интервалдың ретін өзгерте отырып көшіру болып табылады 2.5- суретті қара.

2.5 сурет - Кеңістіктік-уақыттық коммутация принципінің иллюстрациясы
Кеңістіктік-уақыттық коммутацияның векжелілік көрінісі 2.6 - суретте көрсетілген. Осы принципті жүзеге асырушы блок бірегей конструкжелілік блок болып табылады. Сондықтан ψ(s,т) –ны ортогональды түрлендірулер ψ(т) және ψ(s) қосындысы ретінде қарастыруға болмайды.

2.6 сурет - Кеңістіктік-уақыттық коммутацияның векторлық көрінісі
3 дәріс. Кеңістік - уақыттық каналдар коммутациясының цифрлық модулінің синтезі
Дәріс мақсаты: КУКМ құрылымдық синтез әдістерін студенттердің оқып үйренуі
Мазмұны:
- цифрлық коммутация канал процессінің құрылымы;
- КУКМ құрылым синтезінің әдісі;
- S12 жүйесінің коммутация модулі және оның ерекшелігі.
Цифрлық коммутация канал процессінің құрылымы.
Коммутация процессін кеңістік және уақыттық цифрлық коммутация каналының жеке блогында, сонымен қатар КУКМ кеңістік – уақыттың цифрлық коммутация әмбебап модулінде жүзеге асады. Бұл процесс әмбебап модулде ғана емес каналйы ҮИС-те және өзгермелі құрылымда жүзеге асады.
Қазіргі таңда кеңістік – уақыттық коммутацияның құрылымдық процессінің әртүрлі әдістері бар. Соның әр қайсысы КУКМ синтез модулінің әдісін анықтайды.
Коммутация процессін мысал ретінде қарастырайық. ki және kj екі каналын коммутациялау қажет
ki (S1вх,ti) ® kj (Sмисх,tj).
Мұндағы i=1,C1 ; j=1,C2 , S1,Sм Î S,ti , tj Î T.
Әр коммутация процессі үшін құрылым нұсқасын қарастырып өтейік:
1) Ф=jsjt,
ki(S1вх,ti) ® kj(Sмпл,tj).
ki(S1пл,ti) ® kj(Sмисх,tj).
2) Ф=jtjS,
ki(S1вх,ti) ® kj(S1пл,tj).
kj(S1пл,tj) ® kj(Sмисх,tj).
3) Комбиниацтяланған коммутация екі эквивалентті (фиксацияланған) түрлендіру арқылы жүзеге асады; SiÎS кеңістік координатасы қосымша уақыттық tgiÎTg -түрленуі js0®t және кері jt0®s түрленуі. Сонда бір мәнді сәйкестік байқалады.
Si « tgi , S « Tg.
Осыдан, коммутация процессі келесідей болады
Ф=j0s®t jt j0t®s,
ki(Siих,ti) ® kn(tglвх,ti),
kn(tglвх,ti) ® km(tgмисх,tj),
ki(tgмисх,ti) ® kj(Sмисх,ti) ® kj(Sмисх,tj).
Фиксалды түрлену j0s®t мультиплексирленген процессін сипаттайды (байланыстырушы асатракт каналда қалыптасуы), ал түрленуі j0t®s түрлендіруі - демультиплексирленген процесс.
КУКМ құрылымдық синтез әдісі.
Цифрлық каналының кеңістік – уақыттық коммутация модулі құрылым синтезінің әдістері тнхнологияның мүмкіндіктерімен анықталады. При построении әмбебап интегралды схема (ИС) база негізінде КУКМ құрылуы орта және үлкен интеграция деңгейінде (уақытта, кеңістікте, параллель – тізбекті және кері, мультиплексирлену және демультиплексирлену) түрленуі бөлек функционалды торабында, каналйы процесс негізінде біріккен сұлба түрінде орындалады.
3.1 суретінде коммутацияның цифрлы жүйелер коммутациялық модулінің үш негізгі КУКМ құрылымдары көрсетілген. Бірінші құрылым (S-Т), екінші (Т-S), үшінші {(Т/S)Т(Т/S)} тізбектелуін жүзеге асады. Әр қайсысы әртүрлі модификациясымен дәл схемаларда қолдануын тапты. Кейбіреуін қарастырайық.

3.1 сурет - ЭАТС-200 коммутация модуль жүйесі
Модуль Ф=jtjS процессін N = 1024 көптеген цифрлы каналдарын, әр цифрлық ИКМ трактта 32 каналы бар n= 32 негізінде жүзеге асырады. ЭАТС-200 технологиясының даму деңгейіне байланысты, ақпаратты ОЗУға еңгізу параллельді әдісі қабылданды. Сондықтан кіріс және шығыс модулінде тізбектей – параллель және параллель – тізбектей түрлендіру құрылғылары орнатылған.
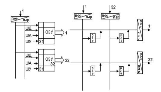
Коммутация процессінің келесі модульін қарастырайық: уақыттық түрлендіру jt ОЗУ – жадында жүзеге асады, кеңістік jS- физикалық шығыс бөлінісімен болады. 3.2 суреттінде кіріс тракы үшін компонент модулінің құрылым принципін көре аламыз. Көріп отырғанымыздай шығыс тракты бір ОЗУ-мен байланысқан, сондықтан 32 тракт үшін 32 ОЗУ еңгізілген. Модуль ішінде ОЗУ жұмыс режимі (®¯;®) қабылданып, технологиялық процесс келесідей болады. Таратутің әр Тц циклі үшін барша тракт каналдар ақпараттары ОЗУдың тізбектей аттас 32 ұяшықтарына жазылады. Сонымен, ақпараттың жаңару және келісім жиілігі 8 кГц болып, жад ішінде Тарату циклмен анықталады. Сондықтан кебір жағдайда ақпараттық цикл блогын 8-килогерцті блок деп те атайды. Коммутацияның басқаруы – ОЗУдың талаптарымен орындалады, кіріс трактілі шығыс кеңістік коммутация, және ақпаратты оқу үшін ОЗУдың таңдалған ұяшық – коммутацияланған тракт пен цифрлық каналдың уақыттық коммутациясы арқылы жүзеге асады.

3.2 сурет – Кіріс тракты үшін модуль компонентінің құрылым принципі
КУКМ құрылысы негізінде АТСЭ-200 жүйелері үшін екілік жад әдісі қолданады, мәселен ОЗУ екі параллель бірегей схемада орындалады. Бұл әдіс 6 МГц тактілік жиіліктегі жад элементтерін қолдануға мүмкіндік береді. Егер жетілдіру уақытын және сол уақыттыағы тез әрекет шегінің 10 МГц дейінгі тактілік жиілігі ескеретін болсақ, онда КУКМ бұл құрылымының тиімділігіне көз жетуге болады. 3.2 суреттегідей модуль аттас шығыс бірігуімен, 1х32 компоненттерінен 32 іріктеледі. kiЦТ1 каналын kjЦТ32 каналымен коммутациялау үшін, толық дуплексті қосылысты орнату қажет.
kiЦТ1®kjЦТ32 ,
kjЦТ32®kiЦТ1.
Сонымен, коммутациялық модулінің өткізу жолағы максимум 16 байланыс орнатылады.
КУКМ 32х32 модулі АТСЭ-200 жүйенің базалық модулі болып саналады. Соның негізінде 96х96;128х128; 256х256 цифрлық тракттар сыйымдылықты іздеу деңгейлері құрылады. Құрылым, қажет сыйымдылыққа сай, КУКМ кіріс және шығыстың стандартты параллельдеуімен орындалады.
S-12 жүйесінің коммутациялық модулі.
Жалпы жағдайда модуль кеңістік – уақыттық әр 32 каналға 512 цифрлық каналды 16 цифрлы тракт коммутацияны жүзеге асырады. Технологияның даму периодында екілік коммутация порттан құрылған КУКМ стандартты блоктардың құрылымын анықтады. Соның бірі ИКМ-тракты қосылысы үшін каналдған. Соның негізінде блок 2х2 параметрлі болып келеді. 3.4 суретінде блок пен модульдің құрылымы көрсетілген. КУКМ жүйесінің модулі

3.4 сурет - Блок және модуль құрылымы
S-12 16 бірегей екі жақты коммутациялық порттан Pi, i=0.15 және жалпы магистральды шина жүйелерінен құрылған. Ол жалпы порттарды біріктіріп, олардың ара қатынасын орнатады. Әр порт жұбы Pi и Pi+7 бір блокты құрайды, ал жалпы магистральға қосылған 8 блок 16-портты КУКМ құрайды. КУКМ S-12 жүйенің ерекшелігіне портқа цифрлы ИКМ 32 каналды тракт еніп, бірақ канал сөзінің зындығы екі байт қана. Бұл ИКМ 30/32 канал сөзінің ұзындығынан екі есе көп. Сондықтан S-12 модулінде цифрлық ағым жылдамдығы 4096 кбит/с болса, ал ИКМ 30/32 жүйесінде 2048 кбит/с.
Әр технологиялық блок БИС түрінде келеді. Ол әмбебап емес каналйы – тапсырыс БИС коммутациясы болып келеді. Полный модуль системы 16 портты толық S-12 жүйе модулі сыйымдылығы 8 блок бір платада орналасады.
S-12 жүйесінің КУКМның ерекшелігі n кірісі мен m шығыс параметрлі n £ 16 , m £ 16 , m+n £ 16 коммутациялық матрица түрінде болып келуі болып табылады.
КУКМ ішіндегі коммутация процессінің сипаты мен ерекшелігінде тоқталатын болсақ. Жоғарыда айтылғандай, КУКМ каналдар коммутациясы кеңістік – уақыттық болып, бірақ коммутация процессі мына түрге jS®tjt®Sjt ие болады. Сондықтан кеңістік түрлену координатасы уақыттық болып келеді. Әр цифрлық тракт каналйы портқа жалғанғандықтан, кеңістік коммутация порттар коммутациясына әкеледі. Бұл деңгей жалпы магистраль арқылы жүзеге асады. Жалпы магистраль алты типті шиналар жүйесін құрайды (жалпы өткізгіштігі 39): деректер шинасы - өткізгіштігі 16, канал адрес шинасы - 5, порт адрес шинасы - 4, келісу шинасы - 5, басқару шинасы - 6, синхронизация шинасы - 3. Жалпы магистраль уақыттық бөліну режимінде жұмыс істейді. Бір каналдың әр интервал ti уақытында жеке порт биттік интервал портына ti қосылуға мүмкіндік алады. Егер 0 мен 15 порттарын коммутациялау керек болса, онда 0 цифрлық портының бар ақпаратты жиналатын қабылдау бөлік тракты t15 моментінде ОШға қосыла алады. Бұл адрес шинасында көрсетіледі. Осы тәріздес, кеңістік коммутация жүзеге асады. ОШ уақыттық бөлінуі элементті базаның тез әрекетуіне тәуелді. Жалпы шинаның Тош уақыттық циклын санап өтейік. Әр порт жалпы шинаны бір (ИКМ) циклда 32 рет қолданады, осыдан
Тош=125 10-6/32 16=244 нс
Шинаның порттарға қосылу мүмкіндігі сверхцикл арқылы жүзеге асады. ОШ – бұл алты типті шинаның жүйесі. Әр шинаның бөлігі – басқару, алмасу, қабылдау және т.б. – дәл сол уақытта, бірақ t бит интервалына жылиды.
Уақыттық коммутация іске асырылған ОЗУ уақыттық коммутация блогында жүзеге асады (БВК). БВК жіберу бөлігінде орналасып, мына режиде жұмыс істейді (®¯;¯®).
Сонымен, кеңістік коммутация аяқталған кейін ki каналдың қабылдау бөлігіндегі Р0 жинақталған ақпарат ОЗУ портына Р15 каналған бөлігіне жіберіліп және каналйы адресі бар kj ұяшыққа сақталады. Бұл канал адрес шинасында көрсетілен. Ақпаратты оқу үшін таңдалған Р15 уақыттық канал порты циклдік түрде жүреді. Сонымен мұнда байланыс орнату аяқталады.
4 дәріс. ЦКЖ-н басқаруды ұйымдастыру
Мақсаты: цифрлық коммутация жүйесі басқару қағидаларын студенттермен зерттеу.
Мазмұны:
- цифрлық коммутация жүйесі процесстерінің ұғымы;
- ЦКЖ-н басқаруды ұйымдастырудың әдістері;
- шоғырланған микропроцессорлық басқаруы бар ЦКЖ-ны процессораралық өзара әрекеттесуді ұйымдастырудың әдістері;
- үлестірілген микропроцессорлық басқаруы бар ЦКЖ-н процессор аралық өзара әрекеттесуді ұйымдастырудың әдістері.
Цифрлық жүйе коммутациясы процесстерінің ұғымы.
ЦКЖбайланыс ұйымдастыру процестері:
- сигнализация;
- басқару;
- коммутация.
Процестердің өзара әрекеттесуі 4.1 суретте көрсетілген.

4.1 сурет - Процесстердің өзара әрекеттесуі
Сигнализация процесінің құрамына:
- байланыс талабының сигналды табу, абоненттен түсетін сигналды қабылдамау, осы талаптар жайлы хабарламаның құрылуы және оларды басқару процесінің өңдеуіне жіберу;
- басқару процесінің көмегімен құрылған басқару ақпаратын қабылдау;
- абоненттің адрестік ақпаратын қабылдау және жіберу, т.б.
Басқару процесінің құрамына:
- байланыс талабы немесе оны қабылдамауын сигнализация процессі арқылы хабарламаны өңдеу;
- басқару ақпаратын беруді сигнализация процесі арқылы өңдеу;
- адрестік ақпаратты өңдеу;
- басқару ақпаратын беруді коммутация процесі арқылы өңдеу.
Коммутация процесінің құрамына: басқару ақпаратының қабылдануы байланыс орнату үшін шығарылған басқару процесі арқылы жүзеге асады.
ЦКЖ-н басқаруды ұйымдастырудың әдістері.
ЦКЖ-да басқару:
- ЦКЖ жинақталған басқару- бірыңғай басқару комплексімен басқару процесін іске асыру-орталық процессормен;
- ЦКЖ үлестірілген басқару-басқару функциялары ЦКЖ процессорларына үлестірілген.
Қазіргі уақытта цифрлық ЦКЖ-да көбіне үлестірілген басқаруды қолданады.
Шоғырланған микропроцессорлық басқаруы бар ЦКЖ-ны процессораралық өзара әрекеттесуді ұйымдастырудың әдістері.
Үлестірілген басқару орнатудың әр түрлі әдістері процесстерді іске асыруды өңдеу арқылы жүзеге асуы мүмкін. Үлестірілген басқарудың келесідей жүйелері бар: параллельді қосылған дубляждалған процессорлар жүйесі; бөлінген функциясы бар жүйе, т.б.
Параллельді қосылған дубляждалған процессорлар жүйесі. Жүйеде екі цфрлық процессор бар: ЦПР1 және ЦПР0. Олар параллельді жұмыс істейді және бір ақпаратты екеуіде өңдейді, сондықтан ақпарат салыстырылады 4.2 суретте көрсетілген. Мұндай жұмыс режимі синхронды дуплексті режим деп аталады.
Параллельді қосылу жоғары тимділік пен сенімділік қамтамасыз етеді, бірақ құрылғыларға үлкен қаражаты, күрделі бағдарламалық қамтамасыздандыру және өнімсіз есептеуіш шығындар үздіксіз бақылауға керектігі, жүйенің жұмысқа қабілеттілігін растауы күрделі.

4.2 сурет
Бөлінген функциясы бар жүйе, 4.3 суретте көрсетілген. ЦКЖ басты жүктеме бөлімі сигналдық ақпаратты өңдеуге түседі, сондықтан жүктемені өзгерту үшін ЦПР-а функцияны бөлу жүзеге асырылады. Сигналдық процессорге белгілі уақыт аралығында ақпаратты өңдеу; байланысты орнату және ажырату талаптарын анықтау; бақылау объектілерінің күй өзгерісін анықтау, т.б.
Үлестірілген микропроцессорлық басқаруы бар ЦКЖ-ны процессораралық өзара әрекеттесуді ұйымдастырудың әдістері.

4.3 сурет
Микропроцессорларды жүйеге орнату әдістері:
- иерархиялы;
- ортақ каналды;
- ортақ жад;
- тікелей байланысты.
Иерархиялық принцип. Микропроцессорлар иерархия деңгейі бойынша бөлінеді. Проессорлар арасындағы әрекеттестік тек алдыңғы және келесі деңгей арасында іске асады. Әр перифериялық ПР тек ЦПР-мен байланысқан. Сондықтан процессораралық алмасу ПР деңгейінде ЦПР арқылы жасалады. ЦПР барлық ПР әрекеттесуін және жүмысты үйлестіреді 4.4 суретті қара.

4.4 сурет
Кемшіліктері: әрекеттесу уақыты үлкен, мұндай жүйе құрылымы ПР функциясының терең бөлінуінде, процессораралық алмасу минималды болғанда тиімді.
Ортақ байланыс каналының принципі. Бұл жағдайда барлық микропроцессорлар жоғары жылдамдықты ортақ байланыс каналына қосылған, оның қолданысы мынадай болып бөліне алады мысалы, уақыттық принцип бойынша, т.б. әр микропроцессордың өз уақыттық интервалы болады. Мұндай байланыс каналының өткізу қабілеті, жүйеге интенсивті алмасуға тәуелділігімен қосыла алатын микропроцессорлардың санын анықтайды 4.5 суретті қара.
Ортақ жады принципі. Ортақ шина рөлін ЗУ өзарабайланысы (ВЗУ). Әр ПР өз ЗУ зонасы берілген, оған әр ПР байланыса алады. ЦПР жоқ болған кезде, оның рөлі кез-келген ПР-ге беріледі 4.6 суретті қара.
|
|
|
|
4.5 сурет |
4.6 сурет
|
Тікелей байланыс принципі. Барлық жүйе процессорлары бір-бірімен байланыс каналы арқылы байланысп, олар арқылы хабарламамен алмасу жүзеге асырылады. Байланыс каналдары коммутацияланбайтын (тікелей қосылыс) бола алады 4.7 суретті қара немесе коммутацияланатын 4.8 суретті қара.
|
|
|
|
4.7 сурет |
4.8 сурет |
Процессораралық арақатынастың протоколы басқару процедурасын ақпаратты бір процессордан екінші процессорге өткізуді хабарламаны танып, оны керек адреске бағыттау арқылы анықтайды. Үш тәсілі бар: ортақ қатынаумен жады,буферлік есте сақтау құрылғысы, тікелей байланыс.
Ортақ қатынау жады- ОЗУ берілген ПР тікелей қатынау жолымен ЦПР байланысады, яғни барлық ОЗУ-дағы перифериялық процессорлар ЦПР-ге қатынайалады 4.9 суретті қара. Буферлік ЗУ- БЗУ арқылы ЦПР ПР-мен байланысатын, хабарламамен жүктелетін процессораралық алмасатын шектелген ОЗУ зонасымен ПР анықталады 4.10 суретті қара. Тікелей байланыс – ЦПР мен ПР бір – бірімен байланыс каналы арқылы байланысады.Ақпарат тарату кезінде, ЦПР тек өзінің ОЗУ-ына қатынай алады 4.11 суретті қара.

Сурет 4.9. Сурет 4.10. Сурет 4.11.
5 дәріс. 1, 2, 3, 4, 5-ші классты цифрлық коммутациялық өрістер
Дәрістің мақсаты: ЦКӨ класстарын оқып үйрену.
Мазмұны:
- ЦКӨ құрылу принциптері;
- ерекшеліктері;
- ЦКӨ классификациясы.
ЦКӨ құрылу принциптері.
Коммутациялық жүйе коммутациялық станцияның ішкі құрылу принциптерін көрсетеді және оперативті коммутацияның орындалуына каналған техникалық құрылғылардың жиынтығынан тұрады.
Цифрлық коммутация функциясын іске асыратын коммутациялық жүйе цифрлық коммутациялық жүйе (ЦКЖ) деп аталады.
Цифрлық коммутациялық жүйеде коммутация функциясын цифрлық коммутациялық өріс (ЦКӨ) атқарады. Коммутациялық жүйедегі барлық процесстердің басқарылуы басқарушы комплекс арқылы іске асырылады.
Цифрлық КӨ әдетте бөлімшелік принцип бойынша құрылады. Цифрлық КӨ бөлімшесі деп цифрлық сигнал координаттарының түрлендіруінің тек бір функциясын жүзеге асыратын баспалдақтар топтамасын (S-, Т- немесе S/T-) айтады. Бөлімшелер санына байланысты екі-, үш- және көпбөлімшелі КӨ ажыратылады.
Егер цифрлық КӨ-тегі кез келген байланыс бөлімшелердің бірдей саны арқылы орнатылатын болса, онда цифрлық КӨ біртекті деп аталады. Қазіргі ЦКЖ көбінде біртекті цифрлық КӨ бар.
Көпбөлімшелі цифрлық КӨ құрылуының ерекшеліктері:
1) Цифрлық КӨ модулдердің белгілі бір сандарының қолданылуымен құрылады.
2) Цифрлық КӨ симметриялы құрылымға ие. Симметриялы құрылым деп отырғанымыз, мұнда 1 және N, 2 және N-1, 3 және N-2 … бөлімшелері коммутация блоктарының типі және саны бойынша бірдей, ұқсас болып келеді.
3)Цифрлық КӨ әдетте дубляждалған болып табылады, оның себебі толықтай жүйенің жұмысына коммутациялық өрістегі ақаулардың критикалды болуы.
4)Цифрлық КӨ төртөткізгішті болып келеді, себебі уақыттығыздалған ИКМ сигналдар берілетін цифрлық линиялар да төртөткізгішті.
Құрылымның симметриялығы мен модульдігін ескере отырып, көптеген синхронды цифрлық КӨ бес классқа жіктеуге болады. Әр класста базалық құрылым мен қосалқы құрылымды атап өтуге болады. Олар цифрлық топтық тракттардың алдын ала мультиплекстеуі (MUX) мен кезектес демультиплекстеуі (DMUX) бар қосымша коммутациялық элементтердің қосылуымен құрылады.
1) Базалық құрылым: S ´ k - T ´ r - S ´ k.
Қосалқы құрылым: MUX - S ´ k - T ´ r-S ´ k - DMUX.
Өрістің ерекшелігі болып бірінші және соңғы бөлімшедегі S-баспалдақтың болуы, өріс ішінде Т- және S- баспалдақтардың кезектес реттеліп орналасуы – симметрия ережелерін ескере отырып еркін орналасуы болып табылады.
2) Базалық құрылым: T ´ k - S ´ r - T ´ k.
Қосалқы құрылым: MUX - T ´ k - S ´ r - T ´ k - DMUX.
Өрістің ерекшелігі болып бірінші және соңғы бөлімшедегі Т-баспалдақтың болуы, өріс ішінде Т- және S- баспалдақтардың кезектес реттеліп орналасуы – симметрия ережелерін ескере отырып еркін орналасуы болып табылады.
3) Базалық құрылым: S/T ´ k - S ´ г - S/T ´ k.
Қосалқы құрылым: MUX - S/T ´ k - S ´ г - S/T ´ k - DMUX.
4) Базалық құрылым: S/T ´ k.
Қосалқы құрылым: MUX - S/T ´ k - DMUX.
5) Сақиналық цифрлық коммутациялық өрістер.
Дегенмен сақиналық КӨ S/T-баспалдақтарда (сақиналық байланыстырғыштарда) құрылғанымен және шын мәнінде 4 класс өрістерінің әртүрлілігі болып табылғанымен, құрылымының маңыздылығы мен ерекшелігіне орай оларды жеке класс ретінде бөліп қарастыру қабылданған.
Бірінші классты ЦКӨ.
Бастапқыда ЦКӨ-нің мұндай түрлерінің негізі ретінде коммутацияның кеңістіктік баспалдағының бөлімшесі алынған болатын, мысалы: АТС Sintel, DEX-T-да коммутацияның параллелді тәсілінде S-S типті өрістің құрылымы қолданылады. Алайда кеңістіктік коммутаторларда ішкі тежеулер болудың үлкен ықтималдығы бар, сондықтан тәжірибе жүзінде кең қолданысқа ие болған құрылым, ол – коммутацияның кеңістіктік S-баспалдақтары уақыттық Т-баспалдақтармен бөлінген құрылым, яғни мұндай ЦКӨ симметриялық өрістерді біріктіреді 5.1 суретті қара.

5.1 сурет – Бірінші класстың ЦКӨ базалық құрылымы
Екінші классты ЦКӨ.
ЦКӨ-нің мұндай түрлеріне мына жүйелер жатады: NEAX 61 (Жапония), №4 ESS (АҚШ), АХЕ 10, D70, FETEX150.
Екінші класстың ЦКӨ ерекшеліктері:

5.2 сурет – Екінші класстың ЦКӨ базалық құрылымы
- қосымша S-баспалдақтардың қолданылуы өрістің сыйымдылығы мен өткізу қабілеттілігін арттырады, бірақ оның жұмыс істеу принциптеріне әсер етпейді;
- кірісте алдын ала мультиплекстеу кіретін цифрлық тракттардың екінші рет тығыздалуын қамтамасыз етеді, ал шығыста кезектес демультиплекстеу оларды қайта қалпына келтіреді, бұл қосымша S-баспалдақтардың қолданылуынсыз ЦКӨ өткізу қабілеттілігін арттыруға әкеледі.
- КӨ-те мәліметтер өңдеудің жылдамдығын арттыру үшін әдетте кірістегі тізбектей кодтың параллелді түрге түрлендіруін жасайды. Ол үшін әр кіріс линияға тізбекті-параллелді типті түрлендіргіш орнатылады, ал шығысқа параллелді-тізбекті.
Үшінші классты ЦКӨ.
ЦКӨ-нің мұндай түрлеріне мына жүйелер жатады: МТ 20/25 (Франция), System X (DSS) (Ұлыбритания), EWSD (Германия), GDTS (АҚШ), DTS-11 (Жапония) және т.б. Бұлардың негізінде жергілікті, қалааралық және өткінші станциялар құруға болады.
Бұл класстың ЦКӨ әмбебап болып келеді, себебі коммутация жүйелерін тәжірибе жүзінде сыйымдылықтың барлық диапазондары: кіші, орта және үлкені үшін біртипте құруға мүмкіндік береді. Бұл жағдайда сыйымдылықтың өсуі кеңістіктік коммутацияның бөлімшелер санының артуымен байланысты болады, өте қарапайым құрылымдардан S/T-S-S/T өте күрделі құрылымдарға S/T-S-S-S/T өте отырып. Коммутациялық өрістің жобалануы кезінде уақыттық және кеңістіктік коммутация баспалдақтары жиі сәйкес блоктарға бірігеді: уақыттық коммутация блогы және кеңістіктік коммутация блогы. Бұл жерде енді КӨ сыйымдылығының өсуі УКБ мен ККБ-ның белгілі бір санының қосылуымен жүзеге асады.

5.3 сурет – Үшінші класстың ЦКӨ базалық құрылымы
Төртінші классты ЦКӨ.
ЦКӨ-нің мұндай түрлеріне мына жүйелер жатады: PROTEL UT және т.б. Төртінші класстың ЦКӨ кең қолданысқа ие, оның себебі әмбебап интегралды микросұлбалар (ИМС) түрінде жасалған S/T-баспалдақтардың қарапайым қосылуы арқасында өріс сыйымдылығының үлкеюінің ыңғайлы болуы.
S/T-баспалдағының негізін коммутациялық элементтер мен модульдер құрайды. Сыйымдылығы үлкен емес ЦАТС жобалануы кезінде олардың КӨ-сі бір ғана модульді қамтитын (әдетте 8/8-ден 32/32-ге дейін кіріс/шығыс ИКМ линияларының сыйымдылығы болатын) S/T-баспалдағының бір бөлімшесінің қолданылуымен құрылуы мүмкін 5.4 суретті қара.

5.4 сурет – Төртінші класстың ЦКӨ-тің базалық құрылымы
Бесінші классты ЦКӨ.
ЦКӨ-нің мұндай түрлеріне мына жүйелер жатады: ITT1240 (АҚШ), S12 Alcatel, бірақ сақиналық ЦКӨ кең қолданысқа ие болған жоқ. Сақиналық өрістің бөлімшелері әдетте сақиналық цифрлық коммутациялық элементтердің (ЦКЭ) негізінде құрылады. ITT1240 жүйесінің ЦКӨ құрылымы 5.5 суретте көрсетілген. Мұндай ЦКӨ қосылу блогынан (ҚБ) және топтық коммутация блогынан (ТКБ) тұрады. Бір ҚБ екі ЦКЭ-ден тұрады. ТКБ-дағы баспалдақтар мен ҚБ саны қосылған шеткі модульдер (ШМ) санына байланысты болады. Жазықтықтар саны шеткі модуль (ШМ) тудыратын орта жүктемеге және орнатылған қызмет көрсету сапасына байланысты болады.

5.5 сурет – Бесінші классты ЦКӨ-тің базалық құрылымы
6 дәріс. Цифрлық коммутациялық жүйедегі абоненттік интерфейстің құрылуы
Дәріс мақсаты: ЦКЖ Түйісі мен ЦКЖ абоненттік Түйістері ұғымдарымен танысып, оларды оқып үйрену
Мазмұны:
- цифрлық коммутациялық жүйелердің интерфейстері (Түйістері);
- аналогты абоненттік Түйіс және BORSCHT мәселесі;
- цифрлық абоненттік Түйіс;
- ISDN абоненттік Түйісі.
ЦКЖ түйістері
Цифрлық коммутациялық жүйелердің жұмысы әр түрлі телекоммуникациялық құрылғының айналасында жүзеге асады: басқа АТС (цифрлық және аналогтық), әр түрлі абоненттік құрылғылар, тарату жүйелері. ЦКЖ аналогты және цифрлық абоненттік линиялар (АЛ) және тарату жүйелерімен интерфейсті (Түйіс) қамтамасыз етуі керек.
Түйіс деп екі функционалды блок арасындағы шекараны айтады. Бұл шекара функционалды сипаттамалар, физикалық байланыстың жалпы сипаттамалары, сигналдар сипаттамалары және ерекшеліктерге байланысты басқа сипаттамалар арқылы беріледі. Түйіс екі құрылғы арасындағы байланыстың параметрлерін анықтаудың бір реттілігін қамтамасыз етеді. Бұл параметрлер байланыстырушы тізбектердің типіне, формасына және функциясына және де осы тізбектер арқылы берілетін сигналдардың типіне, формасына және тізбектілігіне қатысты болады.
Цифрлық АТС түйістері 6.1 суретті қара:
- аналогты абоненттік Түйіс;
- цифрлық абоненттік Түйіс;
- ISDN абоненттік Түйісі;
- желілік (цифрлық және аналогты) Түйістер.

6.1 сурет – Цифрлық коммутациялық жүйелердің түйістері
Аналогты линиялардың қосылуы үшін (абоненттік немесе кеңселік өндірістік АТС-терден (КӨАТС) цифрлық станцияға қатынауды қамтамасыз ететін құрылғыларға дейін) Z (Z1, Z2, Z3) типті Түйістер қолданылады.
Цифрлық линиялардың қосылуы үшін U және V интерфейстері анықталған болатын. U және V1 Түйістері ISDN желілеріне негізгі қатынау болған кезде АЛ Қосылыс үшін қолданылады. V2 Түйісы цифрлық қосалқы станцияны 2048 Кбит/с жылдамдығында Қосылыс үшін каналған. Интегралды желілерге алғашқы қатынау болған кезде V3 Түйісы арқылы цифрлық құрылғылар қосылады, мысалы цифрлық МӨАТС. Мультиплексорлы құрылғы цифрлық АТС-терге V4 Түйісы арқылы қосылады. Аналогты шығарылатын қосалқы станциялар мен аналогты мекемелік АТС-тердің қосылуы кезінде қолданылатын ИКМ мультиплексорлары үшін қатынаудың цифрлық желілерін Қосылыс үшін V5 Түйісі қолданылады.
Аналогты абоненттік түйіс және BORSCHT мәселесі.
Цифрлық АТС-тердің құрылуы және енгізілуі кезінде цифрлық АТС-ке аналогты абоненттік линиялар (АЛ) мен аналогты телефондық аппараттарды (ТА) Қосылыс қиындығы туындады. Бұл мәселелер BORSCHT аббревиатурасымен 6.1 кестеде көрсетілген.
Аналогты АЛ-дың АТСЦ-ге қосылуы кезінде аналогты абоненттік Түйіс ұйымының келесі топ мәселелерін шешуге тура келеді:
- таратылатын дыбыстық сигналдың түрі бойынша (Coding функциясы - кодтау) келісу және осыған байланысты сөйлесетін тракттың екіөткізгішті сұлбасынан төртөткізгіштіге және керісінше өту (Hybrid функциясы – дифжүйе функциясы);
- таратылатын сигналдардың деңгейлері бойынша келісу: ТА жағына қарай жоғары деңгейлі сигналдар жіберіледі (Battery feed және Ringing функциялары), АТС жағына қарай бұл сигналдар жіберілмеуі керек (АТСЦ 5... 12 В қорек көзі бар БИС және СБИС негізінде құрылған);
- абоненттік сигнализацияны қамтамасыз ету (Signalling функциясы - сигнализация). Testing (бақылау) және Overvoltage protection (қауіпті кернеу көзінен қорғау) функциялары аналогты АЛ Түйісының ұйымына тура жатпайды, алайда олардың іске асуы АЛ және ТА-ның эксплуатация процессін автоматтандыруға және де АТСЦ-ны қауіпті кернеуден қорғауға мүмкіндік береді.
6.1 кесте – BORSCHT функциясының сипаттамасы
|
Аббревиатура әріптері |
Функцияның аты (ағылшынша) және оның қазақша аудармасы |
Функцияның сипаттамасы |
|
B |
Battery feed (Микрофондардың көздеуі) |
Абоненттік линияға көмірлік микрофондардың көздеуіне қажетті кернеу беріледі (Бұрынғы КСРО елдерінде U=60B, I=20мА) |
|
O |
Overvoltage protection (Қауіпті кернеу көзінен қорғау) |
Цифрлық АТС-тің құрылғысы қосымша каналйы құрылғылар арқылы абоненттік линия тарапынан 220 (380)В кернеу және де найзағай соққандағы кернеу түсуінен қорғайды |
|
R |
Ringing (Шақыру сигналының жіберілуі) |
Шақырылатын абонентке 25Гц жиілігі және 95В кернеуі бар "Вызов" сигналы жіберіледі (кейбір елдерде кернеу 110В болуы мүмкін) |
|
S |
Supervision, кейде Signalling (Бақылау немесе сигнализация) |
АТС приборлары шақырып отырған және шақырылатын абоненттердің микротелефондық трубкаларының көтерілуі мен қойылуы фактілерін фиксациялап отыруы керек және де шақырылатын абонент нөмірінің цифрларының қабылдауын қамтамасыз етуі керек |
|
C |
Сoding (Кодтау) |
Абоненттік линия арқылы түсетін аналогты сигнал цифрлық сигналға және керісінше түрлендіріледі |
|
H |
Hybrid (Дифжүйе функциясы) |
Аналогты абоненттік линия екіөткізгішті болып келеді, ал цифрлық АТС-тердегі сигналдардың таралуы мен коммутациясы – төртөткізгішті. Сондықтан дифференциалды жүйелер (дифжүйелер) арқылы түрлендіру жүзеге асады |
|
T |
Testing (Бақылау) |
Абоненттік линия мен телефондық аппараттың жұмысы және де жоғарыда көрсетілген функцияларды орындайтын құрылғылардың жұмысы бақыланады. |
Цифрлық абоненттік түйіс.
Әр фирма өзінің цифрлық станциялары үшін белгілі бір интерфейс құрады. Бұл интерфейс «өзінің» цифрлық ТА-на каналған «туған» протоколды сүйемелдейді. Сондықтан цифрлық абоненттік Түйісті абоненттік линия арқылы цифрлық алмасу ұйымының жалпы принциптерімен сипаттауға болады.
Абоненттік линиялар арқылы цифрлық ақпараттардың екіжақты таралуы үшін жүйелердің төрт түрінің қолданылуы мүмкін:
- төртөткізгішті жүйе;
- таралу бағытының жиіліктік бөлінуі бар екіөткізгішті жүйе;
- таралу бағытының уақыттық бөлінуі бар екіөткізгішті жүйе;
- бейімделгіш эхокомпенсаторлары бар екіөткізгішті жүйе.
Төртөткізгішті жүйе. Төрт өткізгіш арқылы цифрлық таратудың артықшылығы болып бір бірінен және тіректік станциядан айтарлықтай қашықтықта орналасқан абоненттік терминалдардың еркін қосылуы және де сұлбалық шешімдердің қарапайымдылығы болып табылады. Жүйе ауыспалы кедергілерге айтарлықтай төзімді, сигнал регенерациясын болдырмай линия өшуі өзгеруінің үлкен диапазонын жабуға мүмкіндік бере алады. Алайда ол кабельдің таратылатын мүмкіндіктерінің аз қолданылуымен сипатталады.
Таралу бағытының жиіліктік бөлінуі бар екіөткізгішті жүйе. Бұл жүйеде бір канал үшін берілетін ақпараттың жолағынан 2 есе кең жолақтың болуы қажет. Шын жүзеге асырылған жүйелер дифжүйелерді қолданады, ал бұл таралу бағыттарының өзара ықпалын азайтуға мүмкіндік береді, 6.2 суретті қара. Ақпараттың таралуы бифазды кодпен жүреді. Бірінші бағытта X1 таралу бір период/символ (BiPh1) кодымен, ал басқа бағытта Х3 – үш период/символ (BiPh3) кодымен жүреді.

6.2 сурет – Таралу бағытының жиіліктік бөлінуі және дифжүйелері бар таралу жүйесі
ISDN абоненттік түйісі.
ISDN (Integrated Services Digital Network) желілері телефонияны, мәліметтерді таратуға, алыс локальды есептеу желілерін (ЛЕЖ) біріктіруге, Интернетке қатынауды қамтамасыз етуге, видеоконференцбайланыстың трафигін таратуға мүмкіндік береді.
ISDN технологиясы базалық қатынауды (BRI немесе ВА) және алғашқы қатынауды (PRI немесе РА) қамтиды. Базалық қатынау абонентке график тарату үшін 64 кбит/с екі каналды (В типті) және 16 кбит/с бір сигнализация каналын (D типті канал) ұсынуды қарастырады. Алғашқы қатынау абонентке график тарату үшін 64кбит/с 30 В-каналын және бір D-сигнализация каналын (мұнда да 64 кбит/с) ұсынуды қарастырады.
Цифрлық АТС-ке абоненттердің қосылуы әдетте электрлік екіөткізгішті кабель арқылы жүзеге асады:
- базалық қатынау үшін U0 типті интерфейс арқылы;
- алғашқы қатынау үшін Uk2 интерфейсі арқылы.
7 дәрiс. Цифрлық АТС-тардың желілік түйістері
Дәрiстiң мақсаты: цифрлық АТСтардың желілік түйістерін студенттермен зерттеу.
Мазмұны:
- цифрлық АТСтардың желілік түйістерiнiң ұғымы;
- ЦЖТмен желілік түйістердің қосылуының ерекшелiктерi;
- аналогтік ҚЛ мен берілу жүйесінің түйісуі;
- қатынау желiсiмен түйісу;
- TMN желiсiмен түйісу.
Цифрлық АТС-дың желілік түйістер ұғымы.
Q.501-Q.517 ұсыныстарына сәйкес аналогтық және цифрлық жалғағыш сымдары АТС-қа желілік түйістердің А, В, С типтері арқылы қосылады, «А» түйісуі арқылы ИКМ (2048 кбит/с ) тығыздалған аппаратурасы немесе ИКМ(1544 кбит/с ) цифрлық трактары қосылады.
«B» түйісуі ИКМ-120 (844 8кбит/с) тығыздалған аппаратуралы цифрлық трактарын Қосылыс үшін каналған.
«С» түйісуі арқылы екі және төрт сызықты сымдар цифрлық АТС-тің станциондық аяғына қосылады. Бұл линияларға каналған аналого- цифрлық түрлендіргіштер цифрлық АТС-тің құрылғылар құрамына кіреді.
ЦЖТ-пен желілік түйістердің ерекшелiктерi.
Цифрлық АТС-пен өзге цифрлық АТС-тің қосылуы кезінде немесе цифрлық АТС және аналогтік АТС- тің арасында цифрлық жүйенiң берілуі кезінде, бiрiншiсінде цифрлық түйісу орналасады. Бұл жағдайда ЦСК- ның бірден бір басты ерекшліктері жүзеге асады яғни, ол «коммутацияны беру» трактісінде біртұтас цифрлық информацияны құру болып саналады.
ИКМ сигнал түрінде дыбыстық сигналды беру цифрлық коммутациондық жүйе мен ЦЖТ аппаратурасына бірдей. Бірақ, ЦЖТ түйісуі мен цифрлық коммутация жүйесінің арасында бірнеше мәселелер туындайды. Біріншіден, телефон жүйесінде ,МСЭ иерархиясына кірмейтін ЦЖТ, қолданылуы мүмкін. Екіншіден, цифрлық КП- нің құрылу ерекшеліктеріне байланысты олардың ішіндегі циклдық құрылым ЦЖТ құрылымынан озгешеленеді. Цифрлық АТС құрушылар АТС-гі ИКМ ағынының тығыздалуын өз қалаулары бойынша өзгерте алады және олардың кодтық сөз ұзындығын өзгерте алады. Үшіншіден, ИКМ және АТС ішіндегі сөздердің кодталуы өзгеше болып келеді.
ЦЖТ мен АТС-тің цифрлық түйісуінің екі топтық талаптары бар: электрлік және логикалық.
Циклдер құрамының келісімді болуы ЦЖТ кірісінде, ЦЖТ талаптарына сай келетін, циклдер құрылуы керектігін білдіреді. Бұндай келісімділік АТС ішіндегі екілік демультиплексия кезінде орындалады.
Логикалық келісім сызықтық сигнал кодтарын HDB3 екілік кодтарға ауыстырады және керісінше, кіріс сигналдарыны синхрондалуын тактылық станция сигналдарына сәйкес.
Аналогтік БС мен Тарату жүйелері арасындағы түйісу.
Аналогтік және цифрлық АТС арасындағы байланыс үшін бұрыннан бар немесе жаңадан құрастырылған аналогтік физикалық байланыс сымдары(БС) қолданылады. Бұл жағдайда әрбір байланыс линиясының аналогтік дабыл жүйесі үшін жеке түйісу ұйымдастырылады. 7.1 суретінде цифрлық ЭАТС 200 пен АТСК және АТСКУ қалалық станция арасындағы екі сымдық физикалық тұракты тоғы бар дабылды байланыс линиялары арқылы келісім орнатылғаны көрсетілген.

7.1 сурет – ЭАТС 200 және электромеханикалық АТС арасындағы байланыс схемасы
Келісімді құрылғыны екі бөлікке бөлуге болады: каналдық және дабылды- синхрондық. Бұл 7.2 суретте көрсетілген.
3D![]()
![]()

7.2 сурет – Келісілген құрылғы схемасы
Келісілген құрылғыда орналасқан схемалар физикалық БС тұрақты токтың дабылдық хабарларын басқару блогіне берілетін дабылдарға айналдырады. Каналдық бөлік сызықтан берілетін ешқандай логикалық сигналдар өзгеруін туғызбайды.
Басқару блогі әрбір 2мс байланыс сымдарының дабыл ақпараттарын стобирлейді. Есеп бергеннен соң, ол өңдеп, қарсы бағытталған тоғысқан ИКМ аппаратурасы мен басқару блогі арасында келісім орнатып сәйкес кодтық ақпаратты береді. Жұмыс үшін каналған дабылдарды синхрондайтын барлық келісімді құрылғылар тактілік синронизация блогтерін өңдейді.
Қатынау желісімен түйісу.
Қатынау желісі деп абоненттер дәрежесінің номенклатурасы мен Тарату ортасы түсіндіріледі. Барлық абоненттік қатынауы бар технологияны бір бірыңғай желіге түрлендіретін ортақ интерфейс V5 - қатынау желісі интерфейсі деген атауга ие болған.
V5 интерфейсі екі түрге ие- V5.1 және V5.2. V5.1 интерфейсі АТС-ке 2048 кбит/с цифрлық трактке концентрациясыз 30 шақты аналогты АЛ қоса алады. Сонымен қатар дабыл ортақ каналда орындалады. V5.2 интерфейсі 2048 кбит/с бірнеше трактен тұрады және 8-ден аспайтын коэффициентті концентрацияны ұстайды. Сонымен қатар каналды интервалдың динамикалық белгілеуінен тұрады. Осыған байланысты V5.1 және V5.2. интерфейстері арасында өзгеріс анықталады. V5.1 интерфейсінің каналдық интервалы абоненттік тракттің цифрлық каналына бекітілген. Яғни, бұл каналдар арасында тұрақты байланыс орынығып тұрады. V5.2. интерфейсінде абоненттік порттар мен көтеруші абоненттер бекітілмеген. Концентрация мүмкіндіктеріне байланысты интерфейстегі көтеруші каналдар саны қызмет көрсететін порттық абоненттер каналынан әрдайым аз. V5.2. интерфейс інің көтеруші каналы осы қызмет түрімен берілген уақыт мезетінде байланыс қызметі каналған абоненттік канал порты үшін көрсетіледі. 2048 кбит/с әрбір трактіде бірнеше сигнализация дабылы қарастырылады. V5.1 және V5.2. V5.1 интерфейстері арасындағы салыстырмалы сипаттама 7.1 кестеде көрсетілген.
TMN желісімен түйісу.
Басқарудың телекоммуникациялық желісі- TMN (Telecommunication Management Network). МСЭ ұсынған кең алқапты желілік құрылғылар үшін және әртүрлі тапсырмалар классы үшін каналған басқарудың біртұтас концепциясы. TMN желісі стандартталған интерфейс, басқару функцияларын, әртүрлі құрылғылары бар желі үшін маршрутизацияны ұсынады.
7.1 кесте - V5.1 және V5.2. V5.1 интерфейстері арасындағы салыстырмалы сипаттама
|
V5.1 интерфейсі |
V5.2 интерфейсі |
|
АТС-ке бір тракты Қосылысға мүмкіндік береді Е1 (30 В-каналов) |
АТС-ке бірнеше тракты Қосылысға мүмкіндік береді (до 16) 2048 Кбит/с |
|
Абоненттік сызықтар концентрация функциясын қамтамасыз етпейді. Е1 трактілі каналдық интервалы мен абоненттер Тарату жүйесі арасында тікелей сәйкестік. |
Абоненттік сызықтар концентрация функциясын қамтамасыз етпеді. Канал интервалдарының динамикалық берілуі. |
|
Біріншілік Таратуін SDN ұстанбайды |
Біріншілік Тарату ұстанады ISDN |
|
Сигнализация интерфейс трактісінде біртұтас канал бойынша жүзеге асады. |
Әрбір тракта 2048 Кбит/с бірнеше сигнализация каналы қарастырылған. |
|
Интерфейс трактісінің келіспеу кезінде резервирлау функцияларын қамтамасыз етпейді. |
Интерфейс трактісінің келіспеу кезінде резервирлау функцияларын қамтамасыз етпеді |
TMN бөлек желіні концептуальды түрде ұсынады 7.3. суретті қара.
TMN бұл, каналйы интерфейстер арқылы (Q3 интерфейсі) телекоммуникациялық желінің көптеген нүктелеріне қосылған, ақпаратты қабылдау және оның жұмыс істеуін басқару үшін каналған концептуальді жеке желі болып табылады. Желі операторы басқару түйіндерінің шектелген саны арқылы таратылған құрылғылардың үлкен санын басқара алады.
Q3 интерфейсі бұл ішкі жүйе және ол келесі екі функциядан тұрады:
- қондырылған Q-адаптер, АТС-тың ішкі хабарламасына TNM операциялық жүйесінен және қайта баратын (мысалы, АТС-тың MML операциялық жүйесінің бұйрықтарын Q3 интерфейсіне және қайта түрлендіру) хабарламаларды қайта кодтау үшін каналған;
- Ашық Жүйелердің Қарым-қатынасы (OSI) концепциясына сәйкес келетін байланыстың керекті мүмкіндіктерін қамтамасыз ететін, Q3 протоколының стегі.

7.3 сурет – Телекоммуникациялық желі мен TNM арасындағы өзара қатынасы
8 дәріс. Цифрлық коммутация жүйелеріндегі сигнализация
Дәрістің мақсаты: студенттерге сигнализацияның негізгі ұғымдарын оқыту.
Мазмұны:
- Сигнализацияның негізгі ұғымдары.
- Цифрлық коммутация жүйелеріндегі сигнализация.
- Сигнализация жүйелерінің классификациясы, ерекшеленген канал бойынша сигнализация.
Сигнализацияның негізгі ұғымдары.
Сигнализация - бұл желінің өз функцияларын орындаудағы керектi шарттар: адрес бойынша жекелеген хабарламаларды осы хабарламалардың жеткізілуіне қатысты әртүрлә шарттарды сақтай отырып үлестіру және жеткізу.
Сигнализация - бұл сигналдардың жиынтығы, жалғағыш трактілердің әртүрлі этаптағы құру және ажыратуды қамтамасыз ететін станциялар мен түйіндер арасындағы сигналдардың жиынтығы. Басқаша айтқанда, сигнализация жүйесi желідегі коммутациялық түйіндер мен станциялардың абоненттерге қызмет көрсетуде бірлесіп жұмыс істеуін қамтамасыз етеді. Соңғы абоненттік қондырғылар арасында жалғағыш тракт бір немесе бірнеше біртипті немесе әртипті АТСтер арасында орнатылады, олар байланысты орнату және ажырату процессінде сигналдармен алмасады.
Сигнализацияның сигналдары - бұл ақпаратты тасымалдаушы ретінде қарастырылады, белгілі бір каналға, кіріс хабарламаға немесе желіні басқару прооцедурасына қатысты болады, олар үш түрге бөлінеді:
- сызықты;
- басқару;
- ақпаратты.
Сызықты сигнализация шақырысқа қызмет көрсету процессінде станцияаралық байланыс үшін станцияны линияның немесе байланыс каналының жағдайы туралы ақпаратпен қамтамасыз етеді. Бұл синалдар қосылысты ұйымдастырудың негізгі этаптарын атап көрсетеді және АТСтердегі қосқыш линиялар жабдықталатын линиялық комплектілірдің арасында кез келген сәтте таратылады. Сызықты сигналдардың құрамы коммутациялық жабдықтың түріне, тарату аппаратурасына, желінің және кейбір жекелеген бөліктерінің құрылымы мен тағайындалуына байланысты болады. Олар сызықты сигнализация каналдарымен қосылысты ұйымдастыру сәтінен бастап және қызметкөрсетілетін линияның толық босағанына дейін тура және кері бағытта беріледі. Коммутация жүйелерінде сызықты сигналдар бір звенодан басқа звеноға тізбектей беріліп және қажет жағдайда бір сызықты сигнализация жүйесінен басқасына ауысу болады. Сызықты сигналдардың тiзбектей берiлуi қосылысты ұйымдастыру процессімен анықталады.
Басқару сигнализациясы байланыс желісінде шақырып отырған абоненттің талабы бойынша қосылысты ұйымдастыруға қолданылады және шақырылып отырған абоненттің линиясының нөмірі туралы (адрестік ақпарат), АТСтердегі басқару құрылғысының жұмыс режимі туралы желінің жұмыс режимі туралы,байланыс каналдары туралы ақпарат сақталады.Бұл сигналдардың құрамы коммутация жүйелерінің интеллектуалды мүмкіндіктеріне тәуелді. Интеллектуалдықты, қосылысты дұрыс орнатуды, сөйлесу трактының сапасын жақсартуды арттырған сайын жіберілетін ақпараттың растығын көтеру мақсатымен әрқашан кеңейеді.
Басқару сигналдарының құрамына қосылыс маршруты жайлы ақпарат, алмасуды басқару сигналдары, желіні басқару сигналдары жатады. Қосылысты басқаруда келесілері орындалады:
абоненттен шақыруды қабылдау;
- шақырылатын абоненттiң нөмiрi туралы мәлiметтiң қабылдауы;
- қабылданған мәлiметтiң талдауы;
- байланыстың бағытты анықтауы;
- АТС жалғағыш бекiтуiрек коммутацилық өрiсте және тиiстi
бағыттың iздестiру;
- шақыртылған абонентке жауап беруде байланыстың орнатылуы;
- тоқтату сигналын алғаннан кейін байланысты үзу.
Басқаруды сигнализация (адрестi мәлiмет) маршрут туралы сигнализацияны қосады;айырбасты басқаруды сигнализация; желiнi басқаруды сигнализация.
Маршрутизацияның сигналдарының құрамына кейбiр сигнализацияқала аралық байланыс, орнатылатын (автоматты немесе жартылай автоматты) Қосылыслардың түрi, берiлудi әдiсте басқарушы мәлiмет және тағы басқалар шақыруды дәреже, шамданған (АОН ) абоненттiң нөмiрiнiң анықтауын аппаратураның сұрау салуы туралы шақырылатын абоненттiң нөмiрiнiң цифры, станцияның коды, телефон аймағының коды, сигнализациякiредi мәлiметтiң сапалы берiлу қамтамасыз ететiн тракттiң жасауы үшiн қолданылады.
Ақпараттық сигнализация (абоненттердiң дерек беруiн сигнализация) Қосылыс анықтауын процесс туралы шамданған абоненттiң хабар қағазы үшiн қолданылады, сонымен бiрге азаттық немесе жалғағыш сызықтардың бос еместiгi және шақырылатын абоненттiң сызығы туралы. Ақпарлық белгiлерге "Станцияның жауабы - СЖ","Шақыруды жiберу - ШЖ", "Шақыруды жiберудi бақылау - ШЖБ" ,"Сигнал бос емес - СБЕ", бағыттың каналдарының бос еместiгi тағы басқалар.
Сигнализацияның ұғымы байланыс желiсiндегi (цифрларға АТС) жұмыс жасауы, 8.1-шi сурет сұрақ қатарына жатады
Сигнализация жүйелерiнiң классификациясы.
Сигнализацияның сигналдарының берiлуi үшiн каналдың байланыс желiсiндегi ұйымдары үшiн екi негiзгi әдiстер, 8.2-шi суреттердi қолданады
- ерекшеленген канал бойынша сигнализация;
- ортақ канал бойынша сигнализация.
Ерекшеленген канал бойынша сигнализация.
Нақтылы канал пайдалану үшiн қандай болмасын қажеттi сигнализацияның сигнализацияы ерекшеленген канал бойынша сигнализациялардың жанында қажеттi бұл канал бойынша берiледi немесе ақпараттық каналға қатты бекiткен ерекшеленген канал бойынша жіберіледі.

8.1 сурет - Сөйлемдік сигналдардың өтуі және АТСЦ болатын сигналдарлың сигнализациясы

8.2 сурет - Сигналдардың сигнализациясы үшін каналдарды бөлу әдісі бойынша сигнализация жүйелерінің классификациясы
Егер берiлудi канал аналогты түрде берілсе, онда ерекшеленген канал бойынша сигнализация үш әдiсте бөлшектенедi:
- (жолақтағы сигнализация, жолақ iшiндегi сигнализация) әңгiме жиiлiктерiнiң жолағындағы сигнализация. үйреншiктi анналогты телефон каналының жолағы шектi жиiлiктердiң физикалық каналы үшiн 3, 1 кГцтi құрайды, 300 Гц және 3400 Гцтер болып табылады; мұндай канал үндес жиiлiктiң каналы каналйы атауы болады. Демек, сигнализацияның сигнализацияын жолақтағы сигнализацияның жанында телефон соғулары үшiн олардың 3,1 кГцтi жолағында алып беруге мүмкiндiк берер едi, сапамен қажеттi параметрлер алуы керек;
- (жолақ, суыртпақта сигнализациясы сигнализация тыс) әңгiме жиiлiктерiнiң жолағы сигнализация тыс. Сигнализацияның сигналдарының берiлулерi үшiн ақпараттық каналға ақпараттық каналдың жолағы өткiзу жолағын тыс болатын қатты тiркеулi каналды қолданылады. Торлығы сигнализацияның жүйелерi үшiн ақпарлық белгiнi өткiзу жолағы жоғары орналасқан каналды қолданылады;
- аралас сигнализация. Сигнализацияның сигналдардың бiр бөлiгi мұндай сигнализация жүйелерiнде ақпараттық канал жолақтың iшi берiледi, бөлiк - оның жолағы тыс. Мысалмен (қоңырауды сигнал) шақыру сигналына 50 гцтi жиiлiкте ақпарлық белгiнi жолақ тыс берiлген кәдiмгi телефон аппараты үшiн қолданушы сигнализация жүйесi қызмет көрсете алады.
Егер берiлудi канал цифрларға болып табылса, онда сигнализацияның сигналдарының берiлуi үшiн (ӘРК ) каналдардың уақытбөлгіш жеке цифрларға канал, немесе бiрiктiрумен берiлудi жүйенiң цифрларға каналы қолданыла алады.Сигнализацияның екi негiзгi әдiстерi жеке цифрларға каналдың қолдануында қолданыла алады:
- (сигналдардың кодпен жазылған дауыстауларын беру үшiн ең қолайлы) такты интервалдардың жанында сигнализацияның сигналдарының берiлуi үшiн мерзiмдi қолданылатын нышандардың дауыстауларына сигнализация;
- сигнализацияның мәлiметiнiң жанында такты интервалда үнемi берiлген жыралық интервалдағы сигнализация жыралық интервалда болады.
Сигнализацияның ерекшеленген каналы ЦЖТ қолдануда ретiнде қолдану үш әдiстері болуы мүмкiн:
- бiр канал үшiн нышандардың дауыстауларына сигнализация;
- (мысалмен әрбiр каналға нышандардың дауыстауларын қызметтiк мәлiметтiң 8 битi және 8 битте болатын ITT 1240-шi станцияның iшкi Цсбiнiң қалыбы қызмет көрсете алады) жыралық интервалдағы сигнализация;
-сигнализация үшiн жеке каналдардың сигнализациясының сигналдарының тұрақты берiлуi үшiн бөлiнуi бар жеке жыралық интервал оны iшкi каналдарына адыраятында көтерiп шығарылған сигнализация. Мысал: еуропалық ИКМ-30/32 - көтерiп шығарылған сигнализацияның iске асыруы үшiн қасында циклдегi төрт битi әрбiр сөйлеу каналдың сигнализациясының сигналдарының берiлуi үшiн кезекпен жеткiзiлiп берiлетiн 16-шы - жыралық интервал жеткiзiлiп берiледі.
9 Дәріс. ОКС7 сигнализация жүйесі
Дәрістің мақсаты: Студенттердің ОКС7 сигнализация жүйесін оқып-үйренуі.
Мазмұны:
- Ортақ канал сигнализацияның принципі;
- ОКС7 сигнализация желісі;
- ОКС7 протоколдар стегі;
Ортақ канал сигнализацияның принципі
Ортақ каналды сигнализация (ОКС7) – бұл барлық сөйлесу каналдарына байланыс орнататын басқаратын ақпарат, тікелей екі өзара әрекет етуші АТС-терді байланыстыратын ИКМ-нің белгілі бір-біріншілік трактілерін (нөлдіктен басқасы) кез келген уақыт интервалында құрыла алатын, бір ортақ сигнализация каналы бойынша мәліметтерді (сигналдық хабарламалар) тарату блок түрінде берілетін, сигнализация жүйесі.

9.1 сурет – Ортақ каналы сигнализацияның принципі
Ортақ каналды сигнализация сигнализацияның және әр түрлі мақсаттағы байланыс түйіндерінің процессорлары арасындағы ақпараттарды таратуы үшін мамандандырылған мәліметтерді берудің ерекше түрі ретінде қарастырылуы мүмкін. Тиімділікті қамтамасыз ету үшін, ОКС7 жүйесі желілік элементтердің істен шыққан жағдайында маршруттардың автоматты реконфигурациясы және тарату құралдарына бөгеттердің әсерінен туындаған қателер коррекциясы және анықтау функцияларына ие.
Әдеттегідей, басқа ИКМ‑трактысындағы тиімділікті қамтамасыз ету үшін, ОКС7 мәліметтерін тарату үшін резервті канал құрылады. ОКС7 қолдану кезінде басқа тарату жүйесінің уақыттық интервалдары (нөлдіктен басқа) қолданушының мәліметтерін немесе сөздерін тарату үшін жүзеге асырылуы мүмкін. ОКС7-нің бір каналы 1000-ға жуық сөйлесу каналдарына қызмет көрсетуі мүмкін.
ОКС7 сигнализация желісі
ОКС7-нің негізгі түсініктемелері[1,4,5,7,8]
- Қолданушының ішкі жүйесі (User Part - UP) сигналдық хабарламалар көзі мен қабылдаушының функциясын қамтамасыз етеді;
- Сигнализация тармағы (Signaling Point ) - ОКС7-нің сигналдық хабарламаларын өңдеу функциясын жүзеге асыратын кез келген түйін, яғни қолданушының ішкі жүйесі және хабарламаларды тарату жүйесі іске асатын түйін;
- сигнализацияның тармағы өзінің ерекше кодымен бiрмәндi анықталады (Signaling Point Code );
- (Signaling Link ) SL сигнализация буыны – сигнализация тармақтарын өзара байланыстыратын мәліметтерді тарату каналы;
- екі сигналдық тармақтарды тікелей байланыстыратын сигнализацияның бірнеше параллель буындары сигнализация буындарының шоқтарын (Signaling Link Set ) құрайды.
- Сигнализацияның транзитті тармағы STP (Signaling Transfer Point )- сигнализацияның әртүрлі буындары мен қолданушысы жоқ ішкі жүйелер арасында сигналдық хабарламалардың маршрутизация функциясын ғана жүзеге асыратын сигнализация тармағы;
- сигналдық ақпарат сигнализация тармақтары арасында, сигналдық бірлік деп аталатын, айнымалы ұзындықты хабарламалар түрінде таратылады;
Сигналдық желінің түйіні сигнализация тармағы мен сигнализацияның транзитті тармағы функциясын өзінің бойына енгізе алады.
7-ші сигнализация желісі сигнализация тармақтары мен олардың каналдарын байланыстыратын сигнализациядан тұрады. Сигнализация тармағы (СТ), әдеттегідей, түйіндес станциямен №7-ші сигнализация жүйесі көмегімен өзара әсерлесетін коммутациялық станция. Ақырғы және транзитті СТ бар. Сигналды хабарды тарату бағытына тәуелді ақырғы СТ шығыс тармақтары (Originating Signalling Point - OSP) және тағайындау тармақтары (Destination Signalling Point - DSP) ретінде бола алады.
Бүкіл әлемдік сигнализация желісі екі тәуелсіз деңгейге бөлінеді: халықаралық және ұлттық. Мұндай құрылым сигнализация желісін басқару бойынша жауапкершілікті бөлуге және бір-бірінен тәуелсіз халықаралық желі мен әр түрлі ұлттық желілердің сигнализация тармақтарының нөмірлену жоспарын құрастыруға мүмкіндік береді.
Екі сигналды тармақтарда сигналды қатынас (Signalling Relation) бар, егер олардың қолданушының ішкі жүйісі сигналды хабарлармен алмасу мүмкіндігіне ие болса. Сигналды қатынас сигнализацияның ақырғы тармақтарының арасында немесе бір немесе бірнеше транзиттік тармқтары арқылы тікелей жүзеге асырыла алады. Желіде сигнады қатынастың нақты жүзеге асырылуын сигнализация маршруты (Signalling Rout – SR) анықтайды. Бір сигналды қатынас үшін әр түрлі транзитті тармақтар арқылы бірнеше сигналдық маршруттарды қолдануға болады. Бұл маршруттар берілген сигналдық қатынас үшін сигнализация маршруттарының тобын (шоғын) Signalling Rout Set - SRS) құрайды.
SS7 протоколдарының стегі
SS7 протоколдарының стегі төрт деңгейден тұрады, сурет 9.2. Төменгі үш деңгей ортақ “хабарларды тарату жүйеасты” (Message Transfer Part, MTP)деген ортақ атпен қосылған. MTP-дің үш деңгейі жеті деңгейлі OSI моделінің үш төменгі деңгейіне сәйкес келеді [4,5,7,8]0.

Сурет 9.2- OSI моделінің деңгейлері мен ОКС7 моделінің деңгейлерін салыстыру
- 1 деңгей мәліметтерді тарату звеноларының функциялары;
- 2 деңгей сигналдық звено функциялары;
- 3 деңгей си гнализация жүйелерінің функциялары.
1 деңгей мәліметтерді тарату звенолары – сигнализация звеносы үшін ақпарат тарату каналсының физикалық, электрлік және функцияналдық сипаттамаларын анықтайтын МТР жүйеасты. Әдетте ИКМ трактінің 64 кбит/с каналдары қолданылады. Тарату ортасымен интерфейсті анықтайтын 1-деңгей функцияларының орындалуы неғұрлым жоғары (2-4 деңгейлер) деңгейлердің функцияларының тарату ортасынан тәуелсіздігін білдіреді.
2 деңгей сигналдық звеносы –тікелей байланысқан екі сигнализация пункттерінің арасында сигнализация звеносымен сигналдық хабарларды таратуға қатысты МТР жүйеастының функциялары мен процедураларын анықтайды. Сигналдық звеноның 2-деңгейі әрбір звено бойынша жіберілетін ақпарат құрылымы мен қателерді табу мен түзету процедураларын анықтайды. 1 және 2 деңгей функцияларының қосылуы сигналдық хабарларды тарату үшін сигнализация звеносын ұйымдастырады.
Сигнализация желісінің 3 деңгейі – сигнализация желісінің функциясын орындауға ориентацияланған 3 МТР жүйеасты. 3 деңгей процедуралары бір АТС-тен екіншісіне тіпті 1мен 2 деңгейлерінің істемей қалған жағдайында сигналдық ақпаратты таратуды сенімді қамтамасыз етеді. 3 деңгей сигнализация звеноларын басқаруды қамтамасыз етеді және сигнализация желісінде сигналдық хабарларды маршрутизациялау үшін өңдеу функцияларынан, сонымен қатар сигнализация желісін басқару функциясынан тұрады.
ОКС7 моделінің төртінші деңгейі МТР және/немесе SCP қызметтерін қолданушылар жүйесатын құрайды:
TUP (Telephone User Part) – телефондық желі сигнализациясын қолдайтын жүйеасты-қолданушы;
DUP (Data User Part) – ақпаратты тарату желісінің сигнализациясын қолдайтын жүйеасты-қолданушы;
ISUP(ISDN User Part) - телефондық желі сигнализациясын, ақпаратты тарату желісінің және интегралдық қызмет көрсетудің сандық желісін (ISDN) қолдайтын жүйеасты-қолданушы;
TSAP (Transaction capabilities application part) – транзакцияларды қолдайтын қолданбалы жүйеасты;
B-ISUP (B-ISDN user part) – кеңжолақты ISDN (B-ISDN) сигнализациясын қолдайтын жүйеасты-қолданушы;
MAP (Mobile application part) – GSM жылжымалы байланыс желісінің стандартындағы сигнализацияны қолдайтын қолданбалы жүйеасты-қолданушы;
INAP (Intelligent network application part) – интеллектуалды желінің қолданбалы жүйеасты;
OMAP (Operation Maintenance and administration part ) – эксплуатациялық басқарудың қолданбалы жүйеасты;
SCCP(Signaling connection control part) – байланысқа ориентацияланған немесе ориентацияланбаған сигнализация блоктарының ақпаратын тарату үшін логикалық байланысты қамтамасыз етуге каналған сигналдық байланысты басқару жүйеасты.
MTP және SCCP жүйеастылары бірігіп желілік қызметтер жүйеастын құрады (NSP- network service part). MTP қызметтерін қолдана отырып SCCP жүйеасты ОКС7 виртуалды қосылулар желісінде сигнализацияны қамтамасыз етеді және байланысты орнатуға ориентацияланған және мұны жасауды талап етпейтін желілік қызметтерді көрсете алады.
ТСАР байланысты орнатпай-ақ шақыруға қызмет көрсету үшін мүмкіндіктер жиынтығын қамтамасыз ететін. Бұл мүмкіндіктерді басқа түйінде процедураларды қамтамасыз ету үшін басқа түйінде қолдануға болады. Мұндай қолданудың мысалы – 800 қызметі, мұнда 800 кодынан кейінгі цифралар орталықтанған мәліметтер базасы ретінде физикалық адреске түрленеді.
10-дәріс. Цифрлық коммутация жүйелерін жобалау және техникалық эксплуатациялау
Дәріс мақсаты: Цифрлық коммутация жүйелерінің (ЦКЖ) жобалау және техникалық эксплуатациялау сұрақтарын оқып білу.
Мазмұны:
- ЦКЖ-ны жобалаудың міндеттері;
- ЦКЖ-ны жобалаудың кезеңдері;
- ЦКЖ-ны техникалық эксплуатациялаудың ерекшеліктері;
- ЦКЖ-ның техникалық сипаттамаларына қойылатын талаптар.
ЦКЖ-ны жобалаудың міндеттері.
ЦКЖ-ны жобалау келесідей өзара байланысты міндеттері шешуде негізделеді:
- жобалаудың міндетін құрастыру, алдын-ала мәліметтерді дайындау;
- ЦКЖ-ның құрылымдық және байланысты ұйымдастыру сұлбаларын тұрғызу;
- жабдықтардың санын анықтау, ЦКЖ-ның басқа да ішкі параметрлерінің мәндерін таңдау;
- автозалда және станцияның басқа да бөлмелерінде ЦКЖ-ның жабдықтарын орналастыру жоспарын әзірлеу;
- аралық тұстамалардағы кростау сұлбаларын құрастыру, анықтамалық ақпарат базасын жобалау;
- жобалық документация комплектісіне спецификация, смета және түсіндерме хатты құрастыру.
ЦКЖ-ны жобалаудың кезеңдері.
ЦКЖ-ны жобалау бірнеше кезеңдерден тұрады:
1)Атқаратын міндеттеріне, абоненттік қатынау типітеріне, станцияаралық сигнализация түрлеріне және т.б. сәйкес жобаланатын коммутация жүйесінің құрылымдық сұлбасын тұрғызу.
2) Станцияның өзінде немесе одан алшақтатылған абоненттік блоктардың жабдықтарын есептеу.
3) Станцияаралық сигнализацияның түріне байланысты байланыс линиялары блоктарының жабдықтарын есептеу.
4) Станцияаралық сигнализацияның түрін және DTMF тоналды терімі бар телефондық аппараттардың бар болуын ескере отырып, сигнализация жабдықтарының құрамын анықтау.
5) Қызмет көрсетілетін жүктеме немесе қосылатын сызықты блоктардың санына байланысты коммутациялық өріс жабдықтарын есептеу.
6) Басқару жүйесінің құрылымы, әдетте әр ЦКЖ типі үшін белгілі болады, сондықтан жобалау кезінде басқару комплексінің пайда болатын және станцияаралық жүктеме шамасына байланысты өнімділігі тексеріледі.
7) ОКС жабдықтарын есептеу, ОКС7 сигнализациясын қолданатын бағыттарының санына және осы бағыттардың станцияаралық жүктемелеріне қызмет көрсететін сигнализация түйіндерінің санына байланысты жүргізіледі.
8) станциялық тональдік сигналдардыңжабдықтарының және тактілік реттіліктің құрамы мен көлемі әр ЦКЖ типіне алдын-ала анықталған болады.
9) Жабдықтардың есептелген көлемін типтік стативтер бойынша орналастыру, және сол стативтерді өндірістік бөлмелерде орналастыру.
10) Электрқоректеу қондырғыларының параметрлерін есептеу және типін анықтау.
ЦКЖ жабдықтарының көлемін есептеу келесі бастапқы деректер бойынша жүргізіледі:
- жобаланатын ЦКЖ-ның аты;
- монтаждалатын сыйымдылық және аобненттердің құрылымдық құрамы;
- станцияаралық байланыс линияларының саны және сәйкес станцияаралық байланыс линияларының түйндерін анықтауға мүмкіндік беретін станцияаралық жүктемелер матрицаларының саны;
- АМТС байланысы және каналйы қызметтер түйіндері бар линиялар саны(УСС);
- станицияаралық бағыттарда қолданылатын сигнализация жүйелері.
Заманауи Цифрлық коммутация жүйелерін техникалық эксплуатациялау ерекшеліктері:
1) Оперативті-техникалық қызмет көрсету.
2) Эксплуатациялық қызмет көрсету.
3) Әкімшілік басқару.
Оперативті-техникалық қызмет көрсетудің мақсаты болып станция жабдығының үздіксіз бақылаудың арқасында ақаусыз жұмыс істеуін қамтамасыз ету және бақылаудың нәтижелерін бағалау, сонымен қатар бүлінген платаларды ауыстыру.
Эксплуатациялық қызмет көрсетуге келесі функциялар жатады:
- станцияның жұмыс істеуін сипаттайтын мәліметтерді алу үшін регламентті жұмыстар;
- станция жабдықтарының жеке түйіндерінде профилактикалық жұмыстар;
- программды-өндірістік тексерістер;
- эксплуатацияға өзгерістер енгізу (қайта кросстеу, абоненттердің категориясын өзгерту, қызмет көрсетудің жаңа түрлерін енгізу және т.б.);
-эксплаутациялау кезінде желі масштабында функциялар орындалады. Мысалы: каналдарды қайта реттеу, станцияны дамыту және модернизациялау, бағдарламалық қамтамасыз ету болгын ауыстыру, қосымша қызмет көрсету түрлерін енгізу және т.б.
Әкімшілік басқару деп келесі эпизодты түрде орындалатын және ПУ бар ЦКЖ-ның ұзақ периодты жұмыс істеу туралы мәліметтерді анализдеудің негізінде техникалық эксплуатациялау процессінің радкиалды өзгеруімен байланысты атқарылатн функцияларды айтады.
Кейде канал жарықты таблолар түрінде жүзеге асырылған бейнелеу құрылғылары қолданылады.
Цифрлық АТС-терді техникалық эксплуатациялау жүйелерін бағдарламалық қамтамасыз ету операциялық жүйені құрайтын және жекеленген эксплуатациялық процедураларды орындалуын жүзеге асыратын амалдарды камтиды.
Операциялық жүйенің мақсаты болып адам-машина диалогын ұйымдастыру және жағдайды бейнелеудің және Цифрлық телекоммуникациялық түйіндердің жұмыс істеуінің негізінде барлық процедуралардың орындалуы.
Заманауи Цифрлық АТС-тердің операторларының жүйеге қандай да бір процедураны жүзеге асыру мақсатында жүгінуі, техникалық қамтамасыз ету дисплейінде директиваны құрастыру.
Заманауи Цифрлық коммутация жүйелерінде қолданылатын адам-машина тілдерін стандарттау Халықаралық Телекоммуникация Одағымен (ХТО) жүзеге асырылды.
ЦКЖ-ның техникалық сипаттамаларына қойылатын талаптар.
ЦКЖ-ны техникалық эксплуатациялыу барысында ЦКЖ-ның техникалық сипаттамаларына келесідей талаптар қойылады:
- артықшылықтары бар шақыруларға басыңқы қызмет көрсету;
- айналма жолдары бар желілерде байланысты орнату;
- сигнлизацияның әртүрлі түрлерін қолдану;
- оперативті басқаруды енгізу;
- жүктеме ағынын басқаруды енгізу;
- басқару орталығында статистика мәліметтерін шығару мүмкіндігі;
- өзара есептеулерді жүргізу үшін мәліметтерді шығару мүмкіндігі.
Қолданылатын Цифрлық коммутация жүйелері келесілерді қамтамасыз етуі керек:
- қалааралық байланысты орнату ұзақтығы 4...17 с;
- абоненттен абонентке байланыс орнату барысында болатын шығындар: жергілікті байланыс кезінде – 3%, зонаішілік байланыс кезінде – 16%, қалааралық байланыс кезінде – 10%.
Цифрлық ақпаратты тарату кезінде қателік коэффициенті 10ˉ6 артық емес.
Шығындар келесі шамалардан аспауы қажет:
- станцияішілік байланыс кезінде 0,02;
- шығыс байланыс кезінді 0,005;
- кіріс байланыс кезінде 0,007;
- кіріс қалааралық байланыс кезінде 0,002;
- шұғыл қызмет көрсетуші қызметтермен байланыс кезінде 0,001.
ҚР Транспорт және коммуинкация министрлігінің 26.02.98 ж. №17 бұйрығымен бекітілген «ОМС, СУ және УП (РП және «Технологиялық жобалаудың ведомстволық нормалары») сызықты-аппараттық цехтарды жобалау нұсқаулары. Сымды байланыс құралдары. Қалалық телефондық желілер станциясы» нормативті-техникалық документтерінде телефондық желілердің жекеленген аймақтарында шығындардың нормалары келтірілген.
Коммутацияның Цифрлық аппаратурасының бағдарламалық қамтамасыз етуі модульді-иерархиялық принцип бойынша құрылуы керек.
ЦКЖ эксплуатация және станция қызметкерлерінің станициямен әсерлесуіне мүмкіндік беретін техникалық қызмет көрсету ішкі жүйелерін қамтуы керек. Эксплуатация функциялары коммутациялық жүйелердің қалыпты жұмыс істеу жағдайларына сәйкестендірілуі қажет. Бұл функциялар: құндық есепті; маршрутизацияны; жүктеменің және жұмыс атқару сапасының өлшемін; перифириялық құрылғылардың жұмыс істеуін; станциялардың басқарылуын қамтамасыз ету керек.
Коммутация жабдығы станцияны, мәжбүрлі иерархиялық синхронизация тәсілі қолданылатын, синхронды Цифрлық желіде жұмыс істеуін қамтамасыз етуі керек.
Коммутация жабдығында келесідей синхронизация құрылғылары болу керек:
- ИКМ кіріс байланысы арқылы синхронизация;
- Сыртқы эталонды сигнал арқылы синхронизация.
Желінің жоғарғы деңгейінде қолданылатын коммутация құрылғысында, G.811, G.703 МСЭ-Т талаптарын қанағаттандыратын, ПЭГ болуы қажет.
ҚР ЕСТ-та қолданылатын жабдықтар сөйлесулер (байланыстар) трафигін есептейтін бағдарламалық қамтамасыз етумен жабдықталуы тиіс (сөйлесулердің құнын биллингті жүйемен есептеу). Сөйлесулер (байланыстар) трафигін есептейтін жабдықтарға қойылатын жалпы талаптар «Қазақстан Республикасының қалалық және ауылдық телефондық желілерінің электромеханикалық АТС-і үшін жергілікті телефондық сөйлесулердің уақыт бойынша есеп жүргізуші аппаратураларына каналған жалпы техникалық талаптары» атты нормативті документінде көрсетілген.
Коммутация жабдықтары МСЭ-Т Q.514 и Q.504. талаптарына сәйкес сапалық көрсеткіштерді қамтамасыз етуі қажет.
11 дәріс. Цифрлық коммутация жүйелері
Дәріс мақсаты: студенттердің SI2000 типті Цифрлық коммутация жүйесін оқып үйренуі.
Мазмұны:
- SI2000 типті Цифрлық коммутация жүйесінің сипаттамасы;
- жүйе құрылымы, жабдықтардың құрамы;
- функционалды түйіндертін тағайындалуы, техникалық сипаттамалары.
SI2000 – бұл ОКС-7 және ЦСИС функциялары бар, телекоммуникациялық қызметтерді аналогты абоненттерге және ЦСИС абоненттеріне көрсетілуін қамтамасыз ететін, сонымен қатар басқару функцияларын және техникалық қызмет көрсетілуін жүзеге асыратын Цифрлық коммутациялық жүйе.
SI2000 жүйесі келесі қасиеттермен сипатталады:
- аппаратты және бағдарламалық қамтамасыз етудің модульді тұрғызу;
- сөйлесуді, мәліметтерді, сигналдарды, басқаруды, акустикалық және сөздік сигналдарды тарату үшін Цифрлық коммутация;
- қолданыстағы Цифрлық және аналогты телефондық станциялармен сәйкесетндірілуі;
- ортақ конструктивті-технологиялық шешімдер, ортақ элементті база және коммутациялық техниканың барлық амалдары үшін материалдары;
- техникалық эксплуатация орталықтарын қолданумен ортақ техникалық эксплуатация жүйесі;
- стандарттарға және халықаралық реттеуші мүшелердің(ITU-T, ETSI, ECMA) талаптарына және Қазақстан Республикасының ұлттық желісінің спецификациясына толық сәйкес келуі.
SI2000 жүйесі коммутациялық жабдықтардың құрастырылуын келесі шектерде қамтамасыз етеді:
- 40000 абоненттік линияларға дейін (В-каналдарды);
- 7200 Цифрлық және аналогты байланыс линияларына дейін;
- 2048 кбит/сек жылдамдықты 240 дейін Цифрлық ағымды (G.703);
- ОКС-7 сигнализация жүйесінің 120 каналына дейін.
SI2000 коммутация жүйесінің құрылымы.
ITU-T Q.512 ұсынысына сәйкес SI2000 жүйесі функционалды түрде коммутация түйін (Switch Node) және перифириялық түйн (Access Node) болып екіге бөлінеді. Жүйенің барлық түйіндері басқару үшін әмбебап басқару түйіні (Management Node) құрастырылған.
Коммутация түйіні – SN, байланыс линияларын коммутациялау үшін және қатынау түйіндерінің телекоммуникациялық қызметерін басқару, сонымен басқару функцияларының бөлігін және техникалық қызмет көрсетуді орындау үшін жасалған. Түінді жүйелік және қолданбалы бағдарламалық қамтамасыз ету нақты уақыт режимінде орындалады және телекоммуникациялық қызметтерді көрсетуді қамтамасыз етеді, сонымен қатар басқару функцияларын орындау, техникалық қызмет көрсетудің және авариялық жағдайлардың мониторнгінің, СОРМ функциясының статистикалық және тарификті ақпараттын генерациялайды. Коммутацияның топтық сатысы ретінде қолданылады. Орташа сыйымдылықты (40000 протқа дейін) қалалық АТС-ты ұйымдастыру үшін де, сонымен қатар өз бетінше жұмыс істейтін транзитті түйнді ұйымдастыру үшін де қолданылуы мүмкін. Аппаратты түрде түйін МСА модулімен көрсетілген.
Аналогты және ЦСИС абоненттері коммутация түйініне тек қатынау түйіндері арқылы ғана қосылады. Аналогты абоненттерді Қосылыс үшін АХМ типті аналогті абоненттік концентраторлардың қолданылуы мүмкін. ITU-T Q.512 ұсынысына, ETSI стандарттарына және Ресейдің ұлттық желісінің спецификациясына сәйкестендіріліп қатынау түйіндерін Қосылыс үшін V5.2 интерфейсі құрастырылған. Аналогты абоненттік концентраторларды Қосылыс үшін ASMI интерфейсі ұйымдастырылған. V5.2 интерфейсінің құрамына 1-ден 16-ға дейін Е1 ағымдары кіре алады. V5.2 интерфейсіндегі керекті ағымдар саны берілген қатынау түініне қосылып тұрған абоненттік линиялар санына және абоненттік линияның орташа қосынды жүктемесіне байланысты таңдалынып алынады.
SI2000 жүйесінің жалпы қолданыстағы телефондық желіге Қосылысы үшін келесідей желілік интерфейстер ұйымдастырылған:
- ОКС-7(MTP, ISUP және SCCP ішкі жүйелерімен) сигнализациясы бар Цифрлық желілік интерфейс. ITU-T ұсыныстарына және Ресей ұлттық желілерінің спецификациясына сәйкестендірілген.
- АОН процедурасы және бір немесе екі, декадты кодпен(СЛ, СЛМ, ЗСЛ линиялары), МЧК-челнок (СЛ, СЛМ линиялары) тәсілімен немесе импульсті пакетпен (ЗСЛ линиялары) басқару сигналдарын тарататын, сигналды каналы бар сигнализациясы бар Цифрлық желілік интерфейс. Ресей ұлттық желілерінің спецификациясына сәйкестендірілген.
Қосымша коммутация түйіні келесі интерфейстерге ие:
- басқару түйінін Қосылыс үшін интерфейс;
- ETHERNET типті интерфейс, жергілікті басқару түйінін Қосылыс үшін;
- алшақ басқару түйіндерін РРР-каналын 2Мбит/сек ағымда ұйымдастыру арқылы Қосылыс үшін интерфейс;
- СОРМ басқару пультін Қосылыс үшін интерфейс.
Сенімдірек жұмысты қамтамасыз ету үшін коммутация түйінінде екі өзара тең басқарушы тобы бар. Жүйе қосылғанда бір басқарушы топ активті жағдайға, ал екіншісі резерв күйіне өтеді. Егер активті басқарушы топ істен шығатын болса, автоматты түрде резервті басқарушы топ жұмысқа қосылады.
Е1 ағымдарын Қосылыс үшін алып-салмалы ТРС блоктары қолданылады. Әр мұндай блокта Е1 ағымын Қосылыс үшін 16 порты бар. Коммутация түйінінде максимальді 16 ТРС блогы іске қосылуы мүмкін. Оның ішінде 15 блок жұмыс режимінде болуы мүмкін, ал біреуі резерв күйінде болады. Кез-келген ТРС-тің істен шығуы кезінде автоматты түрде резервті блоктың жұмысқа қосылуы болады.
Бір коммутация түйініне 240 Е1 ағыны қосылуы мүмкін.
Қатынау түйіні - AN, коммутация түйініне, одан ары аналогты және ЦСИС абоненттік құрылғылар желісіне, сонымен қатар мекемелік АТС-ке ЦСИС-тің біріншілік (PRA) немесе базалық (BRA) қатынауы арқылы қосылу үшін каналған. Аппаратты түрде MLС модулімен көрсетілген.
Абоненттік линияларды Қосылыс үшін перифериялық алынып-салмалы блоктың үш типі бар:
- 32 аналогты абонентті Қосылыс үшін перифериялық алынып-салмалы блок. 32 Z-интерфейсімен жабдықталған;
- 16 ЦСИС абонентін Қосылыс үшін перифериялық алынып-салмалы блок. 16 Uk0 интерфейсімен жабдықталған;
- 16 ЦСИС абонентін Қосылыс үшін перифериялық алынып-салмалы блок. 16 S0 интерфейсімен жабдықталған.
Бір модульге 22 перифериялық алынып-салмалы блок қондырылуы мүмкін. Демек, бір қатынау түйініне 352 ЦСИС-абонентке дейін немесе 704 аналогты абонентке дейін және олардың әртүрлі комбинациялары қосылуы мүмкін.
ITU-T Q.512 ұсынысы бойынша қатынау түйініне біріншілік (PRA) қатынау жәрдемімен DSS1сигнализациясының көмегімен ЦСИС абоненттік құрылғылардың қосылу мүмкіндігі бар. Абоненттік құрылғы ретінде берілген жағадайда ЦСИС функциялары бар УПАТС, алыстан Internet-ке қатынау сервері немесе EuroISDN стандарттарын қанағаттандыратын кез-келген құрылғы қарастырылуы мүмкін.
Коммутация түйініне қосылу V5.2 интерфейсі арқылы жүзеге асырылады (ITU-T Q.512 ұсыныстарына, ETSI стандарттарына және Ресей ұлттық желілерінің спецификациясына сәйкестендірілген). Бір интерфейс өзінде 1-ден 12-ге дейін Е1 ағынын қамтуы мүмкін. V5.2 интерфейсіндегі керекті ағымдар саны абоненттік линиялар санына және абоненттік линияның әрқайсысына болжанған жүктемеге байланысты таңдалынып алынады. Мысалы, қатынау түйініне бір абоненттік линияға орташа қосынды телефондық жүктеме 0,1 Эрл болатын тек қана 640 аналогты абоненттердің қосылуы кезінде V5.2 интерфейсінде 3 Е1 ағыны қолданылуы қажет.
Бір қатынау түйініне максимальді 12 Е1 ағынын Қосылысға болады.
Коммутация және қатынаудың комбинацияланған түйіні - SAN, ОКС-7 және ЦСИС функциялары бар толық функционалды аз сыйымдылықты телекоммуникациялық жүйе болып саналады. Бір уақытта қатынау және коммутация түіндерінің қызметтерін атқара алады. Коммутация және қатынау түйіндерінің сипаттамаларында көрсетілген аналогты және Цифрлық интерфейстердің барлық түрлерін қамтиды. Ауылдық соңғы немесе түйіндік АТС ретінде, УАПТС немесе қалалық телекоммукациялық желінің ішкі станциясы ретінде қолданылуы мүмкін. Аппаратты түрде MLС модулімен көрсетілген.
Бір модульге 22 перифериялық алынып-салмалы блок қондырылуы мүмкін. Демек, бір қатынау түйініне 352 ЦСИС-абонентке дейін немесе 704 аналогты абонентке дейін және олардың әртүрлі комбинациялары қосылуы мүмкін.
Абоненттік сыйымдылықты арттыру үшін комбинацияланған коммутация және қатынау түйініне V5.2 немесе ASMI интерфейстері арқылы 4 стандартты қатынау түйінін немесе аналогты абоненттік концентраторларды Қосылысға болады. Бірақ, бір абоненттік линияға керекті қосынды жүктемені қамтамасыз ету үшін, толық конфигурациялы екі қатынау түйіндерінен артық Қосылысға ұсынылмайды.
Аналогты байланыс линияларын Қосылыс үшін ішкі алқапты сигнализация жүйелері үшін жасалған 8 С11 интерфейстерімен жабдықталған , каналйы алмастырудың типті элементі құрастырылған.
Бір комбинацияланған коммутация және қатынау түйініне максимальді 12 Е1 ағынын Қосылысға болады (V5.2, ASMI интерфейстері немесе станцияаралық байланыс).
Басқару түйіні – MN, коммутация түйіндерін, қатынау түйіндерін, комбинацияланған коммутация және қатынау түйіндерін, MPS үздіксіз электрқорек жүйесін орталықтанған бақылау және басқару үшін каналған. Аппаратты түрде локальді желіге біріктірілген Microsoft Windows NT операциондық жүйемен қамтылған бір немесе бірнеше дербес компьютердің негізінде жасалған. Бақыланатын түйіндерге TCP/IP желісі арқылы қосылады.
Бір немесе бірнеше жұмыс орындарынан тұрады және әрқайсысы келесі міндеттерді шешуде қолданылуы мүмкін:
- бақылау және әкімшілік басқару;
- диагностика және техникалық кызмет көрсету;
- статистикалық және тарифтік ақпаратты жинақтау, өңдеу және сақтау.
Басқару түйінінде орталық деректер базасы орналасқан. Қолданбалы бағдарламалар көмегімен басқару түйінінде орталық деректер базасында орналасқан деректерді өзгертуге болады. Жүйелік бағдарламалық қамтамасыз ету коммуникациялық түйінде орталық деректер базасында және коммуникациялық түйіндердегі локальді деректер базасында сақталған деректердің келісуін қамтамасыз етеді.
Басқару түйіні басқарылатын түйіндерге TCP/IP (Ethernet-тің физикалық деңгейі) желісі арқылы қосылады. Алыстатылған коммуникациялық түйінге қосылу үшін Е1каналдарының бірінде (V5.2 интерфейс немесе станцияаралық байланыс) сөйлесу каналының орнына РРР-протоколы бойынша 64 кбит/сек жылдамдықпен жұмыс істейтін басқару каналы ұйымдастырылады.
Үздіксіз электрқоректеу жүйесі – MPS, телекоммункациялық құрылғыларды тұрақты 48В немесе 60В кернеуімен үздіксіз қамтамасыз ету үшін каналған. Желілік кернеу бар кезде электрқоректеумен тұтынушыларды және аккумуляжелілік батареяларды қамтамасыз етеді, ал желілік кернеудің жоғалуы кезінде тұтынушыларды батареядан қоректенуін қамтамасыз етеді.
Әдебиеттер тізімі
1. Баркун М.А., Ходасевич О.Р. Цифровые системы синхронной коммутации.- М.:Эко-Трендз, 2001.
2. Баркун М.А. Цифровые автоматические телефонные станции - Минск Высшая школа, 1990.
3. Джангозин А.Д., Шкрыгунова Е.А., Гармашова Ю.М. Цифровая коммутация. Учебное пособие. -А., 2004.
4. Гольдштейн Б.С. Системы коммутации – СПб.: Радио и связь. 2004.
5. Шувалов В.П. -Телекоммуникационные системы и сети. Т.1 Современные технологии. М.,2005.
6. Ершова Э.Б., Ершов В.А. Цифровые системы распределения информации – М., Радио и связь, 1983.
7. Гольдштейн Б.С. Сигнализация в сетях связи – М.: Радио и связь. 1998.
8. Б.С. Гольдштейн, И.М. Ерхиль, Р.Д. Рерле. Стек протоколов ОКС7. Подсистема МТР. Справочник. – М.: Радио и связь. 2003.
9. Игнатьев В.О. Методы проектирования современных цифровых систем коммутации. Учеб. Пособие/ЭИС. – СПб,1991.
10. В.Г. Карташевский. Цифровые системы коммутации для ГТС/ под ред. В.Г. Карташевского и А.В. Рослякова. – М.: Эко-Трендз, 2008.
11. Руководящий документ единой сети телекоммуникаций Республики Казахстан. Книга 1. Общие положения и концептуальные основы развития ЕСТ РК. Астана 2003.
12. Докучаев В.А. и др. Основы построения АТСЭ типа SI 2000.-М., 2000.
Мазмұны
|
Кіріспе |
3 |
|
1 дәріс. Коммутация принциптері |
4 |
|
2 дәріс. Цифрлық коммутация принципі |
7 |
|
3 дәріс. Кеңістік - уақыттық каналдар коммутациясының цифрлық модулінің синтезі |
12 |
|
4 дәріс. ЦКЖ басқаруды ұйымдастыру |
16 |
|
5 дәріс. 1, 2, 3, 4, 5-ші классты цифрлық коммутациялық өрістер |
21 |
|
6 дәріс. Цифрлық коммутациялық жүйедегі абоненттік интерфейстің құрылуы |
26 |
|
7 дәріс. Цифрлық АТС-тардың желілік түйістері |
30 |
|
8 дәріс. Цифрлық коммутация жүйелеріндегі сигнализация |
34 |
|
9 дәріс. ОКС7 сигнализация жүйелері |
39 |
|
10 дәріс. Цифрлық коммутация жүйелерін жобалау және техникалық эксплуатациялау и |
43 |
|
11 дәріс. Цифрлық коммутация жүйелері |
47 |
|
Әдебиеттер тізімі |
51 |
2012 ж. жиынтық жоспары, реті 321



